高温独头巷道压抽混合式通风参数对人工制冷降温效果的影响
1.
2.
Influence of Forced-Exhaust Mixed Ventilation Parameters on the Cooling Effect of Artificial Cooling in High-temperature Blind Roadway
1.
2.
收稿日期: 2023-06-19 修回日期: 2023-12-06
| 基金资助: |
|
Received: 2023-06-19 Revised: 2023-12-06
作者简介 About authors
李杰林(1982-),男,湖南宁远人,副教授,从事采矿工程和矿井热害防治研究工作
关键词:
Keywords:
本文引用格式
李杰林, 刘一良, 王玉普, 李在利, 周科平, 程春龙.
LI Jielin, LIU Yiliang, WANG Yupu, LI Zaili, ZHOU Keping, CHENG Chunlong.
随着矿山深部开采活动的日渐增多,独头掘进巷道中出现的高温热害问题愈发严重。相关研究表明,开采深度超过700 m的矿井岩层温度最高可达50 ℃(蔡美峰等,2019),部分矿山深部巷道掘进工作面温度甚至超过40 ℃(罗勇东等,2020),高温作业环境不仅会使作业人员罹患热射病、心脏病和焦虑症等各类生理和心理疾病,而且可能引发各类次生灾害,严重影响作业人员的生命安全和矿山安全高效生产(李孜军等,2021;Liu et al.,2022a)。因此,开展矿井高温独头掘进巷道降温研究对矿山深部开采具有重要的现实意义。
人工制冷降温技术已在国内外高温矿井中得到了广泛应用,众多学者对此进行了研究。宋东平等(2017)提出液态CO2相变制冷降温技术,利用液态CO2相变过程中产生的冷量和工作面高温空气换热以降低工作面温度。初砚昊等(2020)和朱海亮等(2020)提出动力型分离式热管降温技术,并搭建试验平台模拟矿井热源及传热过程,研究结果表明该技术能够有效控制矿井高温热害。侯江丽等(2020)提出直膨式热泵降温技术,为高温矿井热害治理提供新思路。李杰林等(2022)研制了一套高温矿井移动式人工制冷设备,结合现场试验结果并利用Fluent软件进行数值模拟,优选出最佳制冷参数。根据《金属非金属矿山安全规程》(GB16423-2020)要求,在独头巷道掘进施工中,必须建立完善的局部通风系统。然而,在采用人工制冷降温技术的巷道中,人工制冷设备运行过程中会产生大量热量,增加新热源,影响降温效果。因此,利用局部通风系统来排出制冷设备产生的热量是一种合理可行的方法。许多学者针对局部通风系统降温(或排热)开展了大量研究。陈才贤等(2011)对混合式通风条件下的独头巷道热环境进行了数值模拟研究,结果表明当压入式风筒口距离工作面8 m,抽出式风筒口距离工作面16 m,压抽风量比为1∶2时,具有较好的降温效果。Wang et al.(2019)对不同通风方式下独头巷道的降温效果进行了数值模拟研究,得出当压入式风筒口距离工作面5 m,抽出式风筒口距离工作面15 m时,降温效果最优。陈浩(2019)通过数值模拟研究得出独头巷道采用长压长抽混合式通风系统时,最优通风工况为压入式风筒布置于巷道一侧上部,距离工作面10 m,送风量为8.3 m3/s,送风温度为293 K;抽出式风筒布置于巷道另一侧下部,距离工作面2 m,抽风量为7 m3/s。辛嵩等(2020)研究表明适当提高混合式通风系统抽压比有利于掘进巷道热害治理。Xin et al.(2021)采用现场测量与数值模拟相结合的方法进行研究,结果表明混合式通风系统中,相比压入式风筒滞后抽出式风筒,抽出式风筒滞后压入式风筒的降温效果明显,得出混合式通风系统最优参数为:压入式风筒口距离工作面3 m,抽出式风筒口距离工作面12 m,抽压比为1.5。掘进巷道的局部通风系统不仅起到排热降温的作用,而且其通风参数会对人工制冷设备制冷量的利用效率产生影响,因此有必要开展掘进巷道局部通风系统参数对人工制冷降温效果的影响研究。
本研究以自主研制的高温矿井移动式人工制冷设备为基础,结合大红山铜矿西矿段-20 m中段北沿脉西侧高温独头掘进巷道实际环境条件,利用Fluent数值模拟软件开展压抽混合式通风参数对高温独头掘进巷道人工制冷降温效果的影响研究,为高温矿井通风辅助人工制冷降温参数选取提供指导。
1 物理模型构建及参数设定
1.1 矿山工程概况
大红山铜矿地处云南省新平县戛洒镇,海拔为700~1 400 m,矿山西矿段主要生产区域已延伸至-20 m,-60 m,-100 m中段,开采深度超过800 m,属于典型的深井开采地下矿山。大红山铜矿的地温梯度测试结果显示,大红山铜矿的平均地温梯度为3.04 ℃/100 m,地温类型属于典型的高地温类。根据大红山铜矿的井下热源成因统计结果,围岩散热量占总散热量的50%以上(李杰林等,2021)。因此,大红山铜矿是地热成因的深井高温地下矿山。
1.2 模型假设
考虑到井下巷道实际环境较为复杂,为便于物理模型构建及网格划分,对高温独头掘进巷道计算区域进行如下假设(龚剑等,2015;Yao et al.,2021;郭对明等,2022;李杰林等,2022):(1)忽略水管、电线等敷设于巷道壁面但对降温影响较小的设施;(2)巷道断面保持一致;(3)巷道内风流为不可压缩流体且为湍流流动;(4)巷道内风流传热系数恒定且各组分之间不发生反应;(5)巷道围岩各向同性且具有恒定热物理参数。
1.3 高温独头掘进巷道物理模型构建
图1
图1
人工制冷设备侧视图及其在掘进巷道内实际安装图
Fig.1
Side view of artificial cooling equipment and its actual installation diagram in the tunneling roadway
图2
图2
高温独头掘进巷道物理模型
Fig.2
Physical model of high-temperature blind tunneling roadway
1.4 边界命名及网格划分
将高温独头掘进巷道物理模型导入ANSYS Mesh中进行边界命名及网格划分。设置人工制冷设备冷风出口、热风出口及压入式风筒出风口为入口,巷道出口、人工制冷设备冷风进风口及抽出式风筒吸风口为出口,其余为壁面。采用能合理处理边界层且更易控制网格单元尺寸及形状的非结构化网格进行网格划分(Liu et al.,2022b),划分的网格平均质量为0.84,可用于计算(鲍建桥等,2022)。
1.5 模拟参数设置
表1 物理模型边界条件参数
Table 1
| 边界 | 边界类型 | 设定数值 |
|---|---|---|
| 人工制冷设备冷风出口 | 速度进口 | 速度8.6 m/s,温度22 ℃ |
| 人工制冷设备热风出口 | 速度进口 | 速度6.4 m/s,温度50 ℃ |
| 压入式风筒出风口 | 速度进口 | 速度6.0 m/s,温度36 ℃ |
| 巷道出口 | 压力出口 | 压力0 Pa |
| 人工制冷设备冷风进风口 | 压力出口 | 压力-10 Pa |
| 巷道围岩 | 壁面 | 温度42 ℃,导热系数3.468 W/(m·K) |
| 风筒 | 壁面 | 导热系数0.23 W/(m·K) |
2 数值计算方案设计
以掘进工作面为起点,每隔0.5 m取一个截面,采用单因素分析法(杜翠凤等,2016;郭对明等,2022;李杰林等,2022),依据前人研究成果(Wang et al.,2019;陈浩,2019;辛嵩等,2020;Xin et al.,2021)和笔者团队的研究成果,利用Fluent软件模拟分析压入式风筒高度、抽出式风筒高度、抽出式风筒滞后压入式风筒距离及抽压比对人工制冷降温效果的影响。结合掘进巷道实际情况,为便于作业人员安装风筒,将压入式和抽出式风筒最大安装高度设置为2 m,并以0.5 m为间隔设置4组工况,提高不同风筒高度下掘进巷道温度变化规律的准确性。以往研究表明,混合式通风系统中抽出式风筒滞后压入式风筒时降温效果较好,得出的较优滞后距离分别为8,10,9 m(陈才贤等,2011;Wang et al.,2019;Xin et al.,2021)。同时,根据《金属非金属矿山安全规程》(GB16423-2020),混合式通风系统中抽出风筒入口应滞后压入风筒出口5 m以上,故以抽出式风筒滞后压入式风筒5 m为起点,每隔4 m设置一个工况;依据文献资料(辛嵩等,2020;Xin et al.,2021),适当提高混合式通风系统抽压比能够获得较好的降温效果,同时为保证不同抽压比下掘进巷道温度变化规律的完整性,设置抽压比工况为0.5、1.0、2.0和3.0,数值计算方案如表2所示。
表2 数值计算方案
Table 2
| 数值计算变量 | 工况设置 |
|---|---|
| 压入式风筒高度H1 | 0.5 m、1.0 m、1.5 m、2.0 m |
| 抽出式风筒高度H2 | 0.5 m、1.0 m、1.5 m、2.0 m |
| 抽出式风筒滞后压入式风筒距离D | 5.0 m、9.0 m、13.0 m、17.0 m |
| 抽压比R | 0.5、1.0、2.0、3.0 |
《金属非金属矿山安全规程》(GB16423-2020)规定,人员连续作业场所的湿球温度不得高于27 ℃。掘进巷道相对湿度约为78%,换算得出对应的干球温度约为30 ℃,各截面平均温度低于此温度即认为达到降温要求(下文中所述的温度均为干球温度)。
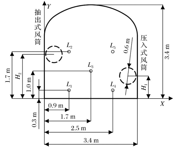
考虑到掘进巷道中的作业人员主要在靠近掘进工作面一定范围内活动,因此仅需关注制冷空间(距离掘进工作面8 m)内的降温效果。以1.7 m作为作业人员平均身高,考虑到巷道顶部温度对人员的影响较小,因此在巷道制冷空间内设置如图3所示的5条温度监测线,图中X表示巷道宽度,Y表示巷道高度。在X=0.9 m处分别取Y=0.3 m、Y=1.7 m的2条直线L1、L2,代表巷道左侧区域;在X=1.7 m处取Y=1.0 m的直线L3,代表巷道中心区域;在X=2.5 m处分别取Y=0.3 m、Y=1.7 m的2条直线L4、L5,代表巷道右侧区域。
图3
图3
数值模拟温度监测线布置图
Fig.3
Layout of temperature monitoring line in numerical simulation
3 数值模拟模型验证
结合现场试验结果,对数值模型和输入参数的正确性和合理性进行验证,现场试验情况及数值模拟模型如图4所示。需要说明的是,为了与现场试验对应,仅在验证数值模型中的设备两侧设置了风障,下文的数值模拟结果分析中未设置风障。
图4
如图4所示,试验巷道内未安设风筒,人工制冷设备放置于距掘进工作面12 m处,左右两侧安设风障以缩小制冷空间,提高降温效果(李杰林等,2022;Li et al.,2022)。现场试验时在距掘进工作面1 m、6 m和11 m处设置编号分别为1号、2号和3号的3个测点,3个测点距巷道底板高度均为1.6 m。待各测点读数基本稳定后,得到1号测点平均温度为30.5 ℃,2号测点平均温度为29.8 ℃,3号测点平均温度为28.7 ℃。根据现场试验情况,建立数值模拟模型,并输入边界条件和参数,通过数值模拟得到的1号测点温度为30.7 ℃,2号测点温度为29.9 ℃,3号测点温度为28.8 ℃。3个测点模拟温度值与实测温度值对比如图5所示,可以看出,1号测点模拟值与实测值误差为0.7%,2号测点模拟值与实测值误差为0.3%,3号测点模拟值与实测值误差为0.3%,说明数值模拟结果与实测数据较为接近,可以应用数值模拟模型和边界条件及参数进行数值分析。
图5
图5
3个测点模拟温度值与实测温度值对比
Fig.5
Comparison of simulated and measured temperature values of three measurement points
4 数值模拟结果分析
4.1 压入式风筒高度对降温效果的影响
不同压入式风筒高度下各截面平均温度如图6所示。由图6可以看出,当H1=1.0 m时,制冷空间内平均温度能够降至28 ℃以下,降温效果最好。考虑到压入式风筒送入的新鲜低温风流会有一部分与巷道热空气换热而被消耗,并不会完全被人工制冷设备冷风进风口吸入,因此分析认为:当H1=0.5 m或H1=1.0 m时,压入式风筒送入的新鲜风流与巷道下部少量热空气进行换热后上升至巷道顶部,提高了冷风利用率,使冷空气能够较均匀地分布在制冷空间内,降温效果较好。对比2种工况,当H1=0.5 m时,压入式风筒送入的新鲜风流从较低位置逐渐向上攀升,换热更充分,致使流入制冷空间内的风流温度较H1=1.0 m时高,降温效果较H1=1.0 m时差。当H1=1.5 m、H1=2.0 m时,压入式风筒送入的新鲜风流主要与巷道上部的热空气进行换热,未能对巷道下部有效降温,降温效果较差。因此,随着压入式风筒高度的增加,巷道制冷空间内各截面平均温度呈先降低后升高的变化趋势。
图6
图6
不同压入式风筒高度下各截面平均温度
Fig.6
Average temperature of each section under different heights of forced air duct
图7
图7
H1=1.0 m时不同截面温度分布云图
Fig.7
Cloud maps of temperature distribution of different sections when H1=1.0 m
图8
图8
H1=1.0 m时L1~L5各直线区域的温度变化
Fig.8
Temperature change of each linear region from L1 to L5 when H1=1.0 m
4.2 抽出式风筒高度对降温效果的影响
当H1=1.0 m时,不同抽出式风筒高度下各截面平均温度如图9所示。由图9可以看出,当H2=0.5 m时,形成“上压下抽”的混合式通风系统,降温效果最差;当H2=1.0 m时,形成“左抽右压”的混合式通风系统,降温效果最佳;当H2=1.5 m、H2=2.0 m时,形成“上抽下压”的混合式通风系统,降温效果强于“上压下抽”,但较“左抽右压”差。分析认为:“上压下抽”系统中抽出式风筒高度过低,将聚集在巷道下部区域的冷空气抽离制冷空间,造成冷量损失,导致制冷空间内温度较高;“上抽下压”系统中抽出式风筒高度过高,主要抽出积聚在巷道顶部及设备热风出口排出的热空气,因此降温效果较“上压下抽”好,但未能有效促进制冷空间内的风流循环,故降温效果较“左抽右压”差。
图9
图9
H1=1.0 m时不同抽出式风筒高度下各截面平均温度
Fig.9
Average temperature of each section under different exhaust duct heights when H1=1.0 m
根据图6和图9得出的压入式通风最佳工况和混合式通风最佳工况,绘制出2种最佳工况下各截面的平均温度,如图10所示。由图10可以看出,二者降温效果相近,最大温差小于1 ℃,但总体而言,采用混合式通风时,巷道制冷空间内平均温度较低。截取2种工况下X=1.0,2.0,3.0 m时制冷空间内温度分布云图,如图11和图12所示。由图11和图12可以看出,采用混合式通风时,巷道内冷空气受抽出式风筒作用向巷道左侧偏移,使得制冷空间内冷空气分布更均匀,制冷范围更广,因此认为抽出式风筒的最佳高度为1.0 m。同时,由图9和图10可以看出,采用混合式通风时,巷道制冷空间内整体降温效果比单独采用压入式通风方式差,因此在现场应用时需要合理设置混合式通风系统。
图10
图10
压入式和混合式通风最佳工况下各截面平均温度
Fig.10
Average temperature of each section under the best working conditions of forced and mixed ventilation
图11
图11
压入式通风最佳工况下掘进巷道制冷空间内不同截面温度分布云图
Fig.11
Cloud maps of temperature distribution of different sections in the cooling space of the tunneling roadway under the best working conditions of forced ventilation
图12
图12
混合式通风最佳工况下掘进巷道制冷空间内不同截面温度分布云图
Fig.12
Cloud maps of temperature distribution of different sections in the cooling space of the tunneling roadway under the best working conditions of mixed ventilation
图13
图13
H2=1.0 m时L1~L5各直线区域的温度变化
Fig.13
Temperature change of each linear region from L1 to L5 when H2=1.0 m
4.3 抽出式风筒滞后压入式风筒距离对降温效果的影响
抽出式风筒滞后压入式风筒不同距离下各截面平均温度如图14所示。由图14可知,抽出式风筒滞后压入式风筒5.0 m时,降温效果最佳;随着滞后距离D的增加,各截面平均温度呈现出先升高后降低的变化趋势。分析认为:当D=5.0 m时,抽出式风筒主要排出制冷空间及制冷设备产生的热空气,不仅能够减少压入式风筒送入的新鲜风流在进入制冷空间前的换热,而且加快了制冷空间内的风流循环,有利于降温;当D=9.0 m时,抽出式风筒距离掘进工作面较远,主要排出制冷设备后部的热空气且其抽吸作用会使制冷空间内的冷空气向巷道外侧移动,从而导致降温效果较差;当D=13.0 m和D=17.0 m时,抽出式风筒对制冷空间内的冷空气分布影响很小,制冷空间内各截面平均温度变化趋于平缓,随着滞后距离的进一步增加,将逐渐趋近于只有压入式风筒时的水平。
图14
图14
抽出式风筒滞后压入式风筒不同距离下各截面平均温度
Fig.14
Average temperature of each section under different distances of the exhaust duct lagging the forced duct
图15
图15
D=5.0 m和D=9.0 m时X=1.7 m处的温度分布云图
Fig.15
Temperature distribution clouds of X=1.7 m when D=5.0 m and D=9.0 m
4.4 抽压比对降温效果的影响
不同抽压比下各截面平均温度如图16所示。由图16可知,随着抽压比的增大,巷道制冷空间内各截面的平均温度呈现出先降低后升高的变化趋势;当R=0.5时,降温效果最差;当R=1.0和R=2.0时,降温效果相近。分析认为:当R=0.5时,抽出风量小于压入风量,无法有效促进巷道制冷空间内的风流循环并排出热空气,降温效果较差;当R=1.0和R=2.0时,抽出风量较大,不仅能够有效提高巷道制冷空间内的风流循环,而且能够及时排出制冷空间内及制冷设备产生的热空气,从而降低进入制冷空间的新鲜风流温度,降温效果良好;当R=3.0时,抽出风量远大于压入风量,导致巷道内风流紊乱,造成压入式风筒送入的部分新鲜风流被排出,也会导致制冷空间内风流循环过快,制冷设备送出的冷风未经充分换热即被排出,降温效果较差。
图16
图16
不同抽压比下各截面平均温度
Fig.16
Average temperature of each section under different exhaust forced ratios
对比R=1.0和R=2.0时各截面平均温度可以得出,后者在距离掘进工作面0.5~2.5 m范围内(区域A)降温效果较优;二者在距离掘进工作面2.5~6.0 m范围内(区域B)降温效果相近;前者在距离掘进工作面6.0~7.5 m范围内(区域C)降温效果较优。考虑到作业人员在掘进巷道中的活动范围主要集中在掘进工作面附近,在设备附近活动较少,且二者最大温差仅为1 ℃,因此认为最佳抽压比为2.0。
5 结论
(1)压入式风筒最佳高度为1.0 m,高度过低将导致压入式风筒送入制冷空间的新鲜风流温度较高,而高度过高将导致新鲜风流利用率低,换热不充分。
(2)抽出式风筒最佳高度为1.0 m,最佳通风模式为“左抽右压”。高度过低抽出式风筒将吸出制冷空间下部区域的冷空气,造成冷量损失;高度过高则无法有效促进制冷空间内的风流循环。
(3)抽出式风筒滞后压入式风筒最佳距离为5.0 m,滞后距离过大将导致抽出式风筒无法及时排出制冷空间内的热空气,且会造成制冷空间内的冷空气向巷道外侧移动。
(4)最佳抽压比为2.0,抽压比过小将导致抽出式风筒无法有效排出热空气,而抽压比过大将导致风流紊乱,循环加快,造成冷空气损失。
http://www.goldsci.ac.cn/article/2024/1005-2518/1005-2518-2024-32-1-63.shtml
参考文献
Improved algorithm of the hydrodynamic bearing based on FLUENT dynamic mesh
[J].
Current status and development strategy of metal mines
[J].
Numerical simulation study on thermal environment in a blind heading with combined local ventilation
[J].
Study on Cooling Effect and Thermal Comfort of Water Injection and Ventilation in Coal and Rock Mass of Deep Mine
[D].
Experimental study on the mine geothermal hazard control based on heal transfer by heat pipe
[J].
Numerical simulation of ventilation and cooling in excavation roadway and analysis of influencing factors
[J].
Numerical simulation on dust migration law in excavation roadway with forced ventilation
[J].
Optimization of local ventilation parameters of deep mine excavation roadway based on FLUENT
[J].
A cooling and heat-collecting experimental system in deep mine based on direct expansion ground-coupled heat pump
[J].
Research on the mobile refrigeration system at a high temperature working face of an underground mine
[J].
Study on optimization of artificial refrigeration cooling effect in high-temperature blind roadway
[J].
Numerical simulation of ice cooling in heading face of high-temperature mine
[J].
Numerical simulation of airflow and temperature field in excavation roadway
[J].
Numerical simulation on heat hazard control by collaborative geothermal exploitation in deep mine
[J].
The effect of environmental variables and metabolic rate on physiological parameters in a hot and humid mine
[J].
Simulation study of gas explosion propagation law in coal mining face with different ventilation modes
[J].
Research and application of cooling technology in roadway driving in the mine at high temperature
[J].
Liquid carbon dioxide phase-change refrigeration and cooling technology of high temperature mine
[J].
In situ measurements and CFD numerical simulations of thermal environment in blind headings of underground mines
[J].
Comparative studies on control of thermal environment in development headings using force/exhaust overlap ventilation systems
[J].
Influence of different ventilation parameters on cooling of driving face
[J].
Influence and sensitivity analysis of thermal parameters on temperature field distribution of active thermal insulated roadway in high temperature mine
[J].
Experimental study on deep mine geothermal hazard control based on heat pump and power heat pipe
[J].
基于FLUENT动网格的动压轴承特性改进算法
[J].
金属矿深部开采现状与发展战略
[J].
混合式局部通风独头巷道热环境数值模拟研究
[J].
深部矿井煤岩体注水与通风方式下降温效果与热舒适研究
[D].
基于热管输热的矿井地热危害控制试验研究
[J].
掘进巷道通风降温的数值模拟及影响因素分析
[J].
掘进巷道压入式通风粉尘运移规律数值模拟
[J].
基于FLUENT的深井掘进巷道局部通风参数优化
[J].
基于直膨式热泵技术的深井集热降温实验系统
[J].
高温独头巷道人工制冷降温效果的优化研究
[J].
高温矿井掘进工作面冰块降温数值模拟研究
[J].
掘进巷道风流流场和温度场数值模拟
[J].
深部矿井岩层地热能协同开采治理热害数值模拟
[J].
矿井高温掘进巷道降温技术研究及应用
[J].
高温矿井液态CO2相变制冷降温技术
[J].
不同通风参数对掘进工作面降温的影响
[J].
热泵与动力热管复合的深井热害控制试验研究
[J].
/
| 〈 |
|
〉 |


甘公网安备 62010202000672号