高温独头巷道压抽混合式通风参数对人工制冷降温效果的影响 |
| 李杰林,刘一良,王玉普,李在利,周科平,程春龙 |
|
Influence of Forced-Exhaust Mixed Ventilation Parameters on the Cooling Effect of Artificial Cooling in High-temperature Blind Roadway |
| Jielin LI,Yiliang LIU,Yupu WANG,Zaili LI,Keping ZHOU,Chunlong CHENG |
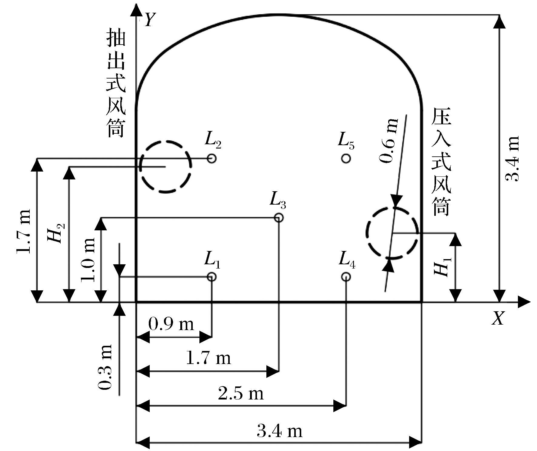
| 图3 数值模拟温度监测线布置图 |
| Fig.3 Layout of temperature monitoring line in numerical simulation |
|