Genesis of the Zhengchong Gold Deposit in Northeast Hunan—Constraints from Geochronology and In-situ Sulfur Isotope
WU Huahao,1,2, SHAO Yongjun1,2, LIU Qingquan,1,2, WANG Zhilin1,2, ZHANG Yuce1,2, YUAN Zikun1,2
1.Key Laboratory of Metallogenic Prediction of Nonferrous Metals and Geological Environment Monitoring, Ministry of Education, Central South University, Changsha 410083, Hunan, China
2.School of Geosciences and Info-Physics, Central South University, Changsha 410083, Hunan, China
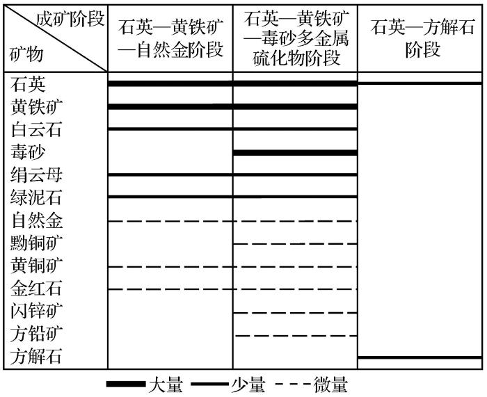
The Zhengchong gold deposit is a typical gold deposit in northeast Hunan.Its orebodies are controlled by NNE and NW trending faults and occur in Lengjiaxi Group with low metamorphism.The ore-forming age and the source of ore-forming materials are still controversial.In this study,by using the LA-(MC)-ICP-MS analysis method,in situ Rb-Sr dating of sericite in gold-bearing quartz vein and in situ S isotope analysis of pyrite were carried out to determine the ore-forming age and source of ore-forming materials,so as to clarify the genesis of the deposit.According to the ore-vein interpenetrating relationship of ore-veins and mineral paragenesis, the mineralization can be divided into three ore-forming stages,namely quartz-pyrite-gold stage,quartz-pyrite-arsenopyrite-polymetallic sulfide stage,quartz-calcite stage.Microscopic observation show that sericite in stage 1 and stage 2 had a close intergrow with pyrite/arsenopyrite.In situ Rb-Sr dating of sericite show that the ore-forming ages of stage 1 and stage 2 were (219.1±6.0)Ma and (215.8±7.7)Ma,respectively.Three kinds of pyrite were identified under the backscattering (BSE) image.The pyrite (Py1) in stage 1 is mainly eudedral and medium-coarse-grained,with δ34S ranging from -3.86‰ to 1.03‰.The pyrite (Py2) in stage 2 has an euhedral,mesocoarse-grained structure and an obvious core-rim zonation.The core (Py2a) is uniform in the BSE image with δ34S ranging from -1.43‰ to 1.51‰,while the edge (Py2b) has an obvious oscillation zone and other sulfide (galena) inclusions,with δ34S ranging from -3.21‰ to 1.95‰.The δ34S values (-3.85‰~1.95‰) of the three types of pyrite are close to 0 and the negative value moves to positive value,indicating that deep magmatic (or mantle-derived) materials may be the main source of ore-forming materials in Zhengchong gold deposit,and a small amount of stratigraphic material is involved in the mineralization.Based on the geological characteristics,metallogenic chronology and sulfur isotope geochemistry,We believe that the Zhengchong gold deposit was formed in the Indosinian intracontinental orogenic environment and related to deep magmatic activity.
Keywords:Rb-Sr isotope of sericite
;
sulfur isotope
;
source of ore-forming materials
;
metallogenic age
;
Zhengchong gold deposit
;
Jiangnan orogenic belt
WU Huahao, SHAO Yongjun, LIU Qingquan, WANG Zhilin, ZHANG Yuce, YUAN Zikun. Genesis of the Zhengchong Gold Deposit in Northeast Hunan—Constraints from Geochronology and In-situ Sulfur Isotope[J]. Gold Science and Technology, 2023, 31(2): 190-205 doi:10.11872/j.issn.1005-2518.2023.02.181
由于本区内经历了多次构造运动,形成了以NE(NNE)向为主、EW(NW)向为辅的构造岩浆带。NE(NNE)向深大断裂主要为长沙—平江断裂、新宁—灰汤断裂和醴陵—衡东断裂带,控制着湘东北地区基本构造格局(Xu et al.,2017;Zhou et al.,2021),与NNE向褶皱带构成了湘东北地区“两隆三盆”的“盆—岭”构造(Xu et al.,2017)。近EW向韧性剪切带以望湘—平江韧性剪切带、连云山岩体南侧韧性剪切带和官桥—浏阳韧性剪切带为主,金矿床主要分布于NE(NNE)向断裂带和近EW向韧性剪切带交会部位(Zhang et al.,2019;孙思辰等,2020),正冲金矿床位于长沙—平江断裂与醴陵—衡东断裂带之间,且受雁林寺韧性剪切带控制(Tan et al.,2022)。
2 矿区地质概况
正冲金矿床位于醴陵金矿田,金资源量达到19 t(孙思辰等,2020;韩亮等,2021)。矿区内出露地层主要为新元古界冷家溪群浅变质岩(图2),主要由黄浒洞组下段杂砂岩和泥质板岩,黄浒洞组上段砂岩、泥岩和板岩,以及小木坪组下段砂岩和泥质板岩组成(孙思辰等,2020),其中黄浒洞组下段是主要的金矿赋矿层位。矿区内出露有一个花岗岩体,其形成年龄为(435±2.9)Ma,岩体周围具有强烈的热液蚀变,主要有硅化、碳酸盐化、黄铁矿化和毒砂化等,局部可见金矿化。矿区内构造以NE向倒转复式褶皱、NE向断裂和NW向构造蚀变带为特征,矿体严格受NE-NNE向断层和NW向逆断层控制(Liu et al.,2019;孙思辰等,2020)。NW向矿体沿走向和深部延长数百米,厚度在几十厘米至十几米之间,倾向为36°~76°,倾角为40°~46°,具有逆断裂控矿的特征,主要发育有V79、V80、V81和V82矿体,其蚀变带宽度达数百米。NE-NNE向矿体(V16、V16-1和V18)沿走向延伸数百米,厚度为0.4~5.4 m,倾向为313°~332°,倾角为48°~50°,具有剪切脉特征。
尽管前人通过白云母40Ar/39Ar法获得了正冲金矿床的成矿年龄,但是,由于云母单矿物在挑选过程中可能会混入其他来源的物质,这在一定程度上可能会影响测试结果。本研究通过绢云母的原位Rb-Sr法,能够较好地避免其他物质对测试结果的影响,结果显示绢云母Rb-Sr年龄与前人的白云母Ar-Ar年龄基本一致。因此,本研究在重新厘定正冲金成矿年龄的同时,也验证了前人白云母Ar-Ar年龄的可靠性。此外,前人针对湘东北地区金矿床的年龄也开展了大量研究,获得了大量的年龄。Xu et al.(2017)认为江南造山带存在早古生代(423~397 Ma)、侏罗纪(176~170 Ma)和早白垩世(144~130 Ma)3期成矿,金矿化主要形成于加里东期和燕山期;黄建中等(2020)认为江南造山带湖南段金矿床主要形成于加里东期和印支期;柏道远等(2021)认为除了加里东期和印支期外,还有中晚燕山期成矿作用。近年来,有大量关于湘东北地区的年龄成果文献发表。如:梨树坡金矿中黑云母Ar-Ar同位素坪年龄为(208.67±1.25)Ma(Wang et al.,2022),肖家山金矿中金红石U-Pb加权平均年龄为(216.88±0.28)Ma(谭华杰,2022),团山背金矿中NE向石英脉中独居石U-Pb等时线年龄为(234.3±1.1)Ma(谭仕敏,2021),正冲金矿床中白云母 40Ar/39Ar同位素年龄为(220.5±0.2)~(211.6±0.6)Ma(孙思辰,2021)。结合本研究获得的正冲金矿床的成矿年龄[(219.1±6.0) Ma、(215.8±7.7) Ma],进一步证明了晚三叠世(230~210 Ma)是湘东北重要的金成矿期。
5.2 硫来源
地层中成矿元素的含量是决定地层能否提供成矿物质的重要因素,冷家溪群各岩组的金品位为1.09×10-9~52.30×10-9,平均金品位为3.62×10-9,是上地壳丰度值(1.8×10-9)的2倍(刘英俊等,1991;易慧等,2006),为金矿床的形成奠定了良好的基础。前人(Sun et al.,2020;韩亮等,2021)测得正冲金矿床中黄铁矿的Co/Ni比值大部分小于1,表明有地层物质参与成矿,而水岩反应又是正冲金矿的主要沉淀机制,结合部分S、Pb同位素具有变质来源的特征,以及成矿流体主要来源于变质水,部分学者认为金主要来源于地层(Liu et al.,2019;孙思辰,2021)。
硫化物的S同位素由成矿流体中硫的总量、温度、氧逸度和酸碱度等因素决定(Ohmoto,1972),在中低温、还原条件下,硫化物的S同位素值可以近似代表成矿流体中的S同位素值(Ohmoto,1972)。黄铁矿和磁黄铁矿[图5(a)]共生表明石英—黄铁矿—自然金阶段的成矿流体是还原性的,而且正冲金矿床成矿温度从早期的266~338 ℃逐渐降低至晚期的232~304 ℃,激光拉曼光谱分析显示包裹体中含有CO2、N2和CH4等气体(Liu et al.,2019;韩亮等,2021),未发现赤铁矿或重晶石、石膏等硫酸盐矿物,表明正冲金矿床的成矿流体是中低温、还原性的。因此,正冲金矿床黄铁矿的δ34S值与成矿流体中的δ34S值相近。
本研究测得的石英—黄铁矿—自然金阶段的S同位素值(Py1:-3.86‰~1.03‰,平均值为-1.3‰)和石英—黄铁矿—毒砂多金属硫化物阶段的S同位素值(Py2a:-1.43‰~1.51‰,平均值为0.24‰;Py2b:-3.21‰~1.95‰,平均值为0.83‰)范围较窄,表明其具有一致的硫来源,具有地幔硫或岩浆硫(δ34S=0±5%)的特点(Ohmoto,1986;Seal,2006)。成矿晚期的S同位素值略高于早期,可能是由于成矿后期水岩反应影响较弱,导致成矿晚期黄铁矿的S同位素值显示微弱的向右偏移。许多学者通过载金矿物的S同位素来研究湘东北地区金矿床的成矿物质来源(图8),但是大部分采用单矿物溶样法的S同位素分析方法,由于黄铁矿复杂的内部结构和多期次、多世代性,以往的黄铁矿S同位素δ34S值往往是混合值,并不能真正反映真实的S同位素值。这导致有些矿床被认为其成矿物质来源于冷家溪群,有些矿床其硫源具有深部岩浆来源的特征。正冲金矿床的黄铁矿原位δ34S值为-3.86~1.95,与肖家山金矿主成矿阶段黄铁矿的δ34S值(-2.5‰~-1.0‰)(Tan et al.,2022)、雁林寺黄铁矿和毒砂的δ34S值(-2.7‰~-1.5‰、-1.7‰~-0.4‰)(董国军等,2008;Zhang et al.,2022)相似,且明显高于冷家溪群中黄铁矿的δ34S值(-13.1‰~-6.3‰)(罗献林,1988;柳德荣等,1994;刘亮明等,1999),这些金矿床主要形成于印支期,且被认为有岩浆流体的参与。另有研究显示,矿区内花岗岩的年龄为(435±2.9)Ma,形成于加里东期,而金成矿发生在印支期,未发现与成矿同时期的中酸性岩浆事件。相邻的团山背和肖家山金矿区内发育有与金成矿事件相近的基性岩脉,团山背矿区辉绿岩脉的锆石原位U-Pb年龄为(225.6±1.7)Ma(谭仕敏,2021),肖家山矿区辉绿岩脉的锆石原位U-Pb年龄为(221.5±0.8)Ma(谭华杰,2022)。结合该地区未发现印支期的中酸性岩浆岩,但发育有大量印支期的辉绿岩脉,且认为辉绿岩可能来源于地幔。因此,认为正冲金矿床的成矿流体可能主要来源于深部岩浆(或地幔物质),而基性岩浆对金成矿的具体贡献还需进一步研究。
Fig.8
Sulfur isotope distribution of gold deposit in northeast Hunan
5.3 矿床成因
正冲金矿床赋存于冷家溪群浅变质岩中,受NE向断裂和NW向断裂控制,主要矿石矿物为黄铁矿和毒砂,含有少量的黄铜矿和闪锌矿等,与金矿化关系密切的蚀变包括硅化、绢云母化、绿泥石化和碳酸盐化,其成矿流体具有中低温、中低盐度和富CO2的特征,形成深度为7~8 km(Liu et al.,2019;韩亮等,2021),该矿床的形成与三叠纪华南板块和华北板块碰撞关系密切,这些成矿特征与造山型金矿床相似。因此,Liu et al.(2019)和孙思辰(2021)认为正冲金矿床属于造山型金矿。但是,由于成矿物质、流体来源和成矿年龄的不确定性,地球化学特征的多解性,造山型金矿的大陆地壳变质流体成因模式可能不能很好地解释正冲金矿床的成因。
本研究获得的S同位素组成与赋矿围岩冷家溪群的S同位素组成明显不同,具有岩浆硫(或地幔硫)的特征,且冷家溪群主要为浅变质岩,变质程度太低不能直接提供成矿物质来源。因此,正冲金矿床不适用大陆地壳变质流体成因模式。本研究获得的年龄属于晚三叠世,其成矿动力学背景与华南板块印支陆内造山运动有关。在印支运动早期,华南板块与印支板块碰撞后沿秦岭—大别山构造带与华北板块发生碰撞,形成统一的东亚大陆(Carter et al.,2001),华南板块处于挤压构造环境,碰撞使华南形成了大规模的NE和SN向褶皱、逆冲推覆构造及韧性剪切带,伴有小规模的岩浆活动(Wang et al.,2005;Mao et al.,2011;陈世悦等,2011;李三忠等,2011)。在印支运动晚期,由于应力松弛,华南板块由挤压转向伸展,地壳减薄使深部岩浆上侵,在华南板块形成了大量的中酸性花岗岩和基性岩脉(Mao et al.,2011;李三忠等,2011;杨立志等,2018;于玉帅等,2019)。结合前人已有的S同位素、C-O同位素和He-Ar同位素研究结果(黄建中等,2020),认为深部岩浆(或幔源物质)可能提供了金成矿所需要的物质。
Determination of mineralizing ages on gold ore deposits in the Eastern Hunan Province,South China and isotopic tracking on ore-forming fluids—Re-discussing gold ore deposit type
[J].Geotectonica et Metallogenia,32(4):482-491.
FaureM, ShuL D, WangB,et al,2009.
Intracontinental subduction:A possible mechanism for the Early Palaeozoic orogen of SE China
Metallogenic regularity and resource potential of gold deposit of Hunan area in Jiangnan orogenic belt,South China
[J].Acta Geochimica Sinica,41(2):230-252.
JiaDacheng, HuRuizhong, ZhaoJunhong,et al,2003.
Lithogeochemical characteristics of the Mesozoic Granitic intrusion from the Wangxiang area in northeastern Hunan Province and its tectonic setting
[J].Acta Geologica Sinica,77(1):98-103.
JiangXingxiang, LiJian, ZhaoKuo,2016.
Ore-forming material source of Xiaojiashan gold deposit of northeastern Hunan
[J].Land and Resources Guide,13(3):1-7.
LiJianhua, ZhangYueqiao, DongShuwen,et al,2015.
LA-MC-ICPMS zircon U-Pb geochronology of the Hongxiaqiao and Banshanpu granitoids in eastern Hunan Province and its geological implications
[J].Chinese Journal of Earth Sciences,36(2):187-196.
LiPeng, LiuXiang, LiJiankang,et al,2019.
Petrographic and geochemical characteristics of Renli-Chuanziyuan No.5 pe-gmatite,NE Hunan,and its metallogenic age
[J].Acta Geologica Sinica,93(6):1374-1391.
LiRonghua,2020.
Origin of Huangjindong Gold Deposit,Jiangnan Orogen:Constraints from Texture and Composition of Gold-bearing Pyrite
[D].Beijing:China University of Geosciences(Beijing).
LiSanzhong, ZhangGuowei, ZhouLihong,et al,2011.
The opposite Meso-Cenozoic intracontinental deformations under the super-convergence:Rifting and extension in the North China Craton and shortening and thrusting in the South China Craton
[J].Earth Science Frontiers,18(3):79-107.
LiuDerong, WuYanzhi, LiuShinian,1994.
Geochemistry of Wanggu gold deposit
[J].Hunan Geology,13(2):83-90.
LiuLiangming, PengShenling, WuYanzhi,1999.
Genetic features forming vein type gold deposits in northeastern Hunan
[J].Journal of Central South University of Technology(Natural Science Edition),30(1):4-7.
LiuQ Q, ShaoY J, ChenM,et al,2019.
Insights into the genesis of orogenic gold deposits from the Zhengchong gold field,northeastern Hunan Province,China
Geochemical signatures of Huangjindong gold deposit
[J].Geology and Exploration,25(11):43-48.
LiuYingjun, JiJunfeng, SunChengyuan,et al,1991.
Geological and geochemical characteristics of Huangjindong turbidite-hosted gold deposit,Hunan Province
[J].Contributions to Geology and Mineral Resources Research,6(1):1-13.
LuWen, SunJi, ZhouChao,et al,2020.
A study of the source of metallogenic material and characteristics of the ore-forming fluid in the Yanlinsi gold deposit in northeastern Hunan Province
[J].Journal of Earth Sciences,41(3):384-394.
LuoXianlin,1988.
On the genesis and metallogenic model of the Huangjindong gold deposit from Hunan
[J].Journal of Guilin Institute of Metallurgy and Geology,8(3):225-240.
MaoJ R, TakahashiY, KeeW S,et al,2011.
Characteristics and geodynamic evolution of Indosinian magmatism in South China:A case study of the Guikeng plution
Textures,trace element geochemistry and in-situ sulfur isotopes of pyrite from the Xiaojiashan gold deposit,Jiangnan Orogen:Implications for ore genesis
[J].Ore Geology Reviews,144:104843.
TanShimin,2021.
Study on Gold Mineralization in Yanlinsi Area,Northeast Hunan Province
[D].Changsha:Central South University.
WangC, ShaoY J, ZhangX,et al,2020.
Metallogenesis of the Hengjiangchong gold deposit in Jiangnan Orogen,South China
[J].Ore Geology Reviews,118:103350.
WangJ Q, ShuL S, SantoshM,2016.
Petrogenesis and tectonic evolution of Lianyunshan complex,South China:Insights on Neoproterozoic and late Mesozoic tectonic evolution of the central Jiangnan Orogen
LA-ICP-MS zircon geochronology,geochemistry and petrogenesis of the Yajiangqiao and Wufengxian plutons in central Hunan
[C]//Proceedings of the National Symposium on the Construction of Large Uranium Mining Bases (Part I).Beijing:Chinese Nuclear Society.
WangXiaolei, ZhouJincheng, ChenXin,et al,2017.
Formation and evolution of Jiangnan orogen
[J].Bulletin of Mineralogy,Petrology and Geochemistry,36(5):714-735.
WangY J, ZhangF F, FanW M,et al,2010.
Tectonic setting of the South China Block in the Early Paleozoic:Resolving intracontinental and ocean closure models from detrital zircon U-Pb geochronology
Genesis of Huangjindong gold deposit:New evidence for sulfur,lead isotopes and fluid inclusions
[J].Gold,38(10):19-24.
XuD R, DengT, ChiG X,et al,2017.
Gold mineralization in the Jiangnan Orogenic Belt of South China:Geological,geochemical and geochronological characteristics,ore deposit-type and geodynamic setting
Discussion on geological and structural characteristics and associated metallogeny in northeastern Hunan Province,South China
[J].Acta Petrologica Sinica,33(3):695-715.
YangLizhi, WuXiangbin, HuBin,et al,2018.
Geochemistry,geochronology and zircon Hf isotope of Wangxian granodiorite-porphyry in eastern Hunan Province and its geological significance
[J].Journal of Central South University(Science and Technology),49(9):2280-2291.
YiHui, ChenYunhua,2006.
Geochemical evaluation for gold bearing capacity of Lengjiaxi group of northeast Hunan
[J].Mineral Resources and Geology,(Supp.1):472-474.
YuYushuai, DaiPingyun, ZhangWangchi,et al,2019.
Geochronology and petrogenesis of the Yajiangqiao granitic pluton,eastern Hunan Province:Constrains from LA-ICP-MS ziron U-Pb dating,geochemistry and Hf isotopic
[J].Acta Geologica Sinica,93(2):394-413.
ZhanY D, ShaoY J, LiuQ Q,et al,2022.
Hydrothermal rutile U-Pb dating of gold mineralization in the Jiangnan Orogen:A case study of the Hengjiangchong gold deposit in northeastern Hunan
Pyrite textures,trace element and sulfur isotopes of Yanlinsi slate-hosted deposit in the Jiangnan Orogen,South China:Implications for gold mineralization processes
Zircon SHRIPM U-Pb dating of the igneous rocks from Chengbu, Hunan:Constraint on the Neoproterozoic Tectonic evolution of the Jiangnan Orogenic Belt
0
2010
Gold mineralization events of the Jiangnan Orogen in Hunan and their tectonic settings
0
2021
Understanding Mesozoic accretion in Southeast Asia:Significance of Triassic thermotectonism(Indosinian orogeny) in Vietnam
1
2001
... 本研究获得的S同位素组成与赋矿围岩冷家溪群的S同位素组成明显不同,具有岩浆硫(或地幔硫)的特征,且冷家溪群主要为浅变质岩,变质程度太低不能直接提供成矿物质来源.因此,正冲金矿床不适用大陆地壳变质流体成因模式.本研究获得的年龄属于晚三叠世,其成矿动力学背景与华南板块印支陆内造山运动有关.在印支运动早期,华南板块与印支板块碰撞后沿秦岭—大别山构造带与华北板块发生碰撞,形成统一的东亚大陆(Carter et al.,2001),华南板块处于挤压构造环境,碰撞使华南形成了大规模的NE和SN向褶皱、逆冲推覆构造及韧性剪切带,伴有小规模的岩浆活动(Wang et al.,2005;Mao et al.,2011;陈世悦等,2011;李三忠等,2011).在印支运动晚期,由于应力松弛,华南板块由挤压转向伸展,地壳减薄使深部岩浆上侵,在华南板块形成了大量的中酸性花岗岩和基性岩脉(Mao et al.,2011;李三忠等,2011;杨立志等,2018;于玉帅等,2019).结合前人已有的S同位素、C-O同位素和He-Ar同位素研究结果(黄建中等,2020),认为深部岩浆(或幔源物质)可能提供了金成矿所需要的物质. ...
The Unconformable distribution of Caledonian and Indosinian strata in Jiangnan-Xuefeng area
0
2011
Gold mineralization in China:Metallogenic provinces,deposit types and tectonic framework
1
2016
... 江南造山带是由扬子地块和华夏地块在新元古代碰撞拼接形成的(图1)(Wang et al.,2010;Deng et al.,2016;Liu et al.,2019).在早古生代,华南板块发生陆内碰撞,形成了一系列EW向或近EW褶皱、隆起和推覆断层(Wang et al.,2005;舒良树,2006;Faure et al.,2009);在早中生代,华南板块和华北板块碰撞形成一系列逆冲推覆断裂、韧性剪切带和NNE向褶皱,构成了区域基本构造格局(许德如等,2017;周岳强等,2019);在晚中生代,由于古特提斯洋闭合及古太平洋板块俯冲,使早期形成的EW、NW和NNE向构造再次发生活化、改造,形成了以NE(NNE)向为主,NW(EW)向为基础的构造带(张岳桥等,2012;谭华杰,2022),并诱发大量的中生代岩浆岩侵位.漫长而复杂的构造—岩浆活动使江南造山带成为我国重要的金多金属矿床产地之一,目前已发现的金矿床(点)超过250个,金资源量达到970 t(Xu et al.,2017). ...
Geology,geochronology,geochemistry and ore genesis of the Wangu gold deposit in northeastern Hunan Province,Jiangnan Orogen,South China
1
2017
... 注:冷家溪群S同位素数据来自罗献林(1988)、柳德荣等(1994)、刘亮明等(1999);万古金矿δ34S值来自柳德荣等(1994)、Xu et al.(2017)和Deng et al.(2017);黄金洞金矿δ34S值来自夏浩东等(2017)、Zhang et al.(2018);梨树坡金矿δ34S值来自Wang et al.(2022);雁林寺金矿δ34S值来自董国军等(2008)、Zhang et al.(2022);肖家山金矿δ34S值来自Tan et al.(2022);正冲金矿床δ34S值来自本研究以及Liu et al.(2019)、孙思辰(2021) ...
Determination of mineralizing ages on gold ore deposits in the Eastern Hunan Province,South China and isotopic tracking on ore-forming fluids—Re-discussing gold ore deposit type
0
2008
Intracontinental subduction:A possible mechanism for the Early Palaeozoic orogen of SE China
1
2009
... 江南造山带是由扬子地块和华夏地块在新元古代碰撞拼接形成的(图1)(Wang et al.,2010;Deng et al.,2016;Liu et al.,2019).在早古生代,华南板块发生陆内碰撞,形成了一系列EW向或近EW褶皱、隆起和推覆断层(Wang et al.,2005;舒良树,2006;Faure et al.,2009);在早中生代,华南板块和华北板块碰撞形成一系列逆冲推覆断裂、韧性剪切带和NNE向褶皱,构成了区域基本构造格局(许德如等,2017;周岳强等,2019);在晚中生代,由于古特提斯洋闭合及古太平洋板块俯冲,使早期形成的EW、NW和NNE向构造再次发生活化、改造,形成了以NE(NNE)向为主,NW(EW)向为基础的构造带(张岳桥等,2012;谭华杰,2022),并诱发大量的中生代岩浆岩侵位.漫长而复杂的构造—岩浆活动使江南造山带成为我国重要的金多金属矿床产地之一,目前已发现的金矿床(点)超过250个,金资源量达到970 t(Xu et al.,2017). ...
Metallogenic Mechanism of Hengjiangchong Gold Deposit in the Northeastern Hunan Province,China
0
2019
Optimisation of laser and mass spectrometer parameters for the situ analysis of Rb/Sr ratios by LA-ICP-MS/MS
Metallogenic regularity and resource potential of gold deposit of Hunan area in Jiangnan orogenic belt,South China
0
2020
Lithogeochemical characteristics of the Mesozoic Granitic intrusion from the Wangxiang area in northeastern Hunan Province and its tectonic setting
0
2003
Ore-forming material source of Xiaojiashan gold deposit of northeastern Hunan
0
2016
LA-MC-ICPMS zircon U-Pb geochronology of the Hongxiaqiao and Banshanpu granitoids in eastern Hunan Province and its geological implications
0
2015
Petrographic and geochemical characteristics of Renli-Chuanziyuan No.5 pe-gmatite,NE Hunan,and its metallogenic age
0
2019
Origin of Huangjindong Gold Deposit,Jiangnan Orogen:Constraints from Texture and Composition of Gold-bearing Pyrite
0
2020
The opposite Meso-Cenozoic intracontinental deformations under the super-convergence:Rifting and extension in the North China Craton and shortening and thrusting in the South China Craton
0
2011
Geochemistry of Wanggu gold deposit
0
1994
Genetic features forming vein type gold deposits in northeastern Hunan
0
1999
Insights into the genesis of orogenic gold deposits from the Zhengchong gold field,northeastern Hunan Province,China
8
2019
... 湘东北地区位于江南造山带中段,是我国重要的黄金产地之一,金资源储量达250 t(Xu et al.,2017;孙思辰等,2020),金矿床主要以脉状赋存于冷家溪群浅变质岩中,且明显受断裂控制.目前,对于该地区金矿床的成因尚存在很大争议,主要集中在成矿年龄和成矿物质来源的认识上.在成矿年龄方面,前人通过石英流体包裹Rb-Sr等时线法、黑云母(或白云母)Ar-Ar法和白钨矿Sm-Nd等时线法测定的年龄表明,金矿化主要发生在加里东期、印支期和燕山期(罗献林,1988;毛景文等,1997;董国军等,2008;韩凤彬等,2010;周岳强等,2021;孙思辰,2021;Wang et al.,2022;Zhan et al.,2022),但是部分金矿床测得了多期成矿年龄,多阶段矿化的叠加导致湘东北地区金矿床的成因更加复杂.在成矿物质来源方面,部分学者认为其成矿物质可能来源于冷家溪群(刘荫椿,1989;刘亮明等,1999;彭泽华,2012;葛超,2019;Liu et al.,2019;陆文等,2020;韩亮等,2021;Wang et al.,2022)或深部的沉积变质岩(Zhang et al.,2018;李荣华,2020;孙思辰等,2020),还有一些学者认为部分成矿物质可能来源于岩浆,具有混合来源的特点(毛景文等,1997;董国军等,2008;蒋星祥等,2016;夏浩东等,2017).最新研究结果显示,深部岩浆热液对金成矿具有重要的贡献(Tan et al.,2022;Zhang et al.,2022).正冲金矿床是区内分布的典型金矿床,对正冲金矿中的绢云母和黄铁矿进行详细分析,有助于确定成矿年龄和成矿物质来源.为此,本文重点研究了正冲金矿床的石英脉型金矿化,采用LA-MC-ICP-MS分析了正冲金矿床不同成矿阶段中与含金黄铁矿共生的绢云母Rb-Sr同位素和不同世代黄铁矿的S同位素组成,以确定其成矿时代和成矿物质来源,为正冲金矿床及湘东北地区其他金矿床的成因认识提供理论基础. ...
... 江南造山带是由扬子地块和华夏地块在新元古代碰撞拼接形成的(图1)(Wang et al.,2010;Deng et al.,2016;Liu et al.,2019).在早古生代,华南板块发生陆内碰撞,形成了一系列EW向或近EW褶皱、隆起和推覆断层(Wang et al.,2005;舒良树,2006;Faure et al.,2009);在早中生代,华南板块和华北板块碰撞形成一系列逆冲推覆断裂、韧性剪切带和NNE向褶皱,构成了区域基本构造格局(许德如等,2017;周岳强等,2019);在晚中生代,由于古特提斯洋闭合及古太平洋板块俯冲,使早期形成的EW、NW和NNE向构造再次发生活化、改造,形成了以NE(NNE)向为主,NW(EW)向为基础的构造带(张岳桥等,2012;谭华杰,2022),并诱发大量的中生代岩浆岩侵位.漫长而复杂的构造—岩浆活动使江南造山带成为我国重要的金多金属矿床产地之一,目前已发现的金矿床(点)超过250个,金资源量达到970 t(Xu et al.,2017). ...
... 正冲金矿床位于醴陵金矿田,金资源量达到19 t(孙思辰等,2020;韩亮等,2021).矿区内出露地层主要为新元古界冷家溪群浅变质岩(图2),主要由黄浒洞组下段杂砂岩和泥质板岩,黄浒洞组上段砂岩、泥岩和板岩,以及小木坪组下段砂岩和泥质板岩组成(孙思辰等,2020),其中黄浒洞组下段是主要的金矿赋矿层位.矿区内出露有一个花岗岩体,其形成年龄为(435±2.9)Ma,岩体周围具有强烈的热液蚀变,主要有硅化、碳酸盐化、黄铁矿化和毒砂化等,局部可见金矿化.矿区内构造以NE向倒转复式褶皱、NE向断裂和NW向构造蚀变带为特征,矿体严格受NE-NNE向断层和NW向逆断层控制(Liu et al.,2019;孙思辰等,2020).NW向矿体沿走向和深部延长数百米,厚度在几十厘米至十几米之间,倾向为36°~76°,倾角为40°~46°,具有逆断裂控矿的特征,主要发育有V79、V80、V81和V82矿体,其蚀变带宽度达数百米.NE-NNE向矿体(V16、V16-1和V18)沿走向延伸数百米,厚度为0.4~5.4 m,倾向为313°~332°,倾角为48°~50°,具有剪切脉特征. ...
... 地层中成矿元素的含量是决定地层能否提供成矿物质的重要因素,冷家溪群各岩组的金品位为1.09×10-9~52.30×10-9,平均金品位为3.62×10-9,是上地壳丰度值(1.8×10-9)的2倍(刘英俊等,1991;易慧等,2006),为金矿床的形成奠定了良好的基础.前人(Sun et al.,2020;韩亮等,2021)测得正冲金矿床中黄铁矿的Co/Ni比值大部分小于1,表明有地层物质参与成矿,而水岩反应又是正冲金矿的主要沉淀机制,结合部分S、Pb同位素具有变质来源的特征,以及成矿流体主要来源于变质水,部分学者认为金主要来源于地层(Liu et al.,2019;孙思辰,2021). ...
... 硫化物的S同位素由成矿流体中硫的总量、温度、氧逸度和酸碱度等因素决定(Ohmoto,1972),在中低温、还原条件下,硫化物的S同位素值可以近似代表成矿流体中的S同位素值(Ohmoto,1972).黄铁矿和磁黄铁矿[图5(a)]共生表明石英—黄铁矿—自然金阶段的成矿流体是还原性的,而且正冲金矿床成矿温度从早期的266~338 ℃逐渐降低至晚期的232~304 ℃,激光拉曼光谱分析显示包裹体中含有CO2、N2和CH4等气体(Liu et al.,2019;韩亮等,2021),未发现赤铁矿或重晶石、石膏等硫酸盐矿物,表明正冲金矿床的成矿流体是中低温、还原性的.因此,正冲金矿床黄铁矿的δ34S值与成矿流体中的δ34S值相近. ...
... 注:冷家溪群S同位素数据来自罗献林(1988)、柳德荣等(1994)、刘亮明等(1999);万古金矿δ34S值来自柳德荣等(1994)、Xu et al.(2017)和Deng et al.(2017);黄金洞金矿δ34S值来自夏浩东等(2017)、Zhang et al.(2018);梨树坡金矿δ34S值来自Wang et al.(2022);雁林寺金矿δ34S值来自董国军等(2008)、Zhang et al.(2022);肖家山金矿δ34S值来自Tan et al.(2022);正冲金矿床δ34S值来自本研究以及Liu et al.(2019)、孙思辰(2021) ...
... 正冲金矿床赋存于冷家溪群浅变质岩中,受NE向断裂和NW向断裂控制,主要矿石矿物为黄铁矿和毒砂,含有少量的黄铜矿和闪锌矿等,与金矿化关系密切的蚀变包括硅化、绢云母化、绿泥石化和碳酸盐化,其成矿流体具有中低温、中低盐度和富CO2的特征,形成深度为7~8 km(Liu et al.,2019;韩亮等,2021),该矿床的形成与三叠纪华南板块和华北板块碰撞关系密切,这些成矿特征与造山型金矿床相似.因此,Liu et al.(2019)和孙思辰(2021)认为正冲金矿床属于造山型金矿.但是,由于成矿物质、流体来源和成矿年龄的不确定性,地球化学特征的多解性,造山型金矿的大陆地壳变质流体成因模式可能不能很好地解释正冲金矿床的成因. ...
... ),该矿床的形成与三叠纪华南板块和华北板块碰撞关系密切,这些成矿特征与造山型金矿床相似.因此,Liu et al.(2019)和孙思辰(2021)认为正冲金矿床属于造山型金矿.但是,由于成矿物质、流体来源和成矿年龄的不确定性,地球化学特征的多解性,造山型金矿的大陆地壳变质流体成因模式可能不能很好地解释正冲金矿床的成因. ...
Geochemical signatures of Huangjindong gold deposit
0
1989
Geological and geochemical characteristics of Huangjindong turbidite-hosted gold deposit,Hunan Province
0
1991
A study of the source of metallogenic material and characteristics of the ore-forming fluid in the Yanlinsi gold deposit in northeastern Hunan Province
0
2020
On the genesis and metallogenic model of the Huangjindong gold deposit from Hunan
0
1988
Characteristics and geodynamic evolution of Indosinian magmatism in South China:A case study of the Guikeng plution
2
2011
... 本研究获得的S同位素组成与赋矿围岩冷家溪群的S同位素组成明显不同,具有岩浆硫(或地幔硫)的特征,且冷家溪群主要为浅变质岩,变质程度太低不能直接提供成矿物质来源.因此,正冲金矿床不适用大陆地壳变质流体成因模式.本研究获得的年龄属于晚三叠世,其成矿动力学背景与华南板块印支陆内造山运动有关.在印支运动早期,华南板块与印支板块碰撞后沿秦岭—大别山构造带与华北板块发生碰撞,形成统一的东亚大陆(Carter et al.,2001),华南板块处于挤压构造环境,碰撞使华南形成了大规模的NE和SN向褶皱、逆冲推覆构造及韧性剪切带,伴有小规模的岩浆活动(Wang et al.,2005;Mao et al.,2011;陈世悦等,2011;李三忠等,2011).在印支运动晚期,由于应力松弛,华南板块由挤压转向伸展,地壳减薄使深部岩浆上侵,在华南板块形成了大量的中酸性花岗岩和基性岩脉(Mao et al.,2011;李三忠等,2011;杨立志等,2018;于玉帅等,2019).结合前人已有的S同位素、C-O同位素和He-Ar同位素研究结果(黄建中等,2020),认为深部岩浆(或幔源物质)可能提供了金成矿所需要的物质. ...
... ).在印支运动晚期,由于应力松弛,华南板块由挤压转向伸展,地壳减薄使深部岩浆上侵,在华南板块形成了大量的中酸性花岗岩和基性岩脉(Mao et al.,2011;李三忠等,2011;杨立志等,2018;于玉帅等,2019).结合前人已有的S同位素、C-O同位素和He-Ar同位素研究结果(黄建中等,2020),认为深部岩浆(或幔源物质)可能提供了金成矿所需要的物质. ...
Research on genesis of the gold deposits in the Jiangnan Terrain
0
1997
Systematics of sulfur and carbon isotopes in hydrothermal ore deposits
2
1972
... 硫化物的S同位素由成矿流体中硫的总量、温度、氧逸度和酸碱度等因素决定(Ohmoto,1972),在中低温、还原条件下,硫化物的S同位素值可以近似代表成矿流体中的S同位素值(Ohmoto,1972).黄铁矿和磁黄铁矿[图5(a)]共生表明石英—黄铁矿—自然金阶段的成矿流体是还原性的,而且正冲金矿床成矿温度从早期的266~338 ℃逐渐降低至晚期的232~304 ℃,激光拉曼光谱分析显示包裹体中含有CO2、N2和CH4等气体(Liu et al.,2019;韩亮等,2021),未发现赤铁矿或重晶石、石膏等硫酸盐矿物,表明正冲金矿床的成矿流体是中低温、还原性的.因此,正冲金矿床黄铁矿的δ34S值与成矿流体中的δ34S值相近. ...
... ),在中低温、还原条件下,硫化物的S同位素值可以近似代表成矿流体中的S同位素值(Ohmoto,1972).黄铁矿和磁黄铁矿[图5(a)]共生表明石英—黄铁矿—自然金阶段的成矿流体是还原性的,而且正冲金矿床成矿温度从早期的266~338 ℃逐渐降低至晚期的232~304 ℃,激光拉曼光谱分析显示包裹体中含有CO2、N2和CH4等气体(Liu et al.,2019;韩亮等,2021),未发现赤铁矿或重晶石、石膏等硫酸盐矿物,表明正冲金矿床的成矿流体是中低温、还原性的.因此,正冲金矿床黄铁矿的δ34S值与成矿流体中的δ34S值相近. ...
Stable isotope geochemistry of ore deposits
1
1986
... 本研究测得的石英—黄铁矿—自然金阶段的S同位素值(Py1:-3.86‰~1.03‰,平均值为-1.3‰)和石英—黄铁矿—毒砂多金属硫化物阶段的S同位素值(Py2a:-1.43‰~1.51‰,平均值为0.24‰;Py2b:-3.21‰~1.95‰,平均值为0.83‰)范围较窄,表明其具有一致的硫来源,具有地幔硫或岩浆硫(δ34S=0±5%)的特点(Ohmoto,1986;Seal,2006).成矿晚期的S同位素值略高于早期,可能是由于成矿后期水岩反应影响较弱,导致成矿晚期黄铁矿的S同位素值显示微弱的向右偏移.许多学者通过载金矿物的S同位素来研究湘东北地区金矿床的成矿物质来源(图8),但是大部分采用单矿物溶样法的S同位素分析方法,由于黄铁矿复杂的内部结构和多期次、多世代性,以往的黄铁矿S同位素δ34S值往往是混合值,并不能真正反映真实的S同位素值.这导致有些矿床被认为其成矿物质来源于冷家溪群,有些矿床其硫源具有深部岩浆来源的特征.正冲金矿床的黄铁矿原位δ34S值为-3.86~1.95,与肖家山金矿主成矿阶段黄铁矿的δ34S值(-2.5‰~-1.0‰)(Tan et al.,2022)、雁林寺黄铁矿和毒砂的δ34S值(-2.7‰~-1.5‰、-1.7‰~-0.4‰)(董国军等,2008;Zhang et al.,2022)相似,且明显高于冷家溪群中黄铁矿的δ34S值(-13.1‰~-6.3‰)(罗献林,1988;柳德荣等,1994;刘亮明等,1999),这些金矿床主要形成于印支期,且被认为有岩浆流体的参与.另有研究显示,矿区内花岗岩的年龄为(435±2.9)Ma,形成于加里东期,而金成矿发生在印支期,未发现与成矿同时期的中酸性岩浆事件.相邻的团山背和肖家山金矿区内发育有与金成矿事件相近的基性岩脉,团山背矿区辉绿岩脉的锆石原位U-Pb年龄为(225.6±1.7)Ma(谭仕敏,2021),肖家山矿区辉绿岩脉的锆石原位U-Pb年龄为(221.5±0.8)Ma(谭华杰,2022).结合该地区未发现印支期的中酸性岩浆岩,但发育有大量印支期的辉绿岩脉,且认为辉绿岩可能来源于地幔.因此,认为正冲金矿床的成矿流体可能主要来源于深部岩浆(或地幔物质),而基性岩浆对金成矿的具体贡献还需进一步研究. ...
Uplift process of Mufushan and thermochronology of Wangxiang granites in northeastern Hunan Province
0
2004
The Geological Characteristics and Metallogenic Prognosis of Xiaojiashan Gold Deposit in Liling,Hunan Province
0
2012
Sulfur isotope geochemistry of sulfide minerals
1
2006
... 本研究测得的石英—黄铁矿—自然金阶段的S同位素值(Py1:-3.86‰~1.03‰,平均值为-1.3‰)和石英—黄铁矿—毒砂多金属硫化物阶段的S同位素值(Py2a:-1.43‰~1.51‰,平均值为0.24‰;Py2b:-3.21‰~1.95‰,平均值为0.83‰)范围较窄,表明其具有一致的硫来源,具有地幔硫或岩浆硫(δ34S=0±5%)的特点(Ohmoto,1986;Seal,2006).成矿晚期的S同位素值略高于早期,可能是由于成矿后期水岩反应影响较弱,导致成矿晚期黄铁矿的S同位素值显示微弱的向右偏移.许多学者通过载金矿物的S同位素来研究湘东北地区金矿床的成矿物质来源(图8),但是大部分采用单矿物溶样法的S同位素分析方法,由于黄铁矿复杂的内部结构和多期次、多世代性,以往的黄铁矿S同位素δ34S值往往是混合值,并不能真正反映真实的S同位素值.这导致有些矿床被认为其成矿物质来源于冷家溪群,有些矿床其硫源具有深部岩浆来源的特征.正冲金矿床的黄铁矿原位δ34S值为-3.86~1.95,与肖家山金矿主成矿阶段黄铁矿的δ34S值(-2.5‰~-1.0‰)(Tan et al.,2022)、雁林寺黄铁矿和毒砂的δ34S值(-2.7‰~-1.5‰、-1.7‰~-0.4‰)(董国军等,2008;Zhang et al.,2022)相似,且明显高于冷家溪群中黄铁矿的δ34S值(-13.1‰~-6.3‰)(罗献林,1988;柳德荣等,1994;刘亮明等,1999),这些金矿床主要形成于印支期,且被认为有岩浆流体的参与.另有研究显示,矿区内花岗岩的年龄为(435±2.9)Ma,形成于加里东期,而金成矿发生在印支期,未发现与成矿同时期的中酸性岩浆事件.相邻的团山背和肖家山金矿区内发育有与金成矿事件相近的基性岩脉,团山背矿区辉绿岩脉的锆石原位U-Pb年龄为(225.6±1.7)Ma(谭仕敏,2021),肖家山矿区辉绿岩脉的锆石原位U-Pb年龄为(221.5±0.8)Ma(谭华杰,2022).结合该地区未发现印支期的中酸性岩浆岩,但发育有大量印支期的辉绿岩脉,且认为辉绿岩可能来源于地幔.因此,认为正冲金矿床的成矿流体可能主要来源于深部岩浆(或地幔物质),而基性岩浆对金成矿的具体贡献还需进一步研究. ...
Predevonian tectonic evolution of South China:From Cathaysia Block to Caledonian period folded orogenic belt
0
2006
Paleo-structural stress field in Xuefengsahn tectonic belt,South China
0
2013
Metallogenic Model of Zhengchong Gold Deposit,Jiangnan Orogenic
0
2021
Origin of Zhengchong gold deposit,northeastern Hunan Province,China:Constraints from sulfur and lead isotopes
3
2020
... 正冲金矿床位于醴陵金矿田,金资源量达到19 t(孙思辰等,2020;韩亮等,2021).矿区内出露地层主要为新元古界冷家溪群浅变质岩(图2),主要由黄浒洞组下段杂砂岩和泥质板岩,黄浒洞组上段砂岩、泥岩和板岩,以及小木坪组下段砂岩和泥质板岩组成(孙思辰等,2020),其中黄浒洞组下段是主要的金矿赋矿层位.矿区内出露有一个花岗岩体,其形成年龄为(435±2.9)Ma,岩体周围具有强烈的热液蚀变,主要有硅化、碳酸盐化、黄铁矿化和毒砂化等,局部可见金矿化.矿区内构造以NE向倒转复式褶皱、NE向断裂和NW向构造蚀变带为特征,矿体严格受NE-NNE向断层和NW向逆断层控制(Liu et al.,2019;孙思辰等,2020).NW向矿体沿走向和深部延长数百米,厚度在几十厘米至十几米之间,倾向为36°~76°,倾角为40°~46°,具有逆断裂控矿的特征,主要发育有V79、V80、V81和V82矿体,其蚀变带宽度达数百米.NE-NNE向矿体(V16、V16-1和V18)沿走向延伸数百米,厚度为0.4~5.4 m,倾向为313°~332°,倾角为48°~50°,具有剪切脉特征.
正冲金矿床地质图(a)及82号钻孔勘探线(A-B)剖面图(b)(修改自Sun et al.,2020)
... 1.新元古界小木坪组;2.新元古界黄浒洞组上段;3.新元古界黄浒洞组下段;4.花岗岩;5.蚀变花岗岩;6.巷道;7.勘探线;8.倒转背斜;9.断层;10.蚀变带;11.矿体;12.样品位置Geological map(a) and exploration line profile(b) of borehole 82 of Zhengchong gold deposit(modified after Sun et al.,2020)Fig.2
... 地层中成矿元素的含量是决定地层能否提供成矿物质的重要因素,冷家溪群各岩组的金品位为1.09×10-9~52.30×10-9,平均金品位为3.62×10-9,是上地壳丰度值(1.8×10-9)的2倍(刘英俊等,1991;易慧等,2006),为金矿床的形成奠定了良好的基础.前人(Sun et al.,2020;韩亮等,2021)测得正冲金矿床中黄铁矿的Co/Ni比值大部分小于1,表明有地层物质参与成矿,而水岩反应又是正冲金矿的主要沉淀机制,结合部分S、Pb同位素具有变质来源的特征,以及成矿流体主要来源于变质水,部分学者认为金主要来源于地层(Liu et al.,2019;孙思辰,2021). ...
In-situ trace elements on pyrite and arsenopyrite of the Zhengchong gold deposit,Jiangnan Orogen:Insights for the mineralization mechanism
0
2020
Gold Metallogenesis in Northeastern Hunan,Jiangnan Orogen:A Case Study on the Xiaojiashan Gold Deposit
4
2022
... 湘东北地区位于江南造山带中段,是我国重要的黄金产地之一,金资源储量达250 t(Xu et al.,2017;孙思辰等,2020),金矿床主要以脉状赋存于冷家溪群浅变质岩中,且明显受断裂控制.目前,对于该地区金矿床的成因尚存在很大争议,主要集中在成矿年龄和成矿物质来源的认识上.在成矿年龄方面,前人通过石英流体包裹Rb-Sr等时线法、黑云母(或白云母)Ar-Ar法和白钨矿Sm-Nd等时线法测定的年龄表明,金矿化主要发生在加里东期、印支期和燕山期(罗献林,1988;毛景文等,1997;董国军等,2008;韩凤彬等,2010;周岳强等,2021;孙思辰,2021;Wang et al.,2022;Zhan et al.,2022),但是部分金矿床测得了多期成矿年龄,多阶段矿化的叠加导致湘东北地区金矿床的成因更加复杂.在成矿物质来源方面,部分学者认为其成矿物质可能来源于冷家溪群(刘荫椿,1989;刘亮明等,1999;彭泽华,2012;葛超,2019;Liu et al.,2019;陆文等,2020;韩亮等,2021;Wang et al.,2022)或深部的沉积变质岩(Zhang et al.,2018;李荣华,2020;孙思辰等,2020),还有一些学者认为部分成矿物质可能来源于岩浆,具有混合来源的特点(毛景文等,1997;董国军等,2008;蒋星祥等,2016;夏浩东等,2017).最新研究结果显示,深部岩浆热液对金成矿具有重要的贡献(Tan et al.,2022;Zhang et al.,2022).正冲金矿床是区内分布的典型金矿床,对正冲金矿中的绢云母和黄铁矿进行详细分析,有助于确定成矿年龄和成矿物质来源.为此,本文重点研究了正冲金矿床的石英脉型金矿化,采用LA-MC-ICP-MS分析了正冲金矿床不同成矿阶段中与含金黄铁矿共生的绢云母Rb-Sr同位素和不同世代黄铁矿的S同位素组成,以确定其成矿时代和成矿物质来源,为正冲金矿床及湘东北地区其他金矿床的成因认识提供理论基础. ...
... 由于本区内经历了多次构造运动,形成了以NE(NNE)向为主、EW(NW)向为辅的构造岩浆带.NE(NNE)向深大断裂主要为长沙—平江断裂、新宁—灰汤断裂和醴陵—衡东断裂带,控制着湘东北地区基本构造格局(Xu et al.,2017;Zhou et al.,2021),与NNE向褶皱带构成了湘东北地区“两隆三盆”的“盆—岭”构造(Xu et al.,2017).近EW向韧性剪切带以望湘—平江韧性剪切带、连云山岩体南侧韧性剪切带和官桥—浏阳韧性剪切带为主,金矿床主要分布于NE(NNE)向断裂带和近EW向韧性剪切带交会部位(Zhang et al.,2019;孙思辰等,2020),正冲金矿床位于长沙—平江断裂与醴陵—衡东断裂带之间,且受雁林寺韧性剪切带控制(Tan et al.,2022). ...
... 本研究测得的石英—黄铁矿—自然金阶段的S同位素值(Py1:-3.86‰~1.03‰,平均值为-1.3‰)和石英—黄铁矿—毒砂多金属硫化物阶段的S同位素值(Py2a:-1.43‰~1.51‰,平均值为0.24‰;Py2b:-3.21‰~1.95‰,平均值为0.83‰)范围较窄,表明其具有一致的硫来源,具有地幔硫或岩浆硫(δ34S=0±5%)的特点(Ohmoto,1986;Seal,2006).成矿晚期的S同位素值略高于早期,可能是由于成矿后期水岩反应影响较弱,导致成矿晚期黄铁矿的S同位素值显示微弱的向右偏移.许多学者通过载金矿物的S同位素来研究湘东北地区金矿床的成矿物质来源(图8),但是大部分采用单矿物溶样法的S同位素分析方法,由于黄铁矿复杂的内部结构和多期次、多世代性,以往的黄铁矿S同位素δ34S值往往是混合值,并不能真正反映真实的S同位素值.这导致有些矿床被认为其成矿物质来源于冷家溪群,有些矿床其硫源具有深部岩浆来源的特征.正冲金矿床的黄铁矿原位δ34S值为-3.86~1.95,与肖家山金矿主成矿阶段黄铁矿的δ34S值(-2.5‰~-1.0‰)(Tan et al.,2022)、雁林寺黄铁矿和毒砂的δ34S值(-2.7‰~-1.5‰、-1.7‰~-0.4‰)(董国军等,2008;Zhang et al.,2022)相似,且明显高于冷家溪群中黄铁矿的δ34S值(-13.1‰~-6.3‰)(罗献林,1988;柳德荣等,1994;刘亮明等,1999),这些金矿床主要形成于印支期,且被认为有岩浆流体的参与.另有研究显示,矿区内花岗岩的年龄为(435±2.9)Ma,形成于加里东期,而金成矿发生在印支期,未发现与成矿同时期的中酸性岩浆事件.相邻的团山背和肖家山金矿区内发育有与金成矿事件相近的基性岩脉,团山背矿区辉绿岩脉的锆石原位U-Pb年龄为(225.6±1.7)Ma(谭仕敏,2021),肖家山矿区辉绿岩脉的锆石原位U-Pb年龄为(221.5±0.8)Ma(谭华杰,2022).结合该地区未发现印支期的中酸性岩浆岩,但发育有大量印支期的辉绿岩脉,且认为辉绿岩可能来源于地幔.因此,认为正冲金矿床的成矿流体可能主要来源于深部岩浆(或地幔物质),而基性岩浆对金成矿的具体贡献还需进一步研究. ...
... 注:冷家溪群S同位素数据来自罗献林(1988)、柳德荣等(1994)、刘亮明等(1999);万古金矿δ34S值来自柳德荣等(1994)、Xu et al.(2017)和Deng et al.(2017);黄金洞金矿δ34S值来自夏浩东等(2017)、Zhang et al.(2018);梨树坡金矿δ34S值来自Wang et al.(2022);雁林寺金矿δ34S值来自董国军等(2008)、Zhang et al.(2022);肖家山金矿δ34S值来自Tan et al.(2022);正冲金矿床δ34S值来自本研究以及Liu et al.(2019)、孙思辰(2021) ...
Textures,trace element geochemistry and in-situ sulfur isotopes of pyrite from the Xiaojiashan gold deposit,Jiangnan Orogen:Implications for ore genesis
0
2022
Study on Gold Mineralization in Yanlinsi Area,Northeast Hunan Province
0
2021
Metallogenesis of the Hengjiangchong gold deposit in Jiangnan Orogen,South China
0
2020
Petrogenesis and tectonic evolution of Lianyunshan complex,South China:Insights on Neoproterozoic and late Mesozoic tectonic evolution of the central Jiangnan Orogen
1
2016
... 区域内岩浆活动强烈,具有新元古代、加里东期、印支期和燕山期多期次活动的特征.九岭复式岩体西延部分(大围山地区)侵位于冷家溪群,其年龄为830~800 Ma(柏道远等,2010;王孝磊等,2017).区内南部的板衫铺花岗岩体和宏夏桥花岗岩体侵入时间为423~421 Ma,形成于加里东挤压造山环境中(关义立等,2013;李建华等,2015).印支期岩体在该地区出露较少,主要有丫江桥花岗岩体[(220.5±2.1)Ma](王凯兴等,2012)和王仙花岗闪长斑岩[(224.7±4.4)Ma](杨立志等,2018).燕山期花岗岩在湘东北地区分布最广泛,主要有幕阜山花岗岩体(142.9~127.7 Ma)、连云山花岗岩体(152~140 Ma)、望湘花岗岩体(约147 Ma)和金井花岗岩体(145 Ma)(贾大成等,2003;彭和求等,2004;Wang et al.,2016; Xu et al.,2017;李鹏等,2019). ...
LA-ICP-MS zircon geochronology,geochemistry and petrogenesis of the Yajiangqiao and Wufengxian plutons in central Hunan
0
2012
Formation and evolution of Jiangnan orogen
0
2017
Tectonic setting of the South China Block in the Early Paleozoic:Resolving intracontinental and ocean closure models from detrital zircon U-Pb geochronology
1
2010
... 江南造山带是由扬子地块和华夏地块在新元古代碰撞拼接形成的(图1)(Wang et al.,2010;Deng et al.,2016;Liu et al.,2019).在早古生代,华南板块发生陆内碰撞,形成了一系列EW向或近EW褶皱、隆起和推覆断层(Wang et al.,2005;舒良树,2006;Faure et al.,2009);在早中生代,华南板块和华北板块碰撞形成一系列逆冲推覆断裂、韧性剪切带和NNE向褶皱,构成了区域基本构造格局(许德如等,2017;周岳强等,2019);在晚中生代,由于古特提斯洋闭合及古太平洋板块俯冲,使早期形成的EW、NW和NNE向构造再次发生活化、改造,形成了以NE(NNE)向为主,NW(EW)向为基础的构造带(张岳桥等,2012;谭华杰,2022),并诱发大量的中生代岩浆岩侵位.漫长而复杂的构造—岩浆活动使江南造山带成为我国重要的金多金属矿床产地之一,目前已发现的金矿床(点)超过250个,金资源量达到970 t(Xu et al.,2017). ...
Structural signatures and 40Ar/ 39Ar geochronology of the Indosinian Xuefengshan tectonic belt,South China Block
2
2005
... 江南造山带是由扬子地块和华夏地块在新元古代碰撞拼接形成的(图1)(Wang et al.,2010;Deng et al.,2016;Liu et al.,2019).在早古生代,华南板块发生陆内碰撞,形成了一系列EW向或近EW褶皱、隆起和推覆断层(Wang et al.,2005;舒良树,2006;Faure et al.,2009);在早中生代,华南板块和华北板块碰撞形成一系列逆冲推覆断裂、韧性剪切带和NNE向褶皱,构成了区域基本构造格局(许德如等,2017;周岳强等,2019);在晚中生代,由于古特提斯洋闭合及古太平洋板块俯冲,使早期形成的EW、NW和NNE向构造再次发生活化、改造,形成了以NE(NNE)向为主,NW(EW)向为基础的构造带(张岳桥等,2012;谭华杰,2022),并诱发大量的中生代岩浆岩侵位.漫长而复杂的构造—岩浆活动使江南造山带成为我国重要的金多金属矿床产地之一,目前已发现的金矿床(点)超过250个,金资源量达到970 t(Xu et al.,2017). ...
... 本研究获得的S同位素组成与赋矿围岩冷家溪群的S同位素组成明显不同,具有岩浆硫(或地幔硫)的特征,且冷家溪群主要为浅变质岩,变质程度太低不能直接提供成矿物质来源.因此,正冲金矿床不适用大陆地壳变质流体成因模式.本研究获得的年龄属于晚三叠世,其成矿动力学背景与华南板块印支陆内造山运动有关.在印支运动早期,华南板块与印支板块碰撞后沿秦岭—大别山构造带与华北板块发生碰撞,形成统一的东亚大陆(Carter et al.,2001),华南板块处于挤压构造环境,碰撞使华南形成了大规模的NE和SN向褶皱、逆冲推覆构造及韧性剪切带,伴有小规模的岩浆活动(Wang et al.,2005;Mao et al.,2011;陈世悦等,2011;李三忠等,2011).在印支运动晚期,由于应力松弛,华南板块由挤压转向伸展,地壳减薄使深部岩浆上侵,在华南板块形成了大量的中酸性花岗岩和基性岩脉(Mao et al.,2011;李三忠等,2011;杨立志等,2018;于玉帅等,2019).结合前人已有的S同位素、C-O同位素和He-Ar同位素研究结果(黄建中等,2020),认为深部岩浆(或幔源物质)可能提供了金成矿所需要的物质. ...
Genesis of the Lishupo gold deposit in the Jiangnan Orogen,NE Hunan (South China):Biotite Ar-Ar,zircon U-Pb ages and H-O-S-Pb isotopic constraints
4
2022
... 湘东北地区位于江南造山带中段,是我国重要的黄金产地之一,金资源储量达250 t(Xu et al.,2017;孙思辰等,2020),金矿床主要以脉状赋存于冷家溪群浅变质岩中,且明显受断裂控制.目前,对于该地区金矿床的成因尚存在很大争议,主要集中在成矿年龄和成矿物质来源的认识上.在成矿年龄方面,前人通过石英流体包裹Rb-Sr等时线法、黑云母(或白云母)Ar-Ar法和白钨矿Sm-Nd等时线法测定的年龄表明,金矿化主要发生在加里东期、印支期和燕山期(罗献林,1988;毛景文等,1997;董国军等,2008;韩凤彬等,2010;周岳强等,2021;孙思辰,2021;Wang et al.,2022;Zhan et al.,2022),但是部分金矿床测得了多期成矿年龄,多阶段矿化的叠加导致湘东北地区金矿床的成因更加复杂.在成矿物质来源方面,部分学者认为其成矿物质可能来源于冷家溪群(刘荫椿,1989;刘亮明等,1999;彭泽华,2012;葛超,2019;Liu et al.,2019;陆文等,2020;韩亮等,2021;Wang et al.,2022)或深部的沉积变质岩(Zhang et al.,2018;李荣华,2020;孙思辰等,2020),还有一些学者认为部分成矿物质可能来源于岩浆,具有混合来源的特点(毛景文等,1997;董国军等,2008;蒋星祥等,2016;夏浩东等,2017).最新研究结果显示,深部岩浆热液对金成矿具有重要的贡献(Tan et al.,2022;Zhang et al.,2022).正冲金矿床是区内分布的典型金矿床,对正冲金矿中的绢云母和黄铁矿进行详细分析,有助于确定成矿年龄和成矿物质来源.为此,本文重点研究了正冲金矿床的石英脉型金矿化,采用LA-MC-ICP-MS分析了正冲金矿床不同成矿阶段中与含金黄铁矿共生的绢云母Rb-Sr同位素和不同世代黄铁矿的S同位素组成,以确定其成矿时代和成矿物质来源,为正冲金矿床及湘东北地区其他金矿床的成因认识提供理论基础. ...
... ;Wang et al.,2022)或深部的沉积变质岩(Zhang et al.,2018;李荣华,2020;孙思辰等,2020),还有一些学者认为部分成矿物质可能来源于岩浆,具有混合来源的特点(毛景文等,1997;董国军等,2008;蒋星祥等,2016;夏浩东等,2017).最新研究结果显示,深部岩浆热液对金成矿具有重要的贡献(Tan et al.,2022;Zhang et al.,2022).正冲金矿床是区内分布的典型金矿床,对正冲金矿中的绢云母和黄铁矿进行详细分析,有助于确定成矿年龄和成矿物质来源.为此,本文重点研究了正冲金矿床的石英脉型金矿化,采用LA-MC-ICP-MS分析了正冲金矿床不同成矿阶段中与含金黄铁矿共生的绢云母Rb-Sr同位素和不同世代黄铁矿的S同位素组成,以确定其成矿时代和成矿物质来源,为正冲金矿床及湘东北地区其他金矿床的成因认识提供理论基础. ...
... 尽管前人通过白云母40Ar/39Ar法获得了正冲金矿床的成矿年龄,但是,由于云母单矿物在挑选过程中可能会混入其他来源的物质,这在一定程度上可能会影响测试结果.本研究通过绢云母的原位Rb-Sr法,能够较好地避免其他物质对测试结果的影响,结果显示绢云母Rb-Sr年龄与前人的白云母Ar-Ar年龄基本一致.因此,本研究在重新厘定正冲金成矿年龄的同时,也验证了前人白云母Ar-Ar年龄的可靠性.此外,前人针对湘东北地区金矿床的年龄也开展了大量研究,获得了大量的年龄.Xu et al.(2017)认为江南造山带存在早古生代(423~397 Ma)、侏罗纪(176~170 Ma)和早白垩世(144~130 Ma)3期成矿,金矿化主要形成于加里东期和燕山期;黄建中等(2020)认为江南造山带湖南段金矿床主要形成于加里东期和印支期;柏道远等(2021)认为除了加里东期和印支期外,还有中晚燕山期成矿作用.近年来,有大量关于湘东北地区的年龄成果文献发表.如:梨树坡金矿中黑云母Ar-Ar同位素坪年龄为(208.67±1.25)Ma(Wang et al.,2022),肖家山金矿中金红石U-Pb加权平均年龄为(216.88±0.28)Ma(谭华杰,2022),团山背金矿中NE向石英脉中独居石U-Pb等时线年龄为(234.3±1.1)Ma(谭仕敏,2021),正冲金矿床中白云母 40Ar/39Ar同位素年龄为(220.5±0.2)~(211.6±0.6)Ma(孙思辰,2021).结合本研究获得的正冲金矿床的成矿年龄[(219.1±6.0) Ma、(215.8±7.7) Ma],进一步证明了晚三叠世(230~210 Ma)是湘东北重要的金成矿期. ...
... 注:冷家溪群S同位素数据来自罗献林(1988)、柳德荣等(1994)、刘亮明等(1999);万古金矿δ34S值来自柳德荣等(1994)、Xu et al.(2017)和Deng et al.(2017);黄金洞金矿δ34S值来自夏浩东等(2017)、Zhang et al.(2018);梨树坡金矿δ34S值来自Wang et al.(2022);雁林寺金矿δ34S值来自董国军等(2008)、Zhang et al.(2022);肖家山金矿δ34S值来自Tan et al.(2022);正冲金矿床δ34S值来自本研究以及Liu et al.(2019)、孙思辰(2021) ...
Genesis of Huangjindong gold deposit:New evidence for sulfur,lead isotopes and fluid inclusions
0
2017
Gold mineralization in the Jiangnan Orogenic Belt of South China:Geological,geochemical and geochronological characteristics,ore deposit-type and geodynamic setting
9
2017
... 湘东北地区位于江南造山带中段,是我国重要的黄金产地之一,金资源储量达250 t(Xu et al.,2017;孙思辰等,2020),金矿床主要以脉状赋存于冷家溪群浅变质岩中,且明显受断裂控制.目前,对于该地区金矿床的成因尚存在很大争议,主要集中在成矿年龄和成矿物质来源的认识上.在成矿年龄方面,前人通过石英流体包裹Rb-Sr等时线法、黑云母(或白云母)Ar-Ar法和白钨矿Sm-Nd等时线法测定的年龄表明,金矿化主要发生在加里东期、印支期和燕山期(罗献林,1988;毛景文等,1997;董国军等,2008;韩凤彬等,2010;周岳强等,2021;孙思辰,2021;Wang et al.,2022;Zhan et al.,2022),但是部分金矿床测得了多期成矿年龄,多阶段矿化的叠加导致湘东北地区金矿床的成因更加复杂.在成矿物质来源方面,部分学者认为其成矿物质可能来源于冷家溪群(刘荫椿,1989;刘亮明等,1999;彭泽华,2012;葛超,2019;Liu et al.,2019;陆文等,2020;韩亮等,2021;Wang et al.,2022)或深部的沉积变质岩(Zhang et al.,2018;李荣华,2020;孙思辰等,2020),还有一些学者认为部分成矿物质可能来源于岩浆,具有混合来源的特点(毛景文等,1997;董国军等,2008;蒋星祥等,2016;夏浩东等,2017).最新研究结果显示,深部岩浆热液对金成矿具有重要的贡献(Tan et al.,2022;Zhang et al.,2022).正冲金矿床是区内分布的典型金矿床,对正冲金矿中的绢云母和黄铁矿进行详细分析,有助于确定成矿年龄和成矿物质来源.为此,本文重点研究了正冲金矿床的石英脉型金矿化,采用LA-MC-ICP-MS分析了正冲金矿床不同成矿阶段中与含金黄铁矿共生的绢云母Rb-Sr同位素和不同世代黄铁矿的S同位素组成,以确定其成矿时代和成矿物质来源,为正冲金矿床及湘东北地区其他金矿床的成因认识提供理论基础. ...
... 江南造山带是由扬子地块和华夏地块在新元古代碰撞拼接形成的(图1)(Wang et al.,2010;Deng et al.,2016;Liu et al.,2019).在早古生代,华南板块发生陆内碰撞,形成了一系列EW向或近EW褶皱、隆起和推覆断层(Wang et al.,2005;舒良树,2006;Faure et al.,2009);在早中生代,华南板块和华北板块碰撞形成一系列逆冲推覆断裂、韧性剪切带和NNE向褶皱,构成了区域基本构造格局(许德如等,2017;周岳强等,2019);在晚中生代,由于古特提斯洋闭合及古太平洋板块俯冲,使早期形成的EW、NW和NNE向构造再次发生活化、改造,形成了以NE(NNE)向为主,NW(EW)向为基础的构造带(张岳桥等,2012;谭华杰,2022),并诱发大量的中生代岩浆岩侵位.漫长而复杂的构造—岩浆活动使江南造山带成为我国重要的金多金属矿床产地之一,目前已发现的金矿床(点)超过250个,金资源量达到970 t(Xu et al.,2017). ...
... Ⅰ-洞庭断陷盆地;Ⅱ-幕阜山—紫云山断隆;Ⅲ-长沙—平江断陷盆地;Ⅳ-连云山—衡阳断隆;Ⅴ-醴陵—攸县断陷盆地;1.第四系—白垩系砂岩、砾岩和杂砂岩;2.中三叠—中泥盆统碳酸盐岩、砂岩和粉砂岩;3.志留—震旦系页岩、砾岩和板岩;4.新元古界板溪群碎屑沉积物;5.新元古界冷家溪群浅变质浊积岩;6.新太古界—古元古界连云山群角闪岩—麻粒岩相变质岩;7.晚中生代岩浆岩;8.早中生代岩浆岩;9.早古生代岩浆岩;10.新元古代岩浆岩;11.实测或推断断层;12.韧性剪切带;13.金矿床(点);14.研究区位置Regional geological map of Northeast Hunan (modified after Xu et al.,2017)Fig.1
... 区域内岩浆活动强烈,具有新元古代、加里东期、印支期和燕山期多期次活动的特征.九岭复式岩体西延部分(大围山地区)侵位于冷家溪群,其年龄为830~800 Ma(柏道远等,2010;王孝磊等,2017).区内南部的板衫铺花岗岩体和宏夏桥花岗岩体侵入时间为423~421 Ma,形成于加里东挤压造山环境中(关义立等,2013;李建华等,2015).印支期岩体在该地区出露较少,主要有丫江桥花岗岩体[(220.5±2.1)Ma](王凯兴等,2012)和王仙花岗闪长斑岩[(224.7±4.4)Ma](杨立志等,2018).燕山期花岗岩在湘东北地区分布最广泛,主要有幕阜山花岗岩体(142.9~127.7 Ma)、连云山花岗岩体(152~140 Ma)、望湘花岗岩体(约147 Ma)和金井花岗岩体(145 Ma)(贾大成等,2003;彭和求等,2004;Wang et al.,2016; Xu et al.,2017;李鹏等,2019). ...
... 由于本区内经历了多次构造运动,形成了以NE(NNE)向为主、EW(NW)向为辅的构造岩浆带.NE(NNE)向深大断裂主要为长沙—平江断裂、新宁—灰汤断裂和醴陵—衡东断裂带,控制着湘东北地区基本构造格局(Xu et al.,2017;Zhou et al.,2021),与NNE向褶皱带构成了湘东北地区“两隆三盆”的“盆—岭”构造(Xu et al.,2017).近EW向韧性剪切带以望湘—平江韧性剪切带、连云山岩体南侧韧性剪切带和官桥—浏阳韧性剪切带为主,金矿床主要分布于NE(NNE)向断裂带和近EW向韧性剪切带交会部位(Zhang et al.,2019;孙思辰等,2020),正冲金矿床位于长沙—平江断裂与醴陵—衡东断裂带之间,且受雁林寺韧性剪切带控制(Tan et al.,2022). ...
... ),与NNE向褶皱带构成了湘东北地区“两隆三盆”的“盆—岭”构造(Xu et al.,2017).近EW向韧性剪切带以望湘—平江韧性剪切带、连云山岩体南侧韧性剪切带和官桥—浏阳韧性剪切带为主,金矿床主要分布于NE(NNE)向断裂带和近EW向韧性剪切带交会部位(Zhang et al.,2019;孙思辰等,2020),正冲金矿床位于长沙—平江断裂与醴陵—衡东断裂带之间,且受雁林寺韧性剪切带控制(Tan et al.,2022). ...
... 尽管前人通过白云母40Ar/39Ar法获得了正冲金矿床的成矿年龄,但是,由于云母单矿物在挑选过程中可能会混入其他来源的物质,这在一定程度上可能会影响测试结果.本研究通过绢云母的原位Rb-Sr法,能够较好地避免其他物质对测试结果的影响,结果显示绢云母Rb-Sr年龄与前人的白云母Ar-Ar年龄基本一致.因此,本研究在重新厘定正冲金成矿年龄的同时,也验证了前人白云母Ar-Ar年龄的可靠性.此外,前人针对湘东北地区金矿床的年龄也开展了大量研究,获得了大量的年龄.Xu et al.(2017)认为江南造山带存在早古生代(423~397 Ma)、侏罗纪(176~170 Ma)和早白垩世(144~130 Ma)3期成矿,金矿化主要形成于加里东期和燕山期;黄建中等(2020)认为江南造山带湖南段金矿床主要形成于加里东期和印支期;柏道远等(2021)认为除了加里东期和印支期外,还有中晚燕山期成矿作用.近年来,有大量关于湘东北地区的年龄成果文献发表.如:梨树坡金矿中黑云母Ar-Ar同位素坪年龄为(208.67±1.25)Ma(Wang et al.,2022),肖家山金矿中金红石U-Pb加权平均年龄为(216.88±0.28)Ma(谭华杰,2022),团山背金矿中NE向石英脉中独居石U-Pb等时线年龄为(234.3±1.1)Ma(谭仕敏,2021),正冲金矿床中白云母 40Ar/39Ar同位素年龄为(220.5±0.2)~(211.6±0.6)Ma(孙思辰,2021).结合本研究获得的正冲金矿床的成矿年龄[(219.1±6.0) Ma、(215.8±7.7) Ma],进一步证明了晚三叠世(230~210 Ma)是湘东北重要的金成矿期. ...
... 注:冷家溪群S同位素数据来自罗献林(1988)、柳德荣等(1994)、刘亮明等(1999);万古金矿δ34S值来自柳德荣等(1994)、Xu et al.(2017)和Deng et al.(2017);黄金洞金矿δ34S值来自夏浩东等(2017)、Zhang et al.(2018);梨树坡金矿δ34S值来自Wang et al.(2022);雁林寺金矿δ34S值来自董国军等(2008)、Zhang et al.(2022);肖家山金矿δ34S值来自Tan et al.(2022);正冲金矿床δ34S值来自本研究以及Liu et al.(2019)、孙思辰(2021) ...
Discussion on geological and structural characteristics and associated metallogeny in northeastern Hunan Province,South China
0
2017
Geochemistry,geochronology and zircon Hf isotope of Wangxian granodiorite-porphyry in eastern Hunan Province and its geological significance
0
2018
Geochemical evaluation for gold bearing capacity of Lengjiaxi group of northeast Hunan
0
2006
Geochronology and petrogenesis of the Yajiangqiao granitic pluton,eastern Hunan Province:Constrains from LA-ICP-MS ziron U-Pb dating,geochemistry and Hf isotopic
0
2019
Hydrothermal rutile U-Pb dating of gold mineralization in the Jiangnan Orogen:A case study of the Hengjiangchong gold deposit in northeastern Hunan
1
2022
... 湘东北地区位于江南造山带中段,是我国重要的黄金产地之一,金资源储量达250 t(Xu et al.,2017;孙思辰等,2020),金矿床主要以脉状赋存于冷家溪群浅变质岩中,且明显受断裂控制.目前,对于该地区金矿床的成因尚存在很大争议,主要集中在成矿年龄和成矿物质来源的认识上.在成矿年龄方面,前人通过石英流体包裹Rb-Sr等时线法、黑云母(或白云母)Ar-Ar法和白钨矿Sm-Nd等时线法测定的年龄表明,金矿化主要发生在加里东期、印支期和燕山期(罗献林,1988;毛景文等,1997;董国军等,2008;韩凤彬等,2010;周岳强等,2021;孙思辰,2021;Wang et al.,2022;Zhan et al.,2022),但是部分金矿床测得了多期成矿年龄,多阶段矿化的叠加导致湘东北地区金矿床的成因更加复杂.在成矿物质来源方面,部分学者认为其成矿物质可能来源于冷家溪群(刘荫椿,1989;刘亮明等,1999;彭泽华,2012;葛超,2019;Liu et al.,2019;陆文等,2020;韩亮等,2021;Wang et al.,2022)或深部的沉积变质岩(Zhang et al.,2018;李荣华,2020;孙思辰等,2020),还有一些学者认为部分成矿物质可能来源于岩浆,具有混合来源的特点(毛景文等,1997;董国军等,2008;蒋星祥等,2016;夏浩东等,2017).最新研究结果显示,深部岩浆热液对金成矿具有重要的贡献(Tan et al.,2022;Zhang et al.,2022).正冲金矿床是区内分布的典型金矿床,对正冲金矿中的绢云母和黄铁矿进行详细分析,有助于确定成矿年龄和成矿物质来源.为此,本文重点研究了正冲金矿床的石英脉型金矿化,采用LA-MC-ICP-MS分析了正冲金矿床不同成矿阶段中与含金黄铁矿共生的绢云母Rb-Sr同位素和不同世代黄铁矿的S同位素组成,以确定其成矿时代和成矿物质来源,为正冲金矿床及湘东北地区其他金矿床的成因认识提供理论基础. ...
Evidence of fluid evolution of Baoshan Cu-Pb-Zn polymetallic deposit:Constraints from in-situ sulfur isotope and trace element compositions of pyrite
Geological and H-O-S-Pb sotopic constraints on ore genesis,Huangjindong gold deposit,Jiangnan Orogen,southern China
2
2018
... 湘东北地区位于江南造山带中段,是我国重要的黄金产地之一,金资源储量达250 t(Xu et al.,2017;孙思辰等,2020),金矿床主要以脉状赋存于冷家溪群浅变质岩中,且明显受断裂控制.目前,对于该地区金矿床的成因尚存在很大争议,主要集中在成矿年龄和成矿物质来源的认识上.在成矿年龄方面,前人通过石英流体包裹Rb-Sr等时线法、黑云母(或白云母)Ar-Ar法和白钨矿Sm-Nd等时线法测定的年龄表明,金矿化主要发生在加里东期、印支期和燕山期(罗献林,1988;毛景文等,1997;董国军等,2008;韩凤彬等,2010;周岳强等,2021;孙思辰,2021;Wang et al.,2022;Zhan et al.,2022),但是部分金矿床测得了多期成矿年龄,多阶段矿化的叠加导致湘东北地区金矿床的成因更加复杂.在成矿物质来源方面,部分学者认为其成矿物质可能来源于冷家溪群(刘荫椿,1989;刘亮明等,1999;彭泽华,2012;葛超,2019;Liu et al.,2019;陆文等,2020;韩亮等,2021;Wang et al.,2022)或深部的沉积变质岩(Zhang et al.,2018;李荣华,2020;孙思辰等,2020),还有一些学者认为部分成矿物质可能来源于岩浆,具有混合来源的特点(毛景文等,1997;董国军等,2008;蒋星祥等,2016;夏浩东等,2017).最新研究结果显示,深部岩浆热液对金成矿具有重要的贡献(Tan et al.,2022;Zhang et al.,2022).正冲金矿床是区内分布的典型金矿床,对正冲金矿中的绢云母和黄铁矿进行详细分析,有助于确定成矿年龄和成矿物质来源.为此,本文重点研究了正冲金矿床的石英脉型金矿化,采用LA-MC-ICP-MS分析了正冲金矿床不同成矿阶段中与含金黄铁矿共生的绢云母Rb-Sr同位素和不同世代黄铁矿的S同位素组成,以确定其成矿时代和成矿物质来源,为正冲金矿床及湘东北地区其他金矿床的成因认识提供理论基础. ...
... 注:冷家溪群S同位素数据来自罗献林(1988)、柳德荣等(1994)、刘亮明等(1999);万古金矿δ34S值来自柳德荣等(1994)、Xu et al.(2017)和Deng et al.(2017);黄金洞金矿δ34S值来自夏浩东等(2017)、Zhang et al.(2018);梨树坡金矿δ34S值来自Wang et al.(2022);雁林寺金矿δ34S值来自董国军等(2008)、Zhang et al.(2022);肖家山金矿δ34S值来自Tan et al.(2022);正冲金矿床δ34S值来自本研究以及Liu et al.(2019)、孙思辰(2021) ...
An overview of timing and structural geometry of gold,gold-antimony and antimony mineralization in the Jiangnan Orogen,southern China
1
2019
... 由于本区内经历了多次构造运动,形成了以NE(NNE)向为主、EW(NW)向为辅的构造岩浆带.NE(NNE)向深大断裂主要为长沙—平江断裂、新宁—灰汤断裂和醴陵—衡东断裂带,控制着湘东北地区基本构造格局(Xu et al.,2017;Zhou et al.,2021),与NNE向褶皱带构成了湘东北地区“两隆三盆”的“盆—岭”构造(Xu et al.,2017).近EW向韧性剪切带以望湘—平江韧性剪切带、连云山岩体南侧韧性剪切带和官桥—浏阳韧性剪切带为主,金矿床主要分布于NE(NNE)向断裂带和近EW向韧性剪切带交会部位(Zhang et al.,2019;孙思辰等,2020),正冲金矿床位于长沙—平江断裂与醴陵—衡东断裂带之间,且受雁林寺韧性剪切带控制(Tan et al.,2022). ...
Pyrite textures,trace element and sulfur isotopes of Yanlinsi slate-hosted deposit in the Jiangnan Orogen,South China:Implications for gold mineralization processes
3
2022
... 湘东北地区位于江南造山带中段,是我国重要的黄金产地之一,金资源储量达250 t(Xu et al.,2017;孙思辰等,2020),金矿床主要以脉状赋存于冷家溪群浅变质岩中,且明显受断裂控制.目前,对于该地区金矿床的成因尚存在很大争议,主要集中在成矿年龄和成矿物质来源的认识上.在成矿年龄方面,前人通过石英流体包裹Rb-Sr等时线法、黑云母(或白云母)Ar-Ar法和白钨矿Sm-Nd等时线法测定的年龄表明,金矿化主要发生在加里东期、印支期和燕山期(罗献林,1988;毛景文等,1997;董国军等,2008;韩凤彬等,2010;周岳强等,2021;孙思辰,2021;Wang et al.,2022;Zhan et al.,2022),但是部分金矿床测得了多期成矿年龄,多阶段矿化的叠加导致湘东北地区金矿床的成因更加复杂.在成矿物质来源方面,部分学者认为其成矿物质可能来源于冷家溪群(刘荫椿,1989;刘亮明等,1999;彭泽华,2012;葛超,2019;Liu et al.,2019;陆文等,2020;韩亮等,2021;Wang et al.,2022)或深部的沉积变质岩(Zhang et al.,2018;李荣华,2020;孙思辰等,2020),还有一些学者认为部分成矿物质可能来源于岩浆,具有混合来源的特点(毛景文等,1997;董国军等,2008;蒋星祥等,2016;夏浩东等,2017).最新研究结果显示,深部岩浆热液对金成矿具有重要的贡献(Tan et al.,2022;Zhang et al.,2022).正冲金矿床是区内分布的典型金矿床,对正冲金矿中的绢云母和黄铁矿进行详细分析,有助于确定成矿年龄和成矿物质来源.为此,本文重点研究了正冲金矿床的石英脉型金矿化,采用LA-MC-ICP-MS分析了正冲金矿床不同成矿阶段中与含金黄铁矿共生的绢云母Rb-Sr同位素和不同世代黄铁矿的S同位素组成,以确定其成矿时代和成矿物质来源,为正冲金矿床及湘东北地区其他金矿床的成因认识提供理论基础. ...
... 本研究测得的石英—黄铁矿—自然金阶段的S同位素值(Py1:-3.86‰~1.03‰,平均值为-1.3‰)和石英—黄铁矿—毒砂多金属硫化物阶段的S同位素值(Py2a:-1.43‰~1.51‰,平均值为0.24‰;Py2b:-3.21‰~1.95‰,平均值为0.83‰)范围较窄,表明其具有一致的硫来源,具有地幔硫或岩浆硫(δ34S=0±5%)的特点(Ohmoto,1986;Seal,2006).成矿晚期的S同位素值略高于早期,可能是由于成矿后期水岩反应影响较弱,导致成矿晚期黄铁矿的S同位素值显示微弱的向右偏移.许多学者通过载金矿物的S同位素来研究湘东北地区金矿床的成矿物质来源(图8),但是大部分采用单矿物溶样法的S同位素分析方法,由于黄铁矿复杂的内部结构和多期次、多世代性,以往的黄铁矿S同位素δ34S值往往是混合值,并不能真正反映真实的S同位素值.这导致有些矿床被认为其成矿物质来源于冷家溪群,有些矿床其硫源具有深部岩浆来源的特征.正冲金矿床的黄铁矿原位δ34S值为-3.86~1.95,与肖家山金矿主成矿阶段黄铁矿的δ34S值(-2.5‰~-1.0‰)(Tan et al.,2022)、雁林寺黄铁矿和毒砂的δ34S值(-2.7‰~-1.5‰、-1.7‰~-0.4‰)(董国军等,2008;Zhang et al.,2022)相似,且明显高于冷家溪群中黄铁矿的δ34S值(-13.1‰~-6.3‰)(罗献林,1988;柳德荣等,1994;刘亮明等,1999),这些金矿床主要形成于印支期,且被认为有岩浆流体的参与.另有研究显示,矿区内花岗岩的年龄为(435±2.9)Ma,形成于加里东期,而金成矿发生在印支期,未发现与成矿同时期的中酸性岩浆事件.相邻的团山背和肖家山金矿区内发育有与金成矿事件相近的基性岩脉,团山背矿区辉绿岩脉的锆石原位U-Pb年龄为(225.6±1.7)Ma(谭仕敏,2021),肖家山矿区辉绿岩脉的锆石原位U-Pb年龄为(221.5±0.8)Ma(谭华杰,2022).结合该地区未发现印支期的中酸性岩浆岩,但发育有大量印支期的辉绿岩脉,且认为辉绿岩可能来源于地幔.因此,认为正冲金矿床的成矿流体可能主要来源于深部岩浆(或地幔物质),而基性岩浆对金成矿的具体贡献还需进一步研究. ...
... 注:冷家溪群S同位素数据来自罗献林(1988)、柳德荣等(1994)、刘亮明等(1999);万古金矿δ34S值来自柳德荣等(1994)、Xu et al.(2017)和Deng et al.(2017);黄金洞金矿δ34S值来自夏浩东等(2017)、Zhang et al.(2018);梨树坡金矿δ34S值来自Wang et al.(2022);雁林寺金矿δ34S值来自董国军等(2008)、Zhang et al.(2022);肖家山金矿δ34S值来自Tan et al.(2022);正冲金矿床δ34S值来自本研究以及Liu et al.(2019)、孙思辰(2021) ...
The new progress in the study of mesozoic tectonics of South China
0
2012
Scheelite Sm-Nd age of the Huangjindong Au deposit in Hunan and its geological significance
1
2021
... 由于本区内经历了多次构造运动,形成了以NE(NNE)向为主、EW(NW)向为辅的构造岩浆带.NE(NNE)向深大断裂主要为长沙—平江断裂、新宁—灰汤断裂和醴陵—衡东断裂带,控制着湘东北地区基本构造格局(Xu et al.,2017;Zhou et al.,2021),与NNE向褶皱带构成了湘东北地区“两隆三盆”的“盆—岭”构造(Xu et al.,2017).近EW向韧性剪切带以望湘—平江韧性剪切带、连云山岩体南侧韧性剪切带和官桥—浏阳韧性剪切带为主,金矿床主要分布于NE(NNE)向断裂带和近EW向韧性剪切带交会部位(Zhang et al.,2019;孙思辰等,2020),正冲金矿床位于长沙—平江断裂与醴陵—衡东断裂带之间,且受雁林寺韧性剪切带控制(Tan et al.,2022). ...
Structural evolution of the Changsha-Pingjiang Fault Zone and its controlling on mineralization
0
2019
The role of structural reactivation for gold mineralization in northeastern Hunan Province,South China
0
2021
湖南城步火成岩锆石SHRIMP U-Pb年龄及其对江南造山带新元古代构造演化的约束
1
2010
... 区域内岩浆活动强烈,具有新元古代、加里东期、印支期和燕山期多期次活动的特征.九岭复式岩体西延部分(大围山地区)侵位于冷家溪群,其年龄为830~800 Ma(柏道远等,2010;王孝磊等,2017).区内南部的板衫铺花岗岩体和宏夏桥花岗岩体侵入时间为423~421 Ma,形成于加里东挤压造山环境中(关义立等,2013;李建华等,2015).印支期岩体在该地区出露较少,主要有丫江桥花岗岩体[(220.5±2.1)Ma](王凯兴等,2012)和王仙花岗闪长斑岩[(224.7±4.4)Ma](杨立志等,2018).燕山期花岗岩在湘东北地区分布最广泛,主要有幕阜山花岗岩体(142.9~127.7 Ma)、连云山花岗岩体(152~140 Ma)、望湘花岗岩体(约147 Ma)和金井花岗岩体(145 Ma)(贾大成等,2003;彭和求等,2004;Wang et al.,2016; Xu et al.,2017;李鹏等,2019). ...
江南造山带湖南段金矿成矿事件及其构造背景
1
2021
... 尽管前人通过白云母40Ar/39Ar法获得了正冲金矿床的成矿年龄,但是,由于云母单矿物在挑选过程中可能会混入其他来源的物质,这在一定程度上可能会影响测试结果.本研究通过绢云母的原位Rb-Sr法,能够较好地避免其他物质对测试结果的影响,结果显示绢云母Rb-Sr年龄与前人的白云母Ar-Ar年龄基本一致.因此,本研究在重新厘定正冲金成矿年龄的同时,也验证了前人白云母Ar-Ar年龄的可靠性.此外,前人针对湘东北地区金矿床的年龄也开展了大量研究,获得了大量的年龄.Xu et al.(2017)认为江南造山带存在早古生代(423~397 Ma)、侏罗纪(176~170 Ma)和早白垩世(144~130 Ma)3期成矿,金矿化主要形成于加里东期和燕山期;黄建中等(2020)认为江南造山带湖南段金矿床主要形成于加里东期和印支期;柏道远等(2021)认为除了加里东期和印支期外,还有中晚燕山期成矿作用.近年来,有大量关于湘东北地区的年龄成果文献发表.如:梨树坡金矿中黑云母Ar-Ar同位素坪年龄为(208.67±1.25)Ma(Wang et al.,2022),肖家山金矿中金红石U-Pb加权平均年龄为(216.88±0.28)Ma(谭华杰,2022),团山背金矿中NE向石英脉中独居石U-Pb等时线年龄为(234.3±1.1)Ma(谭仕敏,2021),正冲金矿床中白云母 40Ar/39Ar同位素年龄为(220.5±0.2)~(211.6±0.6)Ma(孙思辰,2021).结合本研究获得的正冲金矿床的成矿年龄[(219.1±6.0) Ma、(215.8±7.7) Ma],进一步证明了晚三叠世(230~210 Ma)是湘东北重要的金成矿期. ...
江南—雪峰地区加里东期和印支期不整合分布规律
1
2011
... 本研究获得的S同位素组成与赋矿围岩冷家溪群的S同位素组成明显不同,具有岩浆硫(或地幔硫)的特征,且冷家溪群主要为浅变质岩,变质程度太低不能直接提供成矿物质来源.因此,正冲金矿床不适用大陆地壳变质流体成因模式.本研究获得的年龄属于晚三叠世,其成矿动力学背景与华南板块印支陆内造山运动有关.在印支运动早期,华南板块与印支板块碰撞后沿秦岭—大别山构造带与华北板块发生碰撞,形成统一的东亚大陆(Carter et al.,2001),华南板块处于挤压构造环境,碰撞使华南形成了大规模的NE和SN向褶皱、逆冲推覆构造及韧性剪切带,伴有小规模的岩浆活动(Wang et al.,2005;Mao et al.,2011;陈世悦等,2011;李三忠等,2011).在印支运动晚期,由于应力松弛,华南板块由挤压转向伸展,地壳减薄使深部岩浆上侵,在华南板块形成了大量的中酸性花岗岩和基性岩脉(Mao et al.,2011;李三忠等,2011;杨立志等,2018;于玉帅等,2019).结合前人已有的S同位素、C-O同位素和He-Ar同位素研究结果(黄建中等,2020),认为深部岩浆(或幔源物质)可能提供了金成矿所需要的物质. ...
湘东地区金矿床矿化年龄的测定及含矿流体来源的示踪——兼论矿床成因类型
4
2008
... 湘东北地区位于江南造山带中段,是我国重要的黄金产地之一,金资源储量达250 t(Xu et al.,2017;孙思辰等,2020),金矿床主要以脉状赋存于冷家溪群浅变质岩中,且明显受断裂控制.目前,对于该地区金矿床的成因尚存在很大争议,主要集中在成矿年龄和成矿物质来源的认识上.在成矿年龄方面,前人通过石英流体包裹Rb-Sr等时线法、黑云母(或白云母)Ar-Ar法和白钨矿Sm-Nd等时线法测定的年龄表明,金矿化主要发生在加里东期、印支期和燕山期(罗献林,1988;毛景文等,1997;董国军等,2008;韩凤彬等,2010;周岳强等,2021;孙思辰,2021;Wang et al.,2022;Zhan et al.,2022),但是部分金矿床测得了多期成矿年龄,多阶段矿化的叠加导致湘东北地区金矿床的成因更加复杂.在成矿物质来源方面,部分学者认为其成矿物质可能来源于冷家溪群(刘荫椿,1989;刘亮明等,1999;彭泽华,2012;葛超,2019;Liu et al.,2019;陆文等,2020;韩亮等,2021;Wang et al.,2022)或深部的沉积变质岩(Zhang et al.,2018;李荣华,2020;孙思辰等,2020),还有一些学者认为部分成矿物质可能来源于岩浆,具有混合来源的特点(毛景文等,1997;董国军等,2008;蒋星祥等,2016;夏浩东等,2017).最新研究结果显示,深部岩浆热液对金成矿具有重要的贡献(Tan et al.,2022;Zhang et al.,2022).正冲金矿床是区内分布的典型金矿床,对正冲金矿中的绢云母和黄铁矿进行详细分析,有助于确定成矿年龄和成矿物质来源.为此,本文重点研究了正冲金矿床的石英脉型金矿化,采用LA-MC-ICP-MS分析了正冲金矿床不同成矿阶段中与含金黄铁矿共生的绢云母Rb-Sr同位素和不同世代黄铁矿的S同位素组成,以确定其成矿时代和成矿物质来源,为正冲金矿床及湘东北地区其他金矿床的成因认识提供理论基础. ...
... ;董国军等,2008;蒋星祥等,2016;夏浩东等,2017).最新研究结果显示,深部岩浆热液对金成矿具有重要的贡献(Tan et al.,2022;Zhang et al.,2022).正冲金矿床是区内分布的典型金矿床,对正冲金矿中的绢云母和黄铁矿进行详细分析,有助于确定成矿年龄和成矿物质来源.为此,本文重点研究了正冲金矿床的石英脉型金矿化,采用LA-MC-ICP-MS分析了正冲金矿床不同成矿阶段中与含金黄铁矿共生的绢云母Rb-Sr同位素和不同世代黄铁矿的S同位素组成,以确定其成矿时代和成矿物质来源,为正冲金矿床及湘东北地区其他金矿床的成因认识提供理论基础. ...
... 本研究测得的石英—黄铁矿—自然金阶段的S同位素值(Py1:-3.86‰~1.03‰,平均值为-1.3‰)和石英—黄铁矿—毒砂多金属硫化物阶段的S同位素值(Py2a:-1.43‰~1.51‰,平均值为0.24‰;Py2b:-3.21‰~1.95‰,平均值为0.83‰)范围较窄,表明其具有一致的硫来源,具有地幔硫或岩浆硫(δ34S=0±5%)的特点(Ohmoto,1986;Seal,2006).成矿晚期的S同位素值略高于早期,可能是由于成矿后期水岩反应影响较弱,导致成矿晚期黄铁矿的S同位素值显示微弱的向右偏移.许多学者通过载金矿物的S同位素来研究湘东北地区金矿床的成矿物质来源(图8),但是大部分采用单矿物溶样法的S同位素分析方法,由于黄铁矿复杂的内部结构和多期次、多世代性,以往的黄铁矿S同位素δ34S值往往是混合值,并不能真正反映真实的S同位素值.这导致有些矿床被认为其成矿物质来源于冷家溪群,有些矿床其硫源具有深部岩浆来源的特征.正冲金矿床的黄铁矿原位δ34S值为-3.86~1.95,与肖家山金矿主成矿阶段黄铁矿的δ34S值(-2.5‰~-1.0‰)(Tan et al.,2022)、雁林寺黄铁矿和毒砂的δ34S值(-2.7‰~-1.5‰、-1.7‰~-0.4‰)(董国军等,2008;Zhang et al.,2022)相似,且明显高于冷家溪群中黄铁矿的δ34S值(-13.1‰~-6.3‰)(罗献林,1988;柳德荣等,1994;刘亮明等,1999),这些金矿床主要形成于印支期,且被认为有岩浆流体的参与.另有研究显示,矿区内花岗岩的年龄为(435±2.9)Ma,形成于加里东期,而金成矿发生在印支期,未发现与成矿同时期的中酸性岩浆事件.相邻的团山背和肖家山金矿区内发育有与金成矿事件相近的基性岩脉,团山背矿区辉绿岩脉的锆石原位U-Pb年龄为(225.6±1.7)Ma(谭仕敏,2021),肖家山矿区辉绿岩脉的锆石原位U-Pb年龄为(221.5±0.8)Ma(谭华杰,2022).结合该地区未发现印支期的中酸性岩浆岩,但发育有大量印支期的辉绿岩脉,且认为辉绿岩可能来源于地幔.因此,认为正冲金矿床的成矿流体可能主要来源于深部岩浆(或地幔物质),而基性岩浆对金成矿的具体贡献还需进一步研究. ...
... 注:冷家溪群S同位素数据来自罗献林(1988)、柳德荣等(1994)、刘亮明等(1999);万古金矿δ34S值来自柳德荣等(1994)、Xu et al.(2017)和Deng et al.(2017);黄金洞金矿δ34S值来自夏浩东等(2017)、Zhang et al.(2018);梨树坡金矿δ34S值来自Wang et al.(2022);雁林寺金矿δ34S值来自董国军等(2008)、Zhang et al.(2022);肖家山金矿δ34S值来自Tan et al.(2022);正冲金矿床δ34S值来自本研究以及Liu et al.(2019)、孙思辰(2021) ...
湘东北地区横江冲金矿床成矿机理研究
1
2019
... 湘东北地区位于江南造山带中段,是我国重要的黄金产地之一,金资源储量达250 t(Xu et al.,2017;孙思辰等,2020),金矿床主要以脉状赋存于冷家溪群浅变质岩中,且明显受断裂控制.目前,对于该地区金矿床的成因尚存在很大争议,主要集中在成矿年龄和成矿物质来源的认识上.在成矿年龄方面,前人通过石英流体包裹Rb-Sr等时线法、黑云母(或白云母)Ar-Ar法和白钨矿Sm-Nd等时线法测定的年龄表明,金矿化主要发生在加里东期、印支期和燕山期(罗献林,1988;毛景文等,1997;董国军等,2008;韩凤彬等,2010;周岳强等,2021;孙思辰,2021;Wang et al.,2022;Zhan et al.,2022),但是部分金矿床测得了多期成矿年龄,多阶段矿化的叠加导致湘东北地区金矿床的成因更加复杂.在成矿物质来源方面,部分学者认为其成矿物质可能来源于冷家溪群(刘荫椿,1989;刘亮明等,1999;彭泽华,2012;葛超,2019;Liu et al.,2019;陆文等,2020;韩亮等,2021;Wang et al.,2022)或深部的沉积变质岩(Zhang et al.,2018;李荣华,2020;孙思辰等,2020),还有一些学者认为部分成矿物质可能来源于岩浆,具有混合来源的特点(毛景文等,1997;董国军等,2008;蒋星祥等,2016;夏浩东等,2017).最新研究结果显示,深部岩浆热液对金成矿具有重要的贡献(Tan et al.,2022;Zhang et al.,2022).正冲金矿床是区内分布的典型金矿床,对正冲金矿中的绢云母和黄铁矿进行详细分析,有助于确定成矿年龄和成矿物质来源.为此,本文重点研究了正冲金矿床的石英脉型金矿化,采用LA-MC-ICP-MS分析了正冲金矿床不同成矿阶段中与含金黄铁矿共生的绢云母Rb-Sr同位素和不同世代黄铁矿的S同位素组成,以确定其成矿时代和成矿物质来源,为正冲金矿床及湘东北地区其他金矿床的成因认识提供理论基础. ...
华南地块东部早古生代的陆内造山作用:来自Ⅰ型花岗岩的启示
1
2013
... 区域内岩浆活动强烈,具有新元古代、加里东期、印支期和燕山期多期次活动的特征.九岭复式岩体西延部分(大围山地区)侵位于冷家溪群,其年龄为830~800 Ma(柏道远等,2010;王孝磊等,2017).区内南部的板衫铺花岗岩体和宏夏桥花岗岩体侵入时间为423~421 Ma,形成于加里东挤压造山环境中(关义立等,2013;李建华等,2015).印支期岩体在该地区出露较少,主要有丫江桥花岗岩体[(220.5±2.1)Ma](王凯兴等,2012)和王仙花岗闪长斑岩[(224.7±4.4)Ma](杨立志等,2018).燕山期花岗岩在湘东北地区分布最广泛,主要有幕阜山花岗岩体(142.9~127.7 Ma)、连云山花岗岩体(152~140 Ma)、望湘花岗岩体(约147 Ma)和金井花岗岩体(145 Ma)(贾大成等,2003;彭和求等,2004;Wang et al.,2016; Xu et al.,2017;李鹏等,2019). ...
湘东北地区金矿成矿时代研究
1
2010
... 湘东北地区位于江南造山带中段,是我国重要的黄金产地之一,金资源储量达250 t(Xu et al.,2017;孙思辰等,2020),金矿床主要以脉状赋存于冷家溪群浅变质岩中,且明显受断裂控制.目前,对于该地区金矿床的成因尚存在很大争议,主要集中在成矿年龄和成矿物质来源的认识上.在成矿年龄方面,前人通过石英流体包裹Rb-Sr等时线法、黑云母(或白云母)Ar-Ar法和白钨矿Sm-Nd等时线法测定的年龄表明,金矿化主要发生在加里东期、印支期和燕山期(罗献林,1988;毛景文等,1997;董国军等,2008;韩凤彬等,2010;周岳强等,2021;孙思辰,2021;Wang et al.,2022;Zhan et al.,2022),但是部分金矿床测得了多期成矿年龄,多阶段矿化的叠加导致湘东北地区金矿床的成因更加复杂.在成矿物质来源方面,部分学者认为其成矿物质可能来源于冷家溪群(刘荫椿,1989;刘亮明等,1999;彭泽华,2012;葛超,2019;Liu et al.,2019;陆文等,2020;韩亮等,2021;Wang et al.,2022)或深部的沉积变质岩(Zhang et al.,2018;李荣华,2020;孙思辰等,2020),还有一些学者认为部分成矿物质可能来源于岩浆,具有混合来源的特点(毛景文等,1997;董国军等,2008;蒋星祥等,2016;夏浩东等,2017).最新研究结果显示,深部岩浆热液对金成矿具有重要的贡献(Tan et al.,2022;Zhang et al.,2022).正冲金矿床是区内分布的典型金矿床,对正冲金矿中的绢云母和黄铁矿进行详细分析,有助于确定成矿年龄和成矿物质来源.为此,本文重点研究了正冲金矿床的石英脉型金矿化,采用LA-MC-ICP-MS分析了正冲金矿床不同成矿阶段中与含金黄铁矿共生的绢云母Rb-Sr同位素和不同世代黄铁矿的S同位素组成,以确定其成矿时代和成矿物质来源,为正冲金矿床及湘东北地区其他金矿床的成因认识提供理论基础. ...
江南造山带中段正冲金矿矿床成因:来自流体包裹体和黄铁矿微量元素的证据
5
2021
... 湘东北地区位于江南造山带中段,是我国重要的黄金产地之一,金资源储量达250 t(Xu et al.,2017;孙思辰等,2020),金矿床主要以脉状赋存于冷家溪群浅变质岩中,且明显受断裂控制.目前,对于该地区金矿床的成因尚存在很大争议,主要集中在成矿年龄和成矿物质来源的认识上.在成矿年龄方面,前人通过石英流体包裹Rb-Sr等时线法、黑云母(或白云母)Ar-Ar法和白钨矿Sm-Nd等时线法测定的年龄表明,金矿化主要发生在加里东期、印支期和燕山期(罗献林,1988;毛景文等,1997;董国军等,2008;韩凤彬等,2010;周岳强等,2021;孙思辰,2021;Wang et al.,2022;Zhan et al.,2022),但是部分金矿床测得了多期成矿年龄,多阶段矿化的叠加导致湘东北地区金矿床的成因更加复杂.在成矿物质来源方面,部分学者认为其成矿物质可能来源于冷家溪群(刘荫椿,1989;刘亮明等,1999;彭泽华,2012;葛超,2019;Liu et al.,2019;陆文等,2020;韩亮等,2021;Wang et al.,2022)或深部的沉积变质岩(Zhang et al.,2018;李荣华,2020;孙思辰等,2020),还有一些学者认为部分成矿物质可能来源于岩浆,具有混合来源的特点(毛景文等,1997;董国军等,2008;蒋星祥等,2016;夏浩东等,2017).最新研究结果显示,深部岩浆热液对金成矿具有重要的贡献(Tan et al.,2022;Zhang et al.,2022).正冲金矿床是区内分布的典型金矿床,对正冲金矿中的绢云母和黄铁矿进行详细分析,有助于确定成矿年龄和成矿物质来源.为此,本文重点研究了正冲金矿床的石英脉型金矿化,采用LA-MC-ICP-MS分析了正冲金矿床不同成矿阶段中与含金黄铁矿共生的绢云母Rb-Sr同位素和不同世代黄铁矿的S同位素组成,以确定其成矿时代和成矿物质来源,为正冲金矿床及湘东北地区其他金矿床的成因认识提供理论基础. ...
... 正冲金矿床位于醴陵金矿田,金资源量达到19 t(孙思辰等,2020;韩亮等,2021).矿区内出露地层主要为新元古界冷家溪群浅变质岩(图2),主要由黄浒洞组下段杂砂岩和泥质板岩,黄浒洞组上段砂岩、泥岩和板岩,以及小木坪组下段砂岩和泥质板岩组成(孙思辰等,2020),其中黄浒洞组下段是主要的金矿赋矿层位.矿区内出露有一个花岗岩体,其形成年龄为(435±2.9)Ma,岩体周围具有强烈的热液蚀变,主要有硅化、碳酸盐化、黄铁矿化和毒砂化等,局部可见金矿化.矿区内构造以NE向倒转复式褶皱、NE向断裂和NW向构造蚀变带为特征,矿体严格受NE-NNE向断层和NW向逆断层控制(Liu et al.,2019;孙思辰等,2020).NW向矿体沿走向和深部延长数百米,厚度在几十厘米至十几米之间,倾向为36°~76°,倾角为40°~46°,具有逆断裂控矿的特征,主要发育有V79、V80、V81和V82矿体,其蚀变带宽度达数百米.NE-NNE向矿体(V16、V16-1和V18)沿走向延伸数百米,厚度为0.4~5.4 m,倾向为313°~332°,倾角为48°~50°,具有剪切脉特征. ...
... 地层中成矿元素的含量是决定地层能否提供成矿物质的重要因素,冷家溪群各岩组的金品位为1.09×10-9~52.30×10-9,平均金品位为3.62×10-9,是上地壳丰度值(1.8×10-9)的2倍(刘英俊等,1991;易慧等,2006),为金矿床的形成奠定了良好的基础.前人(Sun et al.,2020;韩亮等,2021)测得正冲金矿床中黄铁矿的Co/Ni比值大部分小于1,表明有地层物质参与成矿,而水岩反应又是正冲金矿的主要沉淀机制,结合部分S、Pb同位素具有变质来源的特征,以及成矿流体主要来源于变质水,部分学者认为金主要来源于地层(Liu et al.,2019;孙思辰,2021). ...
... 硫化物的S同位素由成矿流体中硫的总量、温度、氧逸度和酸碱度等因素决定(Ohmoto,1972),在中低温、还原条件下,硫化物的S同位素值可以近似代表成矿流体中的S同位素值(Ohmoto,1972).黄铁矿和磁黄铁矿[图5(a)]共生表明石英—黄铁矿—自然金阶段的成矿流体是还原性的,而且正冲金矿床成矿温度从早期的266~338 ℃逐渐降低至晚期的232~304 ℃,激光拉曼光谱分析显示包裹体中含有CO2、N2和CH4等气体(Liu et al.,2019;韩亮等,2021),未发现赤铁矿或重晶石、石膏等硫酸盐矿物,表明正冲金矿床的成矿流体是中低温、还原性的.因此,正冲金矿床黄铁矿的δ34S值与成矿流体中的δ34S值相近. ...
... 正冲金矿床赋存于冷家溪群浅变质岩中,受NE向断裂和NW向断裂控制,主要矿石矿物为黄铁矿和毒砂,含有少量的黄铜矿和闪锌矿等,与金矿化关系密切的蚀变包括硅化、绢云母化、绿泥石化和碳酸盐化,其成矿流体具有中低温、中低盐度和富CO2的特征,形成深度为7~8 km(Liu et al.,2019;韩亮等,2021),该矿床的形成与三叠纪华南板块和华北板块碰撞关系密切,这些成矿特征与造山型金矿床相似.因此,Liu et al.(2019)和孙思辰(2021)认为正冲金矿床属于造山型金矿.但是,由于成矿物质、流体来源和成矿年龄的不确定性,地球化学特征的多解性,造山型金矿的大陆地壳变质流体成因模式可能不能很好地解释正冲金矿床的成因. ...
江南造山带(湖南段)金矿成矿规律与资源潜力
2
2020
... 尽管前人通过白云母40Ar/39Ar法获得了正冲金矿床的成矿年龄,但是,由于云母单矿物在挑选过程中可能会混入其他来源的物质,这在一定程度上可能会影响测试结果.本研究通过绢云母的原位Rb-Sr法,能够较好地避免其他物质对测试结果的影响,结果显示绢云母Rb-Sr年龄与前人的白云母Ar-Ar年龄基本一致.因此,本研究在重新厘定正冲金成矿年龄的同时,也验证了前人白云母Ar-Ar年龄的可靠性.此外,前人针对湘东北地区金矿床的年龄也开展了大量研究,获得了大量的年龄.Xu et al.(2017)认为江南造山带存在早古生代(423~397 Ma)、侏罗纪(176~170 Ma)和早白垩世(144~130 Ma)3期成矿,金矿化主要形成于加里东期和燕山期;黄建中等(2020)认为江南造山带湖南段金矿床主要形成于加里东期和印支期;柏道远等(2021)认为除了加里东期和印支期外,还有中晚燕山期成矿作用.近年来,有大量关于湘东北地区的年龄成果文献发表.如:梨树坡金矿中黑云母Ar-Ar同位素坪年龄为(208.67±1.25)Ma(Wang et al.,2022),肖家山金矿中金红石U-Pb加权平均年龄为(216.88±0.28)Ma(谭华杰,2022),团山背金矿中NE向石英脉中独居石U-Pb等时线年龄为(234.3±1.1)Ma(谭仕敏,2021),正冲金矿床中白云母 40Ar/39Ar同位素年龄为(220.5±0.2)~(211.6±0.6)Ma(孙思辰,2021).结合本研究获得的正冲金矿床的成矿年龄[(219.1±6.0) Ma、(215.8±7.7) Ma],进一步证明了晚三叠世(230~210 Ma)是湘东北重要的金成矿期. ...
... 本研究获得的S同位素组成与赋矿围岩冷家溪群的S同位素组成明显不同,具有岩浆硫(或地幔硫)的特征,且冷家溪群主要为浅变质岩,变质程度太低不能直接提供成矿物质来源.因此,正冲金矿床不适用大陆地壳变质流体成因模式.本研究获得的年龄属于晚三叠世,其成矿动力学背景与华南板块印支陆内造山运动有关.在印支运动早期,华南板块与印支板块碰撞后沿秦岭—大别山构造带与华北板块发生碰撞,形成统一的东亚大陆(Carter et al.,2001),华南板块处于挤压构造环境,碰撞使华南形成了大规模的NE和SN向褶皱、逆冲推覆构造及韧性剪切带,伴有小规模的岩浆活动(Wang et al.,2005;Mao et al.,2011;陈世悦等,2011;李三忠等,2011).在印支运动晚期,由于应力松弛,华南板块由挤压转向伸展,地壳减薄使深部岩浆上侵,在华南板块形成了大量的中酸性花岗岩和基性岩脉(Mao et al.,2011;李三忠等,2011;杨立志等,2018;于玉帅等,2019).结合前人已有的S同位素、C-O同位素和He-Ar同位素研究结果(黄建中等,2020),认为深部岩浆(或幔源物质)可能提供了金成矿所需要的物质. ...
湘东北中生代望湘花岗岩体岩石地球化学特征及其构造环境
1
2003
... 区域内岩浆活动强烈,具有新元古代、加里东期、印支期和燕山期多期次活动的特征.九岭复式岩体西延部分(大围山地区)侵位于冷家溪群,其年龄为830~800 Ma(柏道远等,2010;王孝磊等,2017).区内南部的板衫铺花岗岩体和宏夏桥花岗岩体侵入时间为423~421 Ma,形成于加里东挤压造山环境中(关义立等,2013;李建华等,2015).印支期岩体在该地区出露较少,主要有丫江桥花岗岩体[(220.5±2.1)Ma](王凯兴等,2012)和王仙花岗闪长斑岩[(224.7±4.4)Ma](杨立志等,2018).燕山期花岗岩在湘东北地区分布最广泛,主要有幕阜山花岗岩体(142.9~127.7 Ma)、连云山花岗岩体(152~140 Ma)、望湘花岗岩体(约147 Ma)和金井花岗岩体(145 Ma)(贾大成等,2003;彭和求等,2004;Wang et al.,2016; Xu et al.,2017;李鹏等,2019). ...
湘东北地区肖家山金矿床成矿物质来源
1
2016
... 湘东北地区位于江南造山带中段,是我国重要的黄金产地之一,金资源储量达250 t(Xu et al.,2017;孙思辰等,2020),金矿床主要以脉状赋存于冷家溪群浅变质岩中,且明显受断裂控制.目前,对于该地区金矿床的成因尚存在很大争议,主要集中在成矿年龄和成矿物质来源的认识上.在成矿年龄方面,前人通过石英流体包裹Rb-Sr等时线法、黑云母(或白云母)Ar-Ar法和白钨矿Sm-Nd等时线法测定的年龄表明,金矿化主要发生在加里东期、印支期和燕山期(罗献林,1988;毛景文等,1997;董国军等,2008;韩凤彬等,2010;周岳强等,2021;孙思辰,2021;Wang et al.,2022;Zhan et al.,2022),但是部分金矿床测得了多期成矿年龄,多阶段矿化的叠加导致湘东北地区金矿床的成因更加复杂.在成矿物质来源方面,部分学者认为其成矿物质可能来源于冷家溪群(刘荫椿,1989;刘亮明等,1999;彭泽华,2012;葛超,2019;Liu et al.,2019;陆文等,2020;韩亮等,2021;Wang et al.,2022)或深部的沉积变质岩(Zhang et al.,2018;李荣华,2020;孙思辰等,2020),还有一些学者认为部分成矿物质可能来源于岩浆,具有混合来源的特点(毛景文等,1997;董国军等,2008;蒋星祥等,2016;夏浩东等,2017).最新研究结果显示,深部岩浆热液对金成矿具有重要的贡献(Tan et al.,2022;Zhang et al.,2022).正冲金矿床是区内分布的典型金矿床,对正冲金矿中的绢云母和黄铁矿进行详细分析,有助于确定成矿年龄和成矿物质来源.为此,本文重点研究了正冲金矿床的石英脉型金矿化,采用LA-MC-ICP-MS分析了正冲金矿床不同成矿阶段中与含金黄铁矿共生的绢云母Rb-Sr同位素和不同世代黄铁矿的S同位素组成,以确定其成矿时代和成矿物质来源,为正冲金矿床及湘东北地区其他金矿床的成因认识提供理论基础. ...
湘东宏夏桥和板杉铺岩体 LA-MC-ICPMS 锆石U-Pb年龄及地质意义
1
2015
... 区域内岩浆活动强烈,具有新元古代、加里东期、印支期和燕山期多期次活动的特征.九岭复式岩体西延部分(大围山地区)侵位于冷家溪群,其年龄为830~800 Ma(柏道远等,2010;王孝磊等,2017).区内南部的板衫铺花岗岩体和宏夏桥花岗岩体侵入时间为423~421 Ma,形成于加里东挤压造山环境中(关义立等,2013;李建华等,2015).印支期岩体在该地区出露较少,主要有丫江桥花岗岩体[(220.5±2.1)Ma](王凯兴等,2012)和王仙花岗闪长斑岩[(224.7±4.4)Ma](杨立志等,2018).燕山期花岗岩在湘东北地区分布最广泛,主要有幕阜山花岗岩体(142.9~127.7 Ma)、连云山花岗岩体(152~140 Ma)、望湘花岗岩体(约147 Ma)和金井花岗岩体(145 Ma)(贾大成等,2003;彭和求等,2004;Wang et al.,2016; Xu et al.,2017;李鹏等,2019). ...
湘东北仁里—传梓源矿床5号伟晶岩岩相学、地球化学特征及成矿时代
1
2019
... 区域内岩浆活动强烈,具有新元古代、加里东期、印支期和燕山期多期次活动的特征.九岭复式岩体西延部分(大围山地区)侵位于冷家溪群,其年龄为830~800 Ma(柏道远等,2010;王孝磊等,2017).区内南部的板衫铺花岗岩体和宏夏桥花岗岩体侵入时间为423~421 Ma,形成于加里东挤压造山环境中(关义立等,2013;李建华等,2015).印支期岩体在该地区出露较少,主要有丫江桥花岗岩体[(220.5±2.1)Ma](王凯兴等,2012)和王仙花岗闪长斑岩[(224.7±4.4)Ma](杨立志等,2018).燕山期花岗岩在湘东北地区分布最广泛,主要有幕阜山花岗岩体(142.9~127.7 Ma)、连云山花岗岩体(152~140 Ma)、望湘花岗岩体(约147 Ma)和金井花岗岩体(145 Ma)(贾大成等,2003;彭和求等,2004;Wang et al.,2016; Xu et al.,2017;李鹏等,2019). ...
江南造山带黄金洞金矿床成矿物质来源:载金黄铁矿结构与组成约束
1
2020
... 湘东北地区位于江南造山带中段,是我国重要的黄金产地之一,金资源储量达250 t(Xu et al.,2017;孙思辰等,2020),金矿床主要以脉状赋存于冷家溪群浅变质岩中,且明显受断裂控制.目前,对于该地区金矿床的成因尚存在很大争议,主要集中在成矿年龄和成矿物质来源的认识上.在成矿年龄方面,前人通过石英流体包裹Rb-Sr等时线法、黑云母(或白云母)Ar-Ar法和白钨矿Sm-Nd等时线法测定的年龄表明,金矿化主要发生在加里东期、印支期和燕山期(罗献林,1988;毛景文等,1997;董国军等,2008;韩凤彬等,2010;周岳强等,2021;孙思辰,2021;Wang et al.,2022;Zhan et al.,2022),但是部分金矿床测得了多期成矿年龄,多阶段矿化的叠加导致湘东北地区金矿床的成因更加复杂.在成矿物质来源方面,部分学者认为其成矿物质可能来源于冷家溪群(刘荫椿,1989;刘亮明等,1999;彭泽华,2012;葛超,2019;Liu et al.,2019;陆文等,2020;韩亮等,2021;Wang et al.,2022)或深部的沉积变质岩(Zhang et al.,2018;李荣华,2020;孙思辰等,2020),还有一些学者认为部分成矿物质可能来源于岩浆,具有混合来源的特点(毛景文等,1997;董国军等,2008;蒋星祥等,2016;夏浩东等,2017).最新研究结果显示,深部岩浆热液对金成矿具有重要的贡献(Tan et al.,2022;Zhang et al.,2022).正冲金矿床是区内分布的典型金矿床,对正冲金矿中的绢云母和黄铁矿进行详细分析,有助于确定成矿年龄和成矿物质来源.为此,本文重点研究了正冲金矿床的石英脉型金矿化,采用LA-MC-ICP-MS分析了正冲金矿床不同成矿阶段中与含金黄铁矿共生的绢云母Rb-Sr同位素和不同世代黄铁矿的S同位素组成,以确定其成矿时代和成矿物质来源,为正冲金矿床及湘东北地区其他金矿床的成因认识提供理论基础. ...
中、新生代超级汇聚背景下的陆内差异变形:华北伸展裂解和华南挤压逆冲
2
2011
... 本研究获得的S同位素组成与赋矿围岩冷家溪群的S同位素组成明显不同,具有岩浆硫(或地幔硫)的特征,且冷家溪群主要为浅变质岩,变质程度太低不能直接提供成矿物质来源.因此,正冲金矿床不适用大陆地壳变质流体成因模式.本研究获得的年龄属于晚三叠世,其成矿动力学背景与华南板块印支陆内造山运动有关.在印支运动早期,华南板块与印支板块碰撞后沿秦岭—大别山构造带与华北板块发生碰撞,形成统一的东亚大陆(Carter et al.,2001),华南板块处于挤压构造环境,碰撞使华南形成了大规模的NE和SN向褶皱、逆冲推覆构造及韧性剪切带,伴有小规模的岩浆活动(Wang et al.,2005;Mao et al.,2011;陈世悦等,2011;李三忠等,2011).在印支运动晚期,由于应力松弛,华南板块由挤压转向伸展,地壳减薄使深部岩浆上侵,在华南板块形成了大量的中酸性花岗岩和基性岩脉(Mao et al.,2011;李三忠等,2011;杨立志等,2018;于玉帅等,2019).结合前人已有的S同位素、C-O同位素和He-Ar同位素研究结果(黄建中等,2020),认为深部岩浆(或幔源物质)可能提供了金成矿所需要的物质. ...
... 湘东北地区位于江南造山带中段,是我国重要的黄金产地之一,金资源储量达250 t(Xu et al.,2017;孙思辰等,2020),金矿床主要以脉状赋存于冷家溪群浅变质岩中,且明显受断裂控制.目前,对于该地区金矿床的成因尚存在很大争议,主要集中在成矿年龄和成矿物质来源的认识上.在成矿年龄方面,前人通过石英流体包裹Rb-Sr等时线法、黑云母(或白云母)Ar-Ar法和白钨矿Sm-Nd等时线法测定的年龄表明,金矿化主要发生在加里东期、印支期和燕山期(罗献林,1988;毛景文等,1997;董国军等,2008;韩凤彬等,2010;周岳强等,2021;孙思辰,2021;Wang et al.,2022;Zhan et al.,2022),但是部分金矿床测得了多期成矿年龄,多阶段矿化的叠加导致湘东北地区金矿床的成因更加复杂.在成矿物质来源方面,部分学者认为其成矿物质可能来源于冷家溪群(刘荫椿,1989;刘亮明等,1999;彭泽华,2012;葛超,2019;Liu et al.,2019;陆文等,2020;韩亮等,2021;Wang et al.,2022)或深部的沉积变质岩(Zhang et al.,2018;李荣华,2020;孙思辰等,2020),还有一些学者认为部分成矿物质可能来源于岩浆,具有混合来源的特点(毛景文等,1997;董国军等,2008;蒋星祥等,2016;夏浩东等,2017).最新研究结果显示,深部岩浆热液对金成矿具有重要的贡献(Tan et al.,2022;Zhang et al.,2022).正冲金矿床是区内分布的典型金矿床,对正冲金矿中的绢云母和黄铁矿进行详细分析,有助于确定成矿年龄和成矿物质来源.为此,本文重点研究了正冲金矿床的石英脉型金矿化,采用LA-MC-ICP-MS分析了正冲金矿床不同成矿阶段中与含金黄铁矿共生的绢云母Rb-Sr同位素和不同世代黄铁矿的S同位素组成,以确定其成矿时代和成矿物质来源,为正冲金矿床及湘东北地区其他金矿床的成因认识提供理论基础. ...
... 本研究测得的石英—黄铁矿—自然金阶段的S同位素值(Py1:-3.86‰~1.03‰,平均值为-1.3‰)和石英—黄铁矿—毒砂多金属硫化物阶段的S同位素值(Py2a:-1.43‰~1.51‰,平均值为0.24‰;Py2b:-3.21‰~1.95‰,平均值为0.83‰)范围较窄,表明其具有一致的硫来源,具有地幔硫或岩浆硫(δ34S=0±5%)的特点(Ohmoto,1986;Seal,2006).成矿晚期的S同位素值略高于早期,可能是由于成矿后期水岩反应影响较弱,导致成矿晚期黄铁矿的S同位素值显示微弱的向右偏移.许多学者通过载金矿物的S同位素来研究湘东北地区金矿床的成矿物质来源(图8),但是大部分采用单矿物溶样法的S同位素分析方法,由于黄铁矿复杂的内部结构和多期次、多世代性,以往的黄铁矿S同位素δ34S值往往是混合值,并不能真正反映真实的S同位素值.这导致有些矿床被认为其成矿物质来源于冷家溪群,有些矿床其硫源具有深部岩浆来源的特征.正冲金矿床的黄铁矿原位δ34S值为-3.86~1.95,与肖家山金矿主成矿阶段黄铁矿的δ34S值(-2.5‰~-1.0‰)(Tan et al.,2022)、雁林寺黄铁矿和毒砂的δ34S值(-2.7‰~-1.5‰、-1.7‰~-0.4‰)(董国军等,2008;Zhang et al.,2022)相似,且明显高于冷家溪群中黄铁矿的δ34S值(-13.1‰~-6.3‰)(罗献林,1988;柳德荣等,1994;刘亮明等,1999),这些金矿床主要形成于印支期,且被认为有岩浆流体的参与.另有研究显示,矿区内花岗岩的年龄为(435±2.9)Ma,形成于加里东期,而金成矿发生在印支期,未发现与成矿同时期的中酸性岩浆事件.相邻的团山背和肖家山金矿区内发育有与金成矿事件相近的基性岩脉,团山背矿区辉绿岩脉的锆石原位U-Pb年龄为(225.6±1.7)Ma(谭仕敏,2021),肖家山矿区辉绿岩脉的锆石原位U-Pb年龄为(221.5±0.8)Ma(谭华杰,2022).结合该地区未发现印支期的中酸性岩浆岩,但发育有大量印支期的辉绿岩脉,且认为辉绿岩可能来源于地幔.因此,认为正冲金矿床的成矿流体可能主要来源于深部岩浆(或地幔物质),而基性岩浆对金成矿的具体贡献还需进一步研究. ...
... 注:冷家溪群S同位素数据来自罗献林(1988)、柳德荣等(1994)、刘亮明等(1999);万古金矿δ34S值来自柳德荣等(1994)、Xu et al.(2017)和Deng et al.(2017);黄金洞金矿δ34S值来自夏浩东等(2017)、Zhang et al.(2018);梨树坡金矿δ34S值来自Wang et al.(2022);雁林寺金矿δ34S值来自董国军等(2008)、Zhang et al.(2022);肖家山金矿δ34S值来自Tan et al.(2022);正冲金矿床δ34S值来自本研究以及Liu et al.(2019)、孙思辰(2021) ...
黄金洞金矿床地球化学特征
1
1989
... 湘东北地区位于江南造山带中段,是我国重要的黄金产地之一,金资源储量达250 t(Xu et al.,2017;孙思辰等,2020),金矿床主要以脉状赋存于冷家溪群浅变质岩中,且明显受断裂控制.目前,对于该地区金矿床的成因尚存在很大争议,主要集中在成矿年龄和成矿物质来源的认识上.在成矿年龄方面,前人通过石英流体包裹Rb-Sr等时线法、黑云母(或白云母)Ar-Ar法和白钨矿Sm-Nd等时线法测定的年龄表明,金矿化主要发生在加里东期、印支期和燕山期(罗献林,1988;毛景文等,1997;董国军等,2008;韩凤彬等,2010;周岳强等,2021;孙思辰,2021;Wang et al.,2022;Zhan et al.,2022),但是部分金矿床测得了多期成矿年龄,多阶段矿化的叠加导致湘东北地区金矿床的成因更加复杂.在成矿物质来源方面,部分学者认为其成矿物质可能来源于冷家溪群(刘荫椿,1989;刘亮明等,1999;彭泽华,2012;葛超,2019;Liu et al.,2019;陆文等,2020;韩亮等,2021;Wang et al.,2022)或深部的沉积变质岩(Zhang et al.,2018;李荣华,2020;孙思辰等,2020),还有一些学者认为部分成矿物质可能来源于岩浆,具有混合来源的特点(毛景文等,1997;董国军等,2008;蒋星祥等,2016;夏浩东等,2017).最新研究结果显示,深部岩浆热液对金成矿具有重要的贡献(Tan et al.,2022;Zhang et al.,2022).正冲金矿床是区内分布的典型金矿床,对正冲金矿中的绢云母和黄铁矿进行详细分析,有助于确定成矿年龄和成矿物质来源.为此,本文重点研究了正冲金矿床的石英脉型金矿化,采用LA-MC-ICP-MS分析了正冲金矿床不同成矿阶段中与含金黄铁矿共生的绢云母Rb-Sr同位素和不同世代黄铁矿的S同位素组成,以确定其成矿时代和成矿物质来源,为正冲金矿床及湘东北地区其他金矿床的成因认识提供理论基础. ...
湖南黄金洞元古界浊积岩型金矿床的地质地球化学特征
1
1991
... 地层中成矿元素的含量是决定地层能否提供成矿物质的重要因素,冷家溪群各岩组的金品位为1.09×10-9~52.30×10-9,平均金品位为3.62×10-9,是上地壳丰度值(1.8×10-9)的2倍(刘英俊等,1991;易慧等,2006),为金矿床的形成奠定了良好的基础.前人(Sun et al.,2020;韩亮等,2021)测得正冲金矿床中黄铁矿的Co/Ni比值大部分小于1,表明有地层物质参与成矿,而水岩反应又是正冲金矿的主要沉淀机制,结合部分S、Pb同位素具有变质来源的特征,以及成矿流体主要来源于变质水,部分学者认为金主要来源于地层(Liu et al.,2019;孙思辰,2021). ...
平江万古金矿床地球化学研究
3
1994
... 本研究测得的石英—黄铁矿—自然金阶段的S同位素值(Py1:-3.86‰~1.03‰,平均值为-1.3‰)和石英—黄铁矿—毒砂多金属硫化物阶段的S同位素值(Py2a:-1.43‰~1.51‰,平均值为0.24‰;Py2b:-3.21‰~1.95‰,平均值为0.83‰)范围较窄,表明其具有一致的硫来源,具有地幔硫或岩浆硫(δ34S=0±5%)的特点(Ohmoto,1986;Seal,2006).成矿晚期的S同位素值略高于早期,可能是由于成矿后期水岩反应影响较弱,导致成矿晚期黄铁矿的S同位素值显示微弱的向右偏移.许多学者通过载金矿物的S同位素来研究湘东北地区金矿床的成矿物质来源(图8),但是大部分采用单矿物溶样法的S同位素分析方法,由于黄铁矿复杂的内部结构和多期次、多世代性,以往的黄铁矿S同位素δ34S值往往是混合值,并不能真正反映真实的S同位素值.这导致有些矿床被认为其成矿物质来源于冷家溪群,有些矿床其硫源具有深部岩浆来源的特征.正冲金矿床的黄铁矿原位δ34S值为-3.86~1.95,与肖家山金矿主成矿阶段黄铁矿的δ34S值(-2.5‰~-1.0‰)(Tan et al.,2022)、雁林寺黄铁矿和毒砂的δ34S值(-2.7‰~-1.5‰、-1.7‰~-0.4‰)(董国军等,2008;Zhang et al.,2022)相似,且明显高于冷家溪群中黄铁矿的δ34S值(-13.1‰~-6.3‰)(罗献林,1988;柳德荣等,1994;刘亮明等,1999),这些金矿床主要形成于印支期,且被认为有岩浆流体的参与.另有研究显示,矿区内花岗岩的年龄为(435±2.9)Ma,形成于加里东期,而金成矿发生在印支期,未发现与成矿同时期的中酸性岩浆事件.相邻的团山背和肖家山金矿区内发育有与金成矿事件相近的基性岩脉,团山背矿区辉绿岩脉的锆石原位U-Pb年龄为(225.6±1.7)Ma(谭仕敏,2021),肖家山矿区辉绿岩脉的锆石原位U-Pb年龄为(221.5±0.8)Ma(谭华杰,2022).结合该地区未发现印支期的中酸性岩浆岩,但发育有大量印支期的辉绿岩脉,且认为辉绿岩可能来源于地幔.因此,认为正冲金矿床的成矿流体可能主要来源于深部岩浆(或地幔物质),而基性岩浆对金成矿的具体贡献还需进一步研究. ...
... 注:冷家溪群S同位素数据来自罗献林(1988)、柳德荣等(1994)、刘亮明等(1999);万古金矿δ34S值来自柳德荣等(1994)、Xu et al.(2017)和Deng et al.(2017);黄金洞金矿δ34S值来自夏浩东等(2017)、Zhang et al.(2018);梨树坡金矿δ34S值来自Wang et al.(2022);雁林寺金矿δ34S值来自董国军等(2008)、Zhang et al.(2022);肖家山金矿δ34S值来自Tan et al.(2022);正冲金矿床δ34S值来自本研究以及Liu et al.(2019)、孙思辰(2021) ...
... S值来自柳德荣等(1994)、Xu et al.(2017)和Deng et al.(2017);黄金洞金矿δ34S值来自夏浩东等(2017)、Zhang et al.(2018);梨树坡金矿δ34S值来自Wang et al.(2022);雁林寺金矿δ34S值来自董国军等(2008)、Zhang et al.(2022);肖家山金矿δ34S值来自Tan et al.(2022);正冲金矿床δ34S值来自本研究以及Liu et al.(2019)、孙思辰(2021) ...
湘东北雁林寺金矿床成矿物质来源及成矿流体类型
1
2020
... 湘东北地区位于江南造山带中段,是我国重要的黄金产地之一,金资源储量达250 t(Xu et al.,2017;孙思辰等,2020),金矿床主要以脉状赋存于冷家溪群浅变质岩中,且明显受断裂控制.目前,对于该地区金矿床的成因尚存在很大争议,主要集中在成矿年龄和成矿物质来源的认识上.在成矿年龄方面,前人通过石英流体包裹Rb-Sr等时线法、黑云母(或白云母)Ar-Ar法和白钨矿Sm-Nd等时线法测定的年龄表明,金矿化主要发生在加里东期、印支期和燕山期(罗献林,1988;毛景文等,1997;董国军等,2008;韩凤彬等,2010;周岳强等,2021;孙思辰,2021;Wang et al.,2022;Zhan et al.,2022),但是部分金矿床测得了多期成矿年龄,多阶段矿化的叠加导致湘东北地区金矿床的成因更加复杂.在成矿物质来源方面,部分学者认为其成矿物质可能来源于冷家溪群(刘荫椿,1989;刘亮明等,1999;彭泽华,2012;葛超,2019;Liu et al.,2019;陆文等,2020;韩亮等,2021;Wang et al.,2022)或深部的沉积变质岩(Zhang et al.,2018;李荣华,2020;孙思辰等,2020),还有一些学者认为部分成矿物质可能来源于岩浆,具有混合来源的特点(毛景文等,1997;董国军等,2008;蒋星祥等,2016;夏浩东等,2017).最新研究结果显示,深部岩浆热液对金成矿具有重要的贡献(Tan et al.,2022;Zhang et al.,2022).正冲金矿床是区内分布的典型金矿床,对正冲金矿中的绢云母和黄铁矿进行详细分析,有助于确定成矿年龄和成矿物质来源.为此,本文重点研究了正冲金矿床的石英脉型金矿化,采用LA-MC-ICP-MS分析了正冲金矿床不同成矿阶段中与含金黄铁矿共生的绢云母Rb-Sr同位素和不同世代黄铁矿的S同位素组成,以确定其成矿时代和成矿物质来源,为正冲金矿床及湘东北地区其他金矿床的成因认识提供理论基础. ...
论湖南黄金洞金矿床的成因及成矿模式
3
1988
... 湘东北地区位于江南造山带中段,是我国重要的黄金产地之一,金资源储量达250 t(Xu et al.,2017;孙思辰等,2020),金矿床主要以脉状赋存于冷家溪群浅变质岩中,且明显受断裂控制.目前,对于该地区金矿床的成因尚存在很大争议,主要集中在成矿年龄和成矿物质来源的认识上.在成矿年龄方面,前人通过石英流体包裹Rb-Sr等时线法、黑云母(或白云母)Ar-Ar法和白钨矿Sm-Nd等时线法测定的年龄表明,金矿化主要发生在加里东期、印支期和燕山期(罗献林,1988;毛景文等,1997;董国军等,2008;韩凤彬等,2010;周岳强等,2021;孙思辰,2021;Wang et al.,2022;Zhan et al.,2022),但是部分金矿床测得了多期成矿年龄,多阶段矿化的叠加导致湘东北地区金矿床的成因更加复杂.在成矿物质来源方面,部分学者认为其成矿物质可能来源于冷家溪群(刘荫椿,1989;刘亮明等,1999;彭泽华,2012;葛超,2019;Liu et al.,2019;陆文等,2020;韩亮等,2021;Wang et al.,2022)或深部的沉积变质岩(Zhang et al.,2018;李荣华,2020;孙思辰等,2020),还有一些学者认为部分成矿物质可能来源于岩浆,具有混合来源的特点(毛景文等,1997;董国军等,2008;蒋星祥等,2016;夏浩东等,2017).最新研究结果显示,深部岩浆热液对金成矿具有重要的贡献(Tan et al.,2022;Zhang et al.,2022).正冲金矿床是区内分布的典型金矿床,对正冲金矿中的绢云母和黄铁矿进行详细分析,有助于确定成矿年龄和成矿物质来源.为此,本文重点研究了正冲金矿床的石英脉型金矿化,采用LA-MC-ICP-MS分析了正冲金矿床不同成矿阶段中与含金黄铁矿共生的绢云母Rb-Sr同位素和不同世代黄铁矿的S同位素组成,以确定其成矿时代和成矿物质来源,为正冲金矿床及湘东北地区其他金矿床的成因认识提供理论基础. ...
... 本研究测得的石英—黄铁矿—自然金阶段的S同位素值(Py1:-3.86‰~1.03‰,平均值为-1.3‰)和石英—黄铁矿—毒砂多金属硫化物阶段的S同位素值(Py2a:-1.43‰~1.51‰,平均值为0.24‰;Py2b:-3.21‰~1.95‰,平均值为0.83‰)范围较窄,表明其具有一致的硫来源,具有地幔硫或岩浆硫(δ34S=0±5%)的特点(Ohmoto,1986;Seal,2006).成矿晚期的S同位素值略高于早期,可能是由于成矿后期水岩反应影响较弱,导致成矿晚期黄铁矿的S同位素值显示微弱的向右偏移.许多学者通过载金矿物的S同位素来研究湘东北地区金矿床的成矿物质来源(图8),但是大部分采用单矿物溶样法的S同位素分析方法,由于黄铁矿复杂的内部结构和多期次、多世代性,以往的黄铁矿S同位素δ34S值往往是混合值,并不能真正反映真实的S同位素值.这导致有些矿床被认为其成矿物质来源于冷家溪群,有些矿床其硫源具有深部岩浆来源的特征.正冲金矿床的黄铁矿原位δ34S值为-3.86~1.95,与肖家山金矿主成矿阶段黄铁矿的δ34S值(-2.5‰~-1.0‰)(Tan et al.,2022)、雁林寺黄铁矿和毒砂的δ34S值(-2.7‰~-1.5‰、-1.7‰~-0.4‰)(董国军等,2008;Zhang et al.,2022)相似,且明显高于冷家溪群中黄铁矿的δ34S值(-13.1‰~-6.3‰)(罗献林,1988;柳德荣等,1994;刘亮明等,1999),这些金矿床主要形成于印支期,且被认为有岩浆流体的参与.另有研究显示,矿区内花岗岩的年龄为(435±2.9)Ma,形成于加里东期,而金成矿发生在印支期,未发现与成矿同时期的中酸性岩浆事件.相邻的团山背和肖家山金矿区内发育有与金成矿事件相近的基性岩脉,团山背矿区辉绿岩脉的锆石原位U-Pb年龄为(225.6±1.7)Ma(谭仕敏,2021),肖家山矿区辉绿岩脉的锆石原位U-Pb年龄为(221.5±0.8)Ma(谭华杰,2022).结合该地区未发现印支期的中酸性岩浆岩,但发育有大量印支期的辉绿岩脉,且认为辉绿岩可能来源于地幔.因此,认为正冲金矿床的成矿流体可能主要来源于深部岩浆(或地幔物质),而基性岩浆对金成矿的具体贡献还需进一步研究. ...
... 注:冷家溪群S同位素数据来自罗献林(1988)、柳德荣等(1994)、刘亮明等(1999);万古金矿δ34S值来自柳德荣等(1994)、Xu et al.(2017)和Deng et al.(2017);黄金洞金矿δ34S值来自夏浩东等(2017)、Zhang et al.(2018);梨树坡金矿δ34S值来自Wang et al.(2022);雁林寺金矿δ34S值来自董国军等(2008)、Zhang et al.(2022);肖家山金矿δ34S值来自Tan et al.(2022);正冲金矿床δ34S值来自本研究以及Liu et al.(2019)、孙思辰(2021) ...
江南古陆某些金矿床成因讨论
2
1997
... 湘东北地区位于江南造山带中段,是我国重要的黄金产地之一,金资源储量达250 t(Xu et al.,2017;孙思辰等,2020),金矿床主要以脉状赋存于冷家溪群浅变质岩中,且明显受断裂控制.目前,对于该地区金矿床的成因尚存在很大争议,主要集中在成矿年龄和成矿物质来源的认识上.在成矿年龄方面,前人通过石英流体包裹Rb-Sr等时线法、黑云母(或白云母)Ar-Ar法和白钨矿Sm-Nd等时线法测定的年龄表明,金矿化主要发生在加里东期、印支期和燕山期(罗献林,1988;毛景文等,1997;董国军等,2008;韩凤彬等,2010;周岳强等,2021;孙思辰,2021;Wang et al.,2022;Zhan et al.,2022),但是部分金矿床测得了多期成矿年龄,多阶段矿化的叠加导致湘东北地区金矿床的成因更加复杂.在成矿物质来源方面,部分学者认为其成矿物质可能来源于冷家溪群(刘荫椿,1989;刘亮明等,1999;彭泽华,2012;葛超,2019;Liu et al.,2019;陆文等,2020;韩亮等,2021;Wang et al.,2022)或深部的沉积变质岩(Zhang et al.,2018;李荣华,2020;孙思辰等,2020),还有一些学者认为部分成矿物质可能来源于岩浆,具有混合来源的特点(毛景文等,1997;董国军等,2008;蒋星祥等,2016;夏浩东等,2017).最新研究结果显示,深部岩浆热液对金成矿具有重要的贡献(Tan et al.,2022;Zhang et al.,2022).正冲金矿床是区内分布的典型金矿床,对正冲金矿中的绢云母和黄铁矿进行详细分析,有助于确定成矿年龄和成矿物质来源.为此,本文重点研究了正冲金矿床的石英脉型金矿化,采用LA-MC-ICP-MS分析了正冲金矿床不同成矿阶段中与含金黄铁矿共生的绢云母Rb-Sr同位素和不同世代黄铁矿的S同位素组成,以确定其成矿时代和成矿物质来源,为正冲金矿床及湘东北地区其他金矿床的成因认识提供理论基础. ...
... ),还有一些学者认为部分成矿物质可能来源于岩浆,具有混合来源的特点(毛景文等,1997;董国军等,2008;蒋星祥等,2016;夏浩东等,2017).最新研究结果显示,深部岩浆热液对金成矿具有重要的贡献(Tan et al.,2022;Zhang et al.,2022).正冲金矿床是区内分布的典型金矿床,对正冲金矿中的绢云母和黄铁矿进行详细分析,有助于确定成矿年龄和成矿物质来源.为此,本文重点研究了正冲金矿床的石英脉型金矿化,采用LA-MC-ICP-MS分析了正冲金矿床不同成矿阶段中与含金黄铁矿共生的绢云母Rb-Sr同位素和不同世代黄铁矿的S同位素组成,以确定其成矿时代和成矿物质来源,为正冲金矿床及湘东北地区其他金矿床的成因认识提供理论基础. ...
湘东北望湘岩体的热年代学与幕阜山隆升
1
2004
... 区域内岩浆活动强烈,具有新元古代、加里东期、印支期和燕山期多期次活动的特征.九岭复式岩体西延部分(大围山地区)侵位于冷家溪群,其年龄为830~800 Ma(柏道远等,2010;王孝磊等,2017).区内南部的板衫铺花岗岩体和宏夏桥花岗岩体侵入时间为423~421 Ma,形成于加里东挤压造山环境中(关义立等,2013;李建华等,2015).印支期岩体在该地区出露较少,主要有丫江桥花岗岩体[(220.5±2.1)Ma](王凯兴等,2012)和王仙花岗闪长斑岩[(224.7±4.4)Ma](杨立志等,2018).燕山期花岗岩在湘东北地区分布最广泛,主要有幕阜山花岗岩体(142.9~127.7 Ma)、连云山花岗岩体(152~140 Ma)、望湘花岗岩体(约147 Ma)和金井花岗岩体(145 Ma)(贾大成等,2003;彭和求等,2004;Wang et al.,2016; Xu et al.,2017;李鹏等,2019). ...
湖南省醴陵市肖家山金矿地质特征及成矿预测
1
2012
... 湘东北地区位于江南造山带中段,是我国重要的黄金产地之一,金资源储量达250 t(Xu et al.,2017;孙思辰等,2020),金矿床主要以脉状赋存于冷家溪群浅变质岩中,且明显受断裂控制.目前,对于该地区金矿床的成因尚存在很大争议,主要集中在成矿年龄和成矿物质来源的认识上.在成矿年龄方面,前人通过石英流体包裹Rb-Sr等时线法、黑云母(或白云母)Ar-Ar法和白钨矿Sm-Nd等时线法测定的年龄表明,金矿化主要发生在加里东期、印支期和燕山期(罗献林,1988;毛景文等,1997;董国军等,2008;韩凤彬等,2010;周岳强等,2021;孙思辰,2021;Wang et al.,2022;Zhan et al.,2022),但是部分金矿床测得了多期成矿年龄,多阶段矿化的叠加导致湘东北地区金矿床的成因更加复杂.在成矿物质来源方面,部分学者认为其成矿物质可能来源于冷家溪群(刘荫椿,1989;刘亮明等,1999;彭泽华,2012;葛超,2019;Liu et al.,2019;陆文等,2020;韩亮等,2021;Wang et al.,2022)或深部的沉积变质岩(Zhang et al.,2018;李荣华,2020;孙思辰等,2020),还有一些学者认为部分成矿物质可能来源于岩浆,具有混合来源的特点(毛景文等,1997;董国军等,2008;蒋星祥等,2016;夏浩东等,2017).最新研究结果显示,深部岩浆热液对金成矿具有重要的贡献(Tan et al.,2022;Zhang et al.,2022).正冲金矿床是区内分布的典型金矿床,对正冲金矿中的绢云母和黄铁矿进行详细分析,有助于确定成矿年龄和成矿物质来源.为此,本文重点研究了正冲金矿床的石英脉型金矿化,采用LA-MC-ICP-MS分析了正冲金矿床不同成矿阶段中与含金黄铁矿共生的绢云母Rb-Sr同位素和不同世代黄铁矿的S同位素组成,以确定其成矿时代和成矿物质来源,为正冲金矿床及湘东北地区其他金矿床的成因认识提供理论基础. ...
华南前泥盆纪构造演化:从华夏地块到加里东期造山带
1
2006
... 江南造山带是由扬子地块和华夏地块在新元古代碰撞拼接形成的(图1)(Wang et al.,2010;Deng et al.,2016;Liu et al.,2019).在早古生代,华南板块发生陆内碰撞,形成了一系列EW向或近EW褶皱、隆起和推覆断层(Wang et al.,2005;舒良树,2006;Faure et al.,2009);在早中生代,华南板块和华北板块碰撞形成一系列逆冲推覆断裂、韧性剪切带和NNE向褶皱,构成了区域基本构造格局(许德如等,2017;周岳强等,2019);在晚中生代,由于古特提斯洋闭合及古太平洋板块俯冲,使早期形成的EW、NW和NNE向构造再次发生活化、改造,形成了以NE(NNE)向为主,NW(EW)向为基础的构造带(张岳桥等,2012;谭华杰,2022),并诱发大量的中生代岩浆岩侵位.漫长而复杂的构造—岩浆活动使江南造山带成为我国重要的金多金属矿床产地之一,目前已发现的金矿床(点)超过250个,金资源量达到970 t(Xu et al.,2017). ...
雪峰山构造带古构造应力场
0
2013
江南造山带正冲金矿床成矿模式
6
2021
... 湘东北地区位于江南造山带中段,是我国重要的黄金产地之一,金资源储量达250 t(Xu et al.,2017;孙思辰等,2020),金矿床主要以脉状赋存于冷家溪群浅变质岩中,且明显受断裂控制.目前,对于该地区金矿床的成因尚存在很大争议,主要集中在成矿年龄和成矿物质来源的认识上.在成矿年龄方面,前人通过石英流体包裹Rb-Sr等时线法、黑云母(或白云母)Ar-Ar法和白钨矿Sm-Nd等时线法测定的年龄表明,金矿化主要发生在加里东期、印支期和燕山期(罗献林,1988;毛景文等,1997;董国军等,2008;韩凤彬等,2010;周岳强等,2021;孙思辰,2021;Wang et al.,2022;Zhan et al.,2022),但是部分金矿床测得了多期成矿年龄,多阶段矿化的叠加导致湘东北地区金矿床的成因更加复杂.在成矿物质来源方面,部分学者认为其成矿物质可能来源于冷家溪群(刘荫椿,1989;刘亮明等,1999;彭泽华,2012;葛超,2019;Liu et al.,2019;陆文等,2020;韩亮等,2021;Wang et al.,2022)或深部的沉积变质岩(Zhang et al.,2018;李荣华,2020;孙思辰等,2020),还有一些学者认为部分成矿物质可能来源于岩浆,具有混合来源的特点(毛景文等,1997;董国军等,2008;蒋星祥等,2016;夏浩东等,2017).最新研究结果显示,深部岩浆热液对金成矿具有重要的贡献(Tan et al.,2022;Zhang et al.,2022).正冲金矿床是区内分布的典型金矿床,对正冲金矿中的绢云母和黄铁矿进行详细分析,有助于确定成矿年龄和成矿物质来源.为此,本文重点研究了正冲金矿床的石英脉型金矿化,采用LA-MC-ICP-MS分析了正冲金矿床不同成矿阶段中与含金黄铁矿共生的绢云母Rb-Sr同位素和不同世代黄铁矿的S同位素组成,以确定其成矿时代和成矿物质来源,为正冲金矿床及湘东北地区其他金矿床的成因认识提供理论基础. ...
... 尽管前人通过白云母40Ar/39Ar法获得了正冲金矿床的成矿年龄,但是,由于云母单矿物在挑选过程中可能会混入其他来源的物质,这在一定程度上可能会影响测试结果.本研究通过绢云母的原位Rb-Sr法,能够较好地避免其他物质对测试结果的影响,结果显示绢云母Rb-Sr年龄与前人的白云母Ar-Ar年龄基本一致.因此,本研究在重新厘定正冲金成矿年龄的同时,也验证了前人白云母Ar-Ar年龄的可靠性.此外,前人针对湘东北地区金矿床的年龄也开展了大量研究,获得了大量的年龄.Xu et al.(2017)认为江南造山带存在早古生代(423~397 Ma)、侏罗纪(176~170 Ma)和早白垩世(144~130 Ma)3期成矿,金矿化主要形成于加里东期和燕山期;黄建中等(2020)认为江南造山带湖南段金矿床主要形成于加里东期和印支期;柏道远等(2021)认为除了加里东期和印支期外,还有中晚燕山期成矿作用.近年来,有大量关于湘东北地区的年龄成果文献发表.如:梨树坡金矿中黑云母Ar-Ar同位素坪年龄为(208.67±1.25)Ma(Wang et al.,2022),肖家山金矿中金红石U-Pb加权平均年龄为(216.88±0.28)Ma(谭华杰,2022),团山背金矿中NE向石英脉中独居石U-Pb等时线年龄为(234.3±1.1)Ma(谭仕敏,2021),正冲金矿床中白云母 40Ar/39Ar同位素年龄为(220.5±0.2)~(211.6±0.6)Ma(孙思辰,2021).结合本研究获得的正冲金矿床的成矿年龄[(219.1±6.0) Ma、(215.8±7.7) Ma],进一步证明了晚三叠世(230~210 Ma)是湘东北重要的金成矿期. ...
... 地层中成矿元素的含量是决定地层能否提供成矿物质的重要因素,冷家溪群各岩组的金品位为1.09×10-9~52.30×10-9,平均金品位为3.62×10-9,是上地壳丰度值(1.8×10-9)的2倍(刘英俊等,1991;易慧等,2006),为金矿床的形成奠定了良好的基础.前人(Sun et al.,2020;韩亮等,2021)测得正冲金矿床中黄铁矿的Co/Ni比值大部分小于1,表明有地层物质参与成矿,而水岩反应又是正冲金矿的主要沉淀机制,结合部分S、Pb同位素具有变质来源的特征,以及成矿流体主要来源于变质水,部分学者认为金主要来源于地层(Liu et al.,2019;孙思辰,2021). ...
... 注:冷家溪群S同位素数据来自罗献林(1988)、柳德荣等(1994)、刘亮明等(1999);万古金矿δ34S值来自柳德荣等(1994)、Xu et al.(2017)和Deng et al.(2017);黄金洞金矿δ34S值来自夏浩东等(2017)、Zhang et al.(2018);梨树坡金矿δ34S值来自Wang et al.(2022);雁林寺金矿δ34S值来自董国军等(2008)、Zhang et al.(2022);肖家山金矿δ34S值来自Tan et al.(2022);正冲金矿床δ34S值来自本研究以及Liu et al.(2019)、孙思辰(2021) ...
... 正冲金矿床赋存于冷家溪群浅变质岩中,受NE向断裂和NW向断裂控制,主要矿石矿物为黄铁矿和毒砂,含有少量的黄铜矿和闪锌矿等,与金矿化关系密切的蚀变包括硅化、绢云母化、绿泥石化和碳酸盐化,其成矿流体具有中低温、中低盐度和富CO2的特征,形成深度为7~8 km(Liu et al.,2019;韩亮等,2021),该矿床的形成与三叠纪华南板块和华北板块碰撞关系密切,这些成矿特征与造山型金矿床相似.因此,Liu et al.(2019)和孙思辰(2021)认为正冲金矿床属于造山型金矿.但是,由于成矿物质、流体来源和成矿年龄的不确定性,地球化学特征的多解性,造山型金矿的大陆地壳变质流体成因模式可能不能很好地解释正冲金矿床的成因. ...
湘东北正冲金矿床成矿物质来源的S-Pb同位素示踪
7
2020
... 湘东北地区位于江南造山带中段,是我国重要的黄金产地之一,金资源储量达250 t(Xu et al.,2017;孙思辰等,2020),金矿床主要以脉状赋存于冷家溪群浅变质岩中,且明显受断裂控制.目前,对于该地区金矿床的成因尚存在很大争议,主要集中在成矿年龄和成矿物质来源的认识上.在成矿年龄方面,前人通过石英流体包裹Rb-Sr等时线法、黑云母(或白云母)Ar-Ar法和白钨矿Sm-Nd等时线法测定的年龄表明,金矿化主要发生在加里东期、印支期和燕山期(罗献林,1988;毛景文等,1997;董国军等,2008;韩凤彬等,2010;周岳强等,2021;孙思辰,2021;Wang et al.,2022;Zhan et al.,2022),但是部分金矿床测得了多期成矿年龄,多阶段矿化的叠加导致湘东北地区金矿床的成因更加复杂.在成矿物质来源方面,部分学者认为其成矿物质可能来源于冷家溪群(刘荫椿,1989;刘亮明等,1999;彭泽华,2012;葛超,2019;Liu et al.,2019;陆文等,2020;韩亮等,2021;Wang et al.,2022)或深部的沉积变质岩(Zhang et al.,2018;李荣华,2020;孙思辰等,2020),还有一些学者认为部分成矿物质可能来源于岩浆,具有混合来源的特点(毛景文等,1997;董国军等,2008;蒋星祥等,2016;夏浩东等,2017).最新研究结果显示,深部岩浆热液对金成矿具有重要的贡献(Tan et al.,2022;Zhang et al.,2022).正冲金矿床是区内分布的典型金矿床,对正冲金矿中的绢云母和黄铁矿进行详细分析,有助于确定成矿年龄和成矿物质来源.为此,本文重点研究了正冲金矿床的石英脉型金矿化,采用LA-MC-ICP-MS分析了正冲金矿床不同成矿阶段中与含金黄铁矿共生的绢云母Rb-Sr同位素和不同世代黄铁矿的S同位素组成,以确定其成矿时代和成矿物质来源,为正冲金矿床及湘东北地区其他金矿床的成因认识提供理论基础. ...
... ;孙思辰等,2020),还有一些学者认为部分成矿物质可能来源于岩浆,具有混合来源的特点(毛景文等,1997;董国军等,2008;蒋星祥等,2016;夏浩东等,2017).最新研究结果显示,深部岩浆热液对金成矿具有重要的贡献(Tan et al.,2022;Zhang et al.,2022).正冲金矿床是区内分布的典型金矿床,对正冲金矿中的绢云母和黄铁矿进行详细分析,有助于确定成矿年龄和成矿物质来源.为此,本文重点研究了正冲金矿床的石英脉型金矿化,采用LA-MC-ICP-MS分析了正冲金矿床不同成矿阶段中与含金黄铁矿共生的绢云母Rb-Sr同位素和不同世代黄铁矿的S同位素组成,以确定其成矿时代和成矿物质来源,为正冲金矿床及湘东北地区其他金矿床的成因认识提供理论基础. ...
... 由于本区内经历了多次构造运动,形成了以NE(NNE)向为主、EW(NW)向为辅的构造岩浆带.NE(NNE)向深大断裂主要为长沙—平江断裂、新宁—灰汤断裂和醴陵—衡东断裂带,控制着湘东北地区基本构造格局(Xu et al.,2017;Zhou et al.,2021),与NNE向褶皱带构成了湘东北地区“两隆三盆”的“盆—岭”构造(Xu et al.,2017).近EW向韧性剪切带以望湘—平江韧性剪切带、连云山岩体南侧韧性剪切带和官桥—浏阳韧性剪切带为主,金矿床主要分布于NE(NNE)向断裂带和近EW向韧性剪切带交会部位(Zhang et al.,2019;孙思辰等,2020),正冲金矿床位于长沙—平江断裂与醴陵—衡东断裂带之间,且受雁林寺韧性剪切带控制(Tan et al.,2022). ...
... 正冲金矿床位于醴陵金矿田,金资源量达到19 t(孙思辰等,2020;韩亮等,2021).矿区内出露地层主要为新元古界冷家溪群浅变质岩(图2),主要由黄浒洞组下段杂砂岩和泥质板岩,黄浒洞组上段砂岩、泥岩和板岩,以及小木坪组下段砂岩和泥质板岩组成(孙思辰等,2020),其中黄浒洞组下段是主要的金矿赋矿层位.矿区内出露有一个花岗岩体,其形成年龄为(435±2.9)Ma,岩体周围具有强烈的热液蚀变,主要有硅化、碳酸盐化、黄铁矿化和毒砂化等,局部可见金矿化.矿区内构造以NE向倒转复式褶皱、NE向断裂和NW向构造蚀变带为特征,矿体严格受NE-NNE向断层和NW向逆断层控制(Liu et al.,2019;孙思辰等,2020).NW向矿体沿走向和深部延长数百米,厚度在几十厘米至十几米之间,倾向为36°~76°,倾角为40°~46°,具有逆断裂控矿的特征,主要发育有V79、V80、V81和V82矿体,其蚀变带宽度达数百米.NE-NNE向矿体(V16、V16-1和V18)沿走向延伸数百米,厚度为0.4~5.4 m,倾向为313°~332°,倾角为48°~50°,具有剪切脉特征. ...
... ),主要由黄浒洞组下段杂砂岩和泥质板岩,黄浒洞组上段砂岩、泥岩和板岩,以及小木坪组下段砂岩和泥质板岩组成(孙思辰等,2020),其中黄浒洞组下段是主要的金矿赋矿层位.矿区内出露有一个花岗岩体,其形成年龄为(435±2.9)Ma,岩体周围具有强烈的热液蚀变,主要有硅化、碳酸盐化、黄铁矿化和毒砂化等,局部可见金矿化.矿区内构造以NE向倒转复式褶皱、NE向断裂和NW向构造蚀变带为特征,矿体严格受NE-NNE向断层和NW向逆断层控制(Liu et al.,2019;孙思辰等,2020).NW向矿体沿走向和深部延长数百米,厚度在几十厘米至十几米之间,倾向为36°~76°,倾角为40°~46°,具有逆断裂控矿的特征,主要发育有V79、V80、V81和V82矿体,其蚀变带宽度达数百米.NE-NNE向矿体(V16、V16-1和V18)沿走向延伸数百米,厚度为0.4~5.4 m,倾向为313°~332°,倾角为48°~50°,具有剪切脉特征. ...
... 江南造山带是由扬子地块和华夏地块在新元古代碰撞拼接形成的(图1)(Wang et al.,2010;Deng et al.,2016;Liu et al.,2019).在早古生代,华南板块发生陆内碰撞,形成了一系列EW向或近EW褶皱、隆起和推覆断层(Wang et al.,2005;舒良树,2006;Faure et al.,2009);在早中生代,华南板块和华北板块碰撞形成一系列逆冲推覆断裂、韧性剪切带和NNE向褶皱,构成了区域基本构造格局(许德如等,2017;周岳强等,2019);在晚中生代,由于古特提斯洋闭合及古太平洋板块俯冲,使早期形成的EW、NW和NNE向构造再次发生活化、改造,形成了以NE(NNE)向为主,NW(EW)向为基础的构造带(张岳桥等,2012;谭华杰,2022),并诱发大量的中生代岩浆岩侵位.漫长而复杂的构造—岩浆活动使江南造山带成为我国重要的金多金属矿床产地之一,目前已发现的金矿床(点)超过250个,金资源量达到970 t(Xu et al.,2017). ...
... 尽管前人通过白云母40Ar/39Ar法获得了正冲金矿床的成矿年龄,但是,由于云母单矿物在挑选过程中可能会混入其他来源的物质,这在一定程度上可能会影响测试结果.本研究通过绢云母的原位Rb-Sr法,能够较好地避免其他物质对测试结果的影响,结果显示绢云母Rb-Sr年龄与前人的白云母Ar-Ar年龄基本一致.因此,本研究在重新厘定正冲金成矿年龄的同时,也验证了前人白云母Ar-Ar年龄的可靠性.此外,前人针对湘东北地区金矿床的年龄也开展了大量研究,获得了大量的年龄.Xu et al.(2017)认为江南造山带存在早古生代(423~397 Ma)、侏罗纪(176~170 Ma)和早白垩世(144~130 Ma)3期成矿,金矿化主要形成于加里东期和燕山期;黄建中等(2020)认为江南造山带湖南段金矿床主要形成于加里东期和印支期;柏道远等(2021)认为除了加里东期和印支期外,还有中晚燕山期成矿作用.近年来,有大量关于湘东北地区的年龄成果文献发表.如:梨树坡金矿中黑云母Ar-Ar同位素坪年龄为(208.67±1.25)Ma(Wang et al.,2022),肖家山金矿中金红石U-Pb加权平均年龄为(216.88±0.28)Ma(谭华杰,2022),团山背金矿中NE向石英脉中独居石U-Pb等时线年龄为(234.3±1.1)Ma(谭仕敏,2021),正冲金矿床中白云母 40Ar/39Ar同位素年龄为(220.5±0.2)~(211.6±0.6)Ma(孙思辰,2021).结合本研究获得的正冲金矿床的成矿年龄[(219.1±6.0) Ma、(215.8±7.7) Ma],进一步证明了晚三叠世(230~210 Ma)是湘东北重要的金成矿期. ...
... 本研究测得的石英—黄铁矿—自然金阶段的S同位素值(Py1:-3.86‰~1.03‰,平均值为-1.3‰)和石英—黄铁矿—毒砂多金属硫化物阶段的S同位素值(Py2a:-1.43‰~1.51‰,平均值为0.24‰;Py2b:-3.21‰~1.95‰,平均值为0.83‰)范围较窄,表明其具有一致的硫来源,具有地幔硫或岩浆硫(δ34S=0±5%)的特点(Ohmoto,1986;Seal,2006).成矿晚期的S同位素值略高于早期,可能是由于成矿后期水岩反应影响较弱,导致成矿晚期黄铁矿的S同位素值显示微弱的向右偏移.许多学者通过载金矿物的S同位素来研究湘东北地区金矿床的成矿物质来源(图8),但是大部分采用单矿物溶样法的S同位素分析方法,由于黄铁矿复杂的内部结构和多期次、多世代性,以往的黄铁矿S同位素δ34S值往往是混合值,并不能真正反映真实的S同位素值.这导致有些矿床被认为其成矿物质来源于冷家溪群,有些矿床其硫源具有深部岩浆来源的特征.正冲金矿床的黄铁矿原位δ34S值为-3.86~1.95,与肖家山金矿主成矿阶段黄铁矿的δ34S值(-2.5‰~-1.0‰)(Tan et al.,2022)、雁林寺黄铁矿和毒砂的δ34S值(-2.7‰~-1.5‰、-1.7‰~-0.4‰)(董国军等,2008;Zhang et al.,2022)相似,且明显高于冷家溪群中黄铁矿的δ34S值(-13.1‰~-6.3‰)(罗献林,1988;柳德荣等,1994;刘亮明等,1999),这些金矿床主要形成于印支期,且被认为有岩浆流体的参与.另有研究显示,矿区内花岗岩的年龄为(435±2.9)Ma,形成于加里东期,而金成矿发生在印支期,未发现与成矿同时期的中酸性岩浆事件.相邻的团山背和肖家山金矿区内发育有与金成矿事件相近的基性岩脉,团山背矿区辉绿岩脉的锆石原位U-Pb年龄为(225.6±1.7)Ma(谭仕敏,2021),肖家山矿区辉绿岩脉的锆石原位U-Pb年龄为(221.5±0.8)Ma(谭华杰,2022).结合该地区未发现印支期的中酸性岩浆岩,但发育有大量印支期的辉绿岩脉,且认为辉绿岩可能来源于地幔.因此,认为正冲金矿床的成矿流体可能主要来源于深部岩浆(或地幔物质),而基性岩浆对金成矿的具体贡献还需进一步研究. ...
湘东北雁林寺地区金成矿作用研究
2
2021
... 尽管前人通过白云母40Ar/39Ar法获得了正冲金矿床的成矿年龄,但是,由于云母单矿物在挑选过程中可能会混入其他来源的物质,这在一定程度上可能会影响测试结果.本研究通过绢云母的原位Rb-Sr法,能够较好地避免其他物质对测试结果的影响,结果显示绢云母Rb-Sr年龄与前人的白云母Ar-Ar年龄基本一致.因此,本研究在重新厘定正冲金成矿年龄的同时,也验证了前人白云母Ar-Ar年龄的可靠性.此外,前人针对湘东北地区金矿床的年龄也开展了大量研究,获得了大量的年龄.Xu et al.(2017)认为江南造山带存在早古生代(423~397 Ma)、侏罗纪(176~170 Ma)和早白垩世(144~130 Ma)3期成矿,金矿化主要形成于加里东期和燕山期;黄建中等(2020)认为江南造山带湖南段金矿床主要形成于加里东期和印支期;柏道远等(2021)认为除了加里东期和印支期外,还有中晚燕山期成矿作用.近年来,有大量关于湘东北地区的年龄成果文献发表.如:梨树坡金矿中黑云母Ar-Ar同位素坪年龄为(208.67±1.25)Ma(Wang et al.,2022),肖家山金矿中金红石U-Pb加权平均年龄为(216.88±0.28)Ma(谭华杰,2022),团山背金矿中NE向石英脉中独居石U-Pb等时线年龄为(234.3±1.1)Ma(谭仕敏,2021),正冲金矿床中白云母 40Ar/39Ar同位素年龄为(220.5±0.2)~(211.6±0.6)Ma(孙思辰,2021).结合本研究获得的正冲金矿床的成矿年龄[(219.1±6.0) Ma、(215.8±7.7) Ma],进一步证明了晚三叠世(230~210 Ma)是湘东北重要的金成矿期. ...
... 本研究测得的石英—黄铁矿—自然金阶段的S同位素值(Py1:-3.86‰~1.03‰,平均值为-1.3‰)和石英—黄铁矿—毒砂多金属硫化物阶段的S同位素值(Py2a:-1.43‰~1.51‰,平均值为0.24‰;Py2b:-3.21‰~1.95‰,平均值为0.83‰)范围较窄,表明其具有一致的硫来源,具有地幔硫或岩浆硫(δ34S=0±5%)的特点(Ohmoto,1986;Seal,2006).成矿晚期的S同位素值略高于早期,可能是由于成矿后期水岩反应影响较弱,导致成矿晚期黄铁矿的S同位素值显示微弱的向右偏移.许多学者通过载金矿物的S同位素来研究湘东北地区金矿床的成矿物质来源(图8),但是大部分采用单矿物溶样法的S同位素分析方法,由于黄铁矿复杂的内部结构和多期次、多世代性,以往的黄铁矿S同位素δ34S值往往是混合值,并不能真正反映真实的S同位素值.这导致有些矿床被认为其成矿物质来源于冷家溪群,有些矿床其硫源具有深部岩浆来源的特征.正冲金矿床的黄铁矿原位δ34S值为-3.86~1.95,与肖家山金矿主成矿阶段黄铁矿的δ34S值(-2.5‰~-1.0‰)(Tan et al.,2022)、雁林寺黄铁矿和毒砂的δ34S值(-2.7‰~-1.5‰、-1.7‰~-0.4‰)(董国军等,2008;Zhang et al.,2022)相似,且明显高于冷家溪群中黄铁矿的δ34S值(-13.1‰~-6.3‰)(罗献林,1988;柳德荣等,1994;刘亮明等,1999),这些金矿床主要形成于印支期,且被认为有岩浆流体的参与.另有研究显示,矿区内花岗岩的年龄为(435±2.9)Ma,形成于加里东期,而金成矿发生在印支期,未发现与成矿同时期的中酸性岩浆事件.相邻的团山背和肖家山金矿区内发育有与金成矿事件相近的基性岩脉,团山背矿区辉绿岩脉的锆石原位U-Pb年龄为(225.6±1.7)Ma(谭仕敏,2021),肖家山矿区辉绿岩脉的锆石原位U-Pb年龄为(221.5±0.8)Ma(谭华杰,2022).结合该地区未发现印支期的中酸性岩浆岩,但发育有大量印支期的辉绿岩脉,且认为辉绿岩可能来源于地幔.因此,认为正冲金矿床的成矿流体可能主要来源于深部岩浆(或地幔物质),而基性岩浆对金成矿的具体贡献还需进一步研究. ...
湖南中部地区丫江桥和五峰仙岩体地球LA-ICP-MS锆石年代学、地球化学及岩石成因研究
1
2012
... 区域内岩浆活动强烈,具有新元古代、加里东期、印支期和燕山期多期次活动的特征.九岭复式岩体西延部分(大围山地区)侵位于冷家溪群,其年龄为830~800 Ma(柏道远等,2010;王孝磊等,2017).区内南部的板衫铺花岗岩体和宏夏桥花岗岩体侵入时间为423~421 Ma,形成于加里东挤压造山环境中(关义立等,2013;李建华等,2015).印支期岩体在该地区出露较少,主要有丫江桥花岗岩体[(220.5±2.1)Ma](王凯兴等,2012)和王仙花岗闪长斑岩[(224.7±4.4)Ma](杨立志等,2018).燕山期花岗岩在湘东北地区分布最广泛,主要有幕阜山花岗岩体(142.9~127.7 Ma)、连云山花岗岩体(152~140 Ma)、望湘花岗岩体(约147 Ma)和金井花岗岩体(145 Ma)(贾大成等,2003;彭和求等,2004;Wang et al.,2016; Xu et al.,2017;李鹏等,2019). ...
江南造山带的形成与演化
1
2017
... 区域内岩浆活动强烈,具有新元古代、加里东期、印支期和燕山期多期次活动的特征.九岭复式岩体西延部分(大围山地区)侵位于冷家溪群,其年龄为830~800 Ma(柏道远等,2010;王孝磊等,2017).区内南部的板衫铺花岗岩体和宏夏桥花岗岩体侵入时间为423~421 Ma,形成于加里东挤压造山环境中(关义立等,2013;李建华等,2015).印支期岩体在该地区出露较少,主要有丫江桥花岗岩体[(220.5±2.1)Ma](王凯兴等,2012)和王仙花岗闪长斑岩[(224.7±4.4)Ma](杨立志等,2018).燕山期花岗岩在湘东北地区分布最广泛,主要有幕阜山花岗岩体(142.9~127.7 Ma)、连云山花岗岩体(152~140 Ma)、望湘花岗岩体(约147 Ma)和金井花岗岩体(145 Ma)(贾大成等,2003;彭和求等,2004;Wang et al.,2016; Xu et al.,2017;李鹏等,2019). ...
湘东北黄金洞金矿床成因:硫、铅同位素和流体包裹体新证据
2
2017
... 湘东北地区位于江南造山带中段,是我国重要的黄金产地之一,金资源储量达250 t(Xu et al.,2017;孙思辰等,2020),金矿床主要以脉状赋存于冷家溪群浅变质岩中,且明显受断裂控制.目前,对于该地区金矿床的成因尚存在很大争议,主要集中在成矿年龄和成矿物质来源的认识上.在成矿年龄方面,前人通过石英流体包裹Rb-Sr等时线法、黑云母(或白云母)Ar-Ar法和白钨矿Sm-Nd等时线法测定的年龄表明,金矿化主要发生在加里东期、印支期和燕山期(罗献林,1988;毛景文等,1997;董国军等,2008;韩凤彬等,2010;周岳强等,2021;孙思辰,2021;Wang et al.,2022;Zhan et al.,2022),但是部分金矿床测得了多期成矿年龄,多阶段矿化的叠加导致湘东北地区金矿床的成因更加复杂.在成矿物质来源方面,部分学者认为其成矿物质可能来源于冷家溪群(刘荫椿,1989;刘亮明等,1999;彭泽华,2012;葛超,2019;Liu et al.,2019;陆文等,2020;韩亮等,2021;Wang et al.,2022)或深部的沉积变质岩(Zhang et al.,2018;李荣华,2020;孙思辰等,2020),还有一些学者认为部分成矿物质可能来源于岩浆,具有混合来源的特点(毛景文等,1997;董国军等,2008;蒋星祥等,2016;夏浩东等,2017).最新研究结果显示,深部岩浆热液对金成矿具有重要的贡献(Tan et al.,2022;Zhang et al.,2022).正冲金矿床是区内分布的典型金矿床,对正冲金矿中的绢云母和黄铁矿进行详细分析,有助于确定成矿年龄和成矿物质来源.为此,本文重点研究了正冲金矿床的石英脉型金矿化,采用LA-MC-ICP-MS分析了正冲金矿床不同成矿阶段中与含金黄铁矿共生的绢云母Rb-Sr同位素和不同世代黄铁矿的S同位素组成,以确定其成矿时代和成矿物质来源,为正冲金矿床及湘东北地区其他金矿床的成因认识提供理论基础. ...
... 注:冷家溪群S同位素数据来自罗献林(1988)、柳德荣等(1994)、刘亮明等(1999);万古金矿δ34S值来自柳德荣等(1994)、Xu et al.(2017)和Deng et al.(2017);黄金洞金矿δ34S值来自夏浩东等(2017)、Zhang et al.(2018);梨树坡金矿δ34S值来自Wang et al.(2022);雁林寺金矿δ34S值来自董国军等(2008)、Zhang et al.(2022);肖家山金矿δ34S值来自Tan et al.(2022);正冲金矿床δ34S值来自本研究以及Liu et al.(2019)、孙思辰(2021) ...
湘东北地区地质构造演化与成矿响应探讨
1
2017
... 江南造山带是由扬子地块和华夏地块在新元古代碰撞拼接形成的(图1)(Wang et al.,2010;Deng et al.,2016;Liu et al.,2019).在早古生代,华南板块发生陆内碰撞,形成了一系列EW向或近EW褶皱、隆起和推覆断层(Wang et al.,2005;舒良树,2006;Faure et al.,2009);在早中生代,华南板块和华北板块碰撞形成一系列逆冲推覆断裂、韧性剪切带和NNE向褶皱,构成了区域基本构造格局(许德如等,2017;周岳强等,2019);在晚中生代,由于古特提斯洋闭合及古太平洋板块俯冲,使早期形成的EW、NW和NNE向构造再次发生活化、改造,形成了以NE(NNE)向为主,NW(EW)向为基础的构造带(张岳桥等,2012;谭华杰,2022),并诱发大量的中生代岩浆岩侵位.漫长而复杂的构造—岩浆活动使江南造山带成为我国重要的金多金属矿床产地之一,目前已发现的金矿床(点)超过250个,金资源量达到970 t(Xu et al.,2017). ...
湘东王仙花岗闪长斑岩的岩石地球化学、锆石U-Pb年代学和Hf同位素组成
2
2018
... 区域内岩浆活动强烈,具有新元古代、加里东期、印支期和燕山期多期次活动的特征.九岭复式岩体西延部分(大围山地区)侵位于冷家溪群,其年龄为830~800 Ma(柏道远等,2010;王孝磊等,2017).区内南部的板衫铺花岗岩体和宏夏桥花岗岩体侵入时间为423~421 Ma,形成于加里东挤压造山环境中(关义立等,2013;李建华等,2015).印支期岩体在该地区出露较少,主要有丫江桥花岗岩体[(220.5±2.1)Ma](王凯兴等,2012)和王仙花岗闪长斑岩[(224.7±4.4)Ma](杨立志等,2018).燕山期花岗岩在湘东北地区分布最广泛,主要有幕阜山花岗岩体(142.9~127.7 Ma)、连云山花岗岩体(152~140 Ma)、望湘花岗岩体(约147 Ma)和金井花岗岩体(145 Ma)(贾大成等,2003;彭和求等,2004;Wang et al.,2016; Xu et al.,2017;李鹏等,2019). ...
... 本研究获得的S同位素组成与赋矿围岩冷家溪群的S同位素组成明显不同,具有岩浆硫(或地幔硫)的特征,且冷家溪群主要为浅变质岩,变质程度太低不能直接提供成矿物质来源.因此,正冲金矿床不适用大陆地壳变质流体成因模式.本研究获得的年龄属于晚三叠世,其成矿动力学背景与华南板块印支陆内造山运动有关.在印支运动早期,华南板块与印支板块碰撞后沿秦岭—大别山构造带与华北板块发生碰撞,形成统一的东亚大陆(Carter et al.,2001),华南板块处于挤压构造环境,碰撞使华南形成了大规模的NE和SN向褶皱、逆冲推覆构造及韧性剪切带,伴有小规模的岩浆活动(Wang et al.,2005;Mao et al.,2011;陈世悦等,2011;李三忠等,2011).在印支运动晚期,由于应力松弛,华南板块由挤压转向伸展,地壳减薄使深部岩浆上侵,在华南板块形成了大量的中酸性花岗岩和基性岩脉(Mao et al.,2011;李三忠等,2011;杨立志等,2018;于玉帅等,2019).结合前人已有的S同位素、C-O同位素和He-Ar同位素研究结果(黄建中等,2020),认为深部岩浆(或幔源物质)可能提供了金成矿所需要的物质. ...
湘东(北)冷家溪群含金性地球化学评价
1
2006
... 地层中成矿元素的含量是决定地层能否提供成矿物质的重要因素,冷家溪群各岩组的金品位为1.09×10-9~52.30×10-9,平均金品位为3.62×10-9,是上地壳丰度值(1.8×10-9)的2倍(刘英俊等,1991;易慧等,2006),为金矿床的形成奠定了良好的基础.前人(Sun et al.,2020;韩亮等,2021)测得正冲金矿床中黄铁矿的Co/Ni比值大部分小于1,表明有地层物质参与成矿,而水岩反应又是正冲金矿的主要沉淀机制,结合部分S、Pb同位素具有变质来源的特征,以及成矿流体主要来源于变质水,部分学者认为金主要来源于地层(Liu et al.,2019;孙思辰,2021). ...
湘东丫江桥岩体时代与成因:来自LA-ICP-MS锆石U-Pb年代学、地球化学和Lu-Hf同位素制约
1
2019
... 本研究获得的S同位素组成与赋矿围岩冷家溪群的S同位素组成明显不同,具有岩浆硫(或地幔硫)的特征,且冷家溪群主要为浅变质岩,变质程度太低不能直接提供成矿物质来源.因此,正冲金矿床不适用大陆地壳变质流体成因模式.本研究获得的年龄属于晚三叠世,其成矿动力学背景与华南板块印支陆内造山运动有关.在印支运动早期,华南板块与印支板块碰撞后沿秦岭—大别山构造带与华北板块发生碰撞,形成统一的东亚大陆(Carter et al.,2001),华南板块处于挤压构造环境,碰撞使华南形成了大规模的NE和SN向褶皱、逆冲推覆构造及韧性剪切带,伴有小规模的岩浆活动(Wang et al.,2005;Mao et al.,2011;陈世悦等,2011;李三忠等,2011).在印支运动晚期,由于应力松弛,华南板块由挤压转向伸展,地壳减薄使深部岩浆上侵,在华南板块形成了大量的中酸性花岗岩和基性岩脉(Mao et al.,2011;李三忠等,2011;杨立志等,2018;于玉帅等,2019).结合前人已有的S同位素、C-O同位素和He-Ar同位素研究结果(黄建中等,2020),认为深部岩浆(或幔源物质)可能提供了金成矿所需要的物质. ...
华南中生代大地构造研究新进展
1
2012
... 江南造山带是由扬子地块和华夏地块在新元古代碰撞拼接形成的(图1)(Wang et al.,2010;Deng et al.,2016;Liu et al.,2019).在早古生代,华南板块发生陆内碰撞,形成了一系列EW向或近EW褶皱、隆起和推覆断层(Wang et al.,2005;舒良树,2006;Faure et al.,2009);在早中生代,华南板块和华北板块碰撞形成一系列逆冲推覆断裂、韧性剪切带和NNE向褶皱,构成了区域基本构造格局(许德如等,2017;周岳强等,2019);在晚中生代,由于古特提斯洋闭合及古太平洋板块俯冲,使早期形成的EW、NW和NNE向构造再次发生活化、改造,形成了以NE(NNE)向为主,NW(EW)向为基础的构造带(张岳桥等,2012;谭华杰,2022),并诱发大量的中生代岩浆岩侵位.漫长而复杂的构造—岩浆活动使江南造山带成为我国重要的金多金属矿床产地之一,目前已发现的金矿床(点)超过250个,金资源量达到970 t(Xu et al.,2017). ...
湖南黄金洞金矿床白钨矿Sm-Nd年龄及其地质意义
1
2021
... 湘东北地区位于江南造山带中段,是我国重要的黄金产地之一,金资源储量达250 t(Xu et al.,2017;孙思辰等,2020),金矿床主要以脉状赋存于冷家溪群浅变质岩中,且明显受断裂控制.目前,对于该地区金矿床的成因尚存在很大争议,主要集中在成矿年龄和成矿物质来源的认识上.在成矿年龄方面,前人通过石英流体包裹Rb-Sr等时线法、黑云母(或白云母)Ar-Ar法和白钨矿Sm-Nd等时线法测定的年龄表明,金矿化主要发生在加里东期、印支期和燕山期(罗献林,1988;毛景文等,1997;董国军等,2008;韩凤彬等,2010;周岳强等,2021;孙思辰,2021;Wang et al.,2022;Zhan et al.,2022),但是部分金矿床测得了多期成矿年龄,多阶段矿化的叠加导致湘东北地区金矿床的成因更加复杂.在成矿物质来源方面,部分学者认为其成矿物质可能来源于冷家溪群(刘荫椿,1989;刘亮明等,1999;彭泽华,2012;葛超,2019;Liu et al.,2019;陆文等,2020;韩亮等,2021;Wang et al.,2022)或深部的沉积变质岩(Zhang et al.,2018;李荣华,2020;孙思辰等,2020),还有一些学者认为部分成矿物质可能来源于岩浆,具有混合来源的特点(毛景文等,1997;董国军等,2008;蒋星祥等,2016;夏浩东等,2017).最新研究结果显示,深部岩浆热液对金成矿具有重要的贡献(Tan et al.,2022;Zhang et al.,2022).正冲金矿床是区内分布的典型金矿床,对正冲金矿中的绢云母和黄铁矿进行详细分析,有助于确定成矿年龄和成矿物质来源.为此,本文重点研究了正冲金矿床的石英脉型金矿化,采用LA-MC-ICP-MS分析了正冲金矿床不同成矿阶段中与含金黄铁矿共生的绢云母Rb-Sr同位素和不同世代黄铁矿的S同位素组成,以确定其成矿时代和成矿物质来源,为正冲金矿床及湘东北地区其他金矿床的成因认识提供理论基础. ...
湖南长沙—平江断裂带构造演化及其控矿作用
1
2019
... 江南造山带是由扬子地块和华夏地块在新元古代碰撞拼接形成的(图1)(Wang et al.,2010;Deng et al.,2016;Liu et al.,2019).在早古生代,华南板块发生陆内碰撞,形成了一系列EW向或近EW褶皱、隆起和推覆断层(Wang et al.,2005;舒良树,2006;Faure et al.,2009);在早中生代,华南板块和华北板块碰撞形成一系列逆冲推覆断裂、韧性剪切带和NNE向褶皱,构成了区域基本构造格局(许德如等,2017;周岳强等,2019);在晚中生代,由于古特提斯洋闭合及古太平洋板块俯冲,使早期形成的EW、NW和NNE向构造再次发生活化、改造,形成了以NE(NNE)向为主,NW(EW)向为基础的构造带(张岳桥等,2012;谭华杰,2022),并诱发大量的中生代岩浆岩侵位.漫长而复杂的构造—岩浆活动使江南造山带成为我国重要的金多金属矿床产地之一,目前已发现的金矿床(点)超过250个,金资源量达到970 t(Xu et al.,2017). ...